Problemy z czujnikami parkowania.
1, 2
Witam serdecznie.
Niedawno kupiłem Mazdę 6 2.0 MZR-CD GH wyprodukowaną w 2008 roku. Niestety nie działa czujnik cofania. O ile z czujnikami zamontowanymi w przednim zderzaku wszystko jest w porządku (odnajdują przeszkody i sygnalizują je dźwiękiem dochodzącym z przednich głośników) to czujniki w tylnym zderzaku są całkiem "martwe". Poza tym włączając czujniki cofania przyciskiem na desce rozdzielczej system informuje mnie o błędzie serią pisków. Jest to seria trzech pisków powtórzona pięć razy (pip, pip,pip <przerwa> pip, pip,pip <przerwa> pip, pip,pip <przerwa> pip, pip,pip <przerwa> pip, pip,pip). Dźwięki te dochodzą z tyłu samochodu.
Nie znam konstrukcji tego auta i nie wiem gdzie szukać centralki ani którędy biegną kable. Proszę Was o radę i pomoc. Pozdrawiam, Kedar70
Niedawno kupiłem Mazdę 6 2.0 MZR-CD GH wyprodukowaną w 2008 roku. Niestety nie działa czujnik cofania. O ile z czujnikami zamontowanymi w przednim zderzaku wszystko jest w porządku (odnajdują przeszkody i sygnalizują je dźwiękiem dochodzącym z przednich głośników) to czujniki w tylnym zderzaku są całkiem "martwe". Poza tym włączając czujniki cofania przyciskiem na desce rozdzielczej system informuje mnie o błędzie serią pisków. Jest to seria trzech pisków powtórzona pięć razy (pip, pip,pip <przerwa> pip, pip,pip <przerwa> pip, pip,pip <przerwa> pip, pip,pip <przerwa> pip, pip,pip). Dźwięki te dochodzą z tyłu samochodu.
Nie znam konstrukcji tego auta i nie wiem gdzie szukać centralki ani którędy biegną kable. Proszę Was o radę i pomoc. Pozdrawiam, Kedar70
-
Kedar70
Witam. W pewnym momencie przystały działać mi czujniki parkowania,(nie ma żadnego sygnału) wcześniej nie miałem żadnych problemów z nimi.Miałem nawet taki incydent że cofając oparłem się tyłem o inny samochód
Czy jest ktoś w stanie doradzić co sprawdzić i gdzie żeby wszystko wróciło do normy????
Pomocyyyyyyyyy
Czy jest ktoś w stanie doradzić co sprawdzić i gdzie żeby wszystko wróciło do normy???? Pomocyyyyyyyyy

-
Gimilii
Zacznij od sprawdzenia wszystkich bezpieczników. Najlepiej wysuń i wsuń każdy bo czasami może coś przyśniedzieć i traci przejście. Następnie sprawdź czy dochodzi zasilanie do włącznika pod kierownicą a następnie centralkę. Mówimy o oryginalnych czujnikach?
Jak nie ma polskich znaków to sorry ale pisze ze srajtfona Szajsunga... Amen
Dzień dobry posiadam mazdę 6 w hatchbecku z 2009 roku , mam problem z tylnymi czujnikami parkowania nie działają od tygodnia ani jeden nie wiem co się mogło stać , przednie działają bez zarzutu , z góry dziękuję za pomoc
Dopisano 3 sie 2014, 20:58:
dodam jeszcze że to są czujniki fabrycznie montowane
Dopisano 3 sie 2014, 20:58:
dodam jeszcze że to są czujniki fabrycznie montowane
-
Pudzianek3
To i ja się podłączę pod temat.
Padł mi tylny lewy czujnik cofania (lawet nie trzeba problemu nie robię
, jeździć się da, lusterka też w końcu po coś wymyślili ).
Zastawia mnie tylko jedna rzecz. Samochód zakupiony został już czujnikami montowanymi w serwisie, ale w ASO powiedzieli mi, że takiej centralki jeszcze nie spotkali.
Pytania właściwe
– czy dokupić cały zestaw czujników np VALEO (ot taki "upgrejt" w górę)
– znacie jakiś godny polecenia warsztat w okolicach Grodzisk, Skierniewice, Milanówek, Żyrardów, Płock
Padł mi tylny lewy czujnik cofania (lawet nie trzeba problemu nie robię
Zastawia mnie tylko jedna rzecz. Samochód zakupiony został już czujnikami montowanymi w serwisie, ale w ASO powiedzieli mi, że takiej centralki jeszcze nie spotkali.
Pytania właściwe
– czy dokupić cały zestaw czujników np VALEO (ot taki "upgrejt" w górę)
– znacie jakiś godny polecenia warsztat w okolicach Grodzisk, Skierniewice, Milanówek, Żyrardów, Płock

- Od: 25 mar 2013, 00:51
- Posty: 40 (0/1)
- Skąd: okolice W-wy / Płock
- Auto: Mazda6 GH L8 2008
Odgrzeję "kotleta" 
Dziś się uparłem i postanowiłem zrobić porządek z tym czujnikiem.
Jako, że dostać się do niego trudno, postanowiłem wymontować inny i poszukać w sklepie organoleptyczne podobnego lub przynajmniej wiedzieć czego szukać po sieci
Po pierwsze końcówka... już dawała mi do zrozumienia że łatwo nie będzie.
Jedyny odpowiadający to firmy parktronic.com Dzwonię i dzwonię do przedstawicielstw ale każdy mówi że nawet w ręku tego nie trzymali a firma sama sobie wymyśla że ktoś ich produkt dystrybuuje. No rzesz..
Manualność u mnie 1/10 (przy zdejmowaniu tego łatwego troszkę do nadkruszyłem). Ale znalazłem moduł czujników "WAECO". Mówię sobie
mistrz, jestem w domu.
Jedno przedstawicielstwo w mazowieckim, cena jednego czujnika 150 PLN +VAT
I jak patrzyłem ceny to kosmos..,
No i czeka mnie przeróbka całego chyba na VALEO.
Chyba że macie jakiś inny pomysł lub doświadczenia.
Dziś się uparłem i postanowiłem zrobić porządek z tym czujnikiem.
Jako, że dostać się do niego trudno, postanowiłem wymontować inny i poszukać w sklepie organoleptyczne podobnego lub przynajmniej wiedzieć czego szukać po sieci
Po pierwsze końcówka... już dawała mi do zrozumienia że łatwo nie będzie.
Jedyny odpowiadający to firmy parktronic.com Dzwonię i dzwonię do przedstawicielstw ale każdy mówi że nawet w ręku tego nie trzymali a firma sama sobie wymyśla że ktoś ich produkt dystrybuuje. No rzesz..
Manualność u mnie 1/10 (przy zdejmowaniu tego łatwego troszkę do nadkruszyłem). Ale znalazłem moduł czujników "WAECO". Mówię sobie
Jedno przedstawicielstwo w mazowieckim, cena jednego czujnika 150 PLN +VAT
I jak patrzyłem ceny to kosmos..,
No i czeka mnie przeróbka całego chyba na VALEO.
Chyba że macie jakiś inny pomysł lub doświadczenia.

- Od: 25 mar 2013, 00:51
- Posty: 40 (0/1)
- Skąd: okolice W-wy / Płock
- Auto: Mazda6 GH L8 2008
Witam. Mam taki problem w swoim aucie że nie działają mi seryjne czujniki parkowania tył a przednie działają bez zarzutu. Problem polega na tym że nawet przy wkładaniu biegu wstecznego nie ma dzwięku o ich aktywacji, kiedyś tylko czasami się nie działało a teraz już wogóle.
Jest jakiś bezpiecznik oddzielny do tych czujników? Albo jak mogę sprawdzić centralke czy dostaje jakiś sygnał?
Jest jakiś bezpiecznik oddzielny do tych czujników? Albo jak mogę sprawdzić centralke czy dostaje jakiś sygnał?

- Od: 1 mar 2015, 15:42
- Posty: 2
- Auto: Mazda 6 2010 2.0 MZR
Witam
Mam problem z systemem czujnikow parkowania. System mam fabryczny tyl i przod. Z tego, co zauwazylem problem pojawia sie po nagrzaniu samochodu. Gdy stoi w cieniu jest ok lub gdy go wychlodze w czasie jazdy. Wyglada to tak, ze przy wrzuconym biegu w przod lub luz piszczy w sposob ciagly glosniczek umieszczony na sterowniku parkowania (pod kierownica). Zaden z przednich czujnikow nie dziala (brak sygnalizacji). Gdy wrzucam bieg wsteczny centralka dziala poprawnie i wszystkie czujniki (tyl i przod) sa sprawne. Sama centralka nie powina byc problemem, bo po wystapieniu bledu schlodzilem ja zmrazaczem i nic to nie pomoglo. Patrzac na powyzsze odrzucam uszkodzona centralke i same czujniki. Jedyna rzecz, ktora pozostaje to czujnik polozenia skrzyni biegow. Informacje o tym, sterownik parkowanie dostaje po CANie od glownego sterownika pojazdu. Moje pytanie jest takie.. czy ktos ma jakis pomysl o co moze chodzic oraz gdzie znajde czujnik polozenia lewarka skrzyni biegow?
Mam problem z systemem czujnikow parkowania. System mam fabryczny tyl i przod. Z tego, co zauwazylem problem pojawia sie po nagrzaniu samochodu. Gdy stoi w cieniu jest ok lub gdy go wychlodze w czasie jazdy. Wyglada to tak, ze przy wrzuconym biegu w przod lub luz piszczy w sposob ciagly glosniczek umieszczony na sterowniku parkowania (pod kierownica). Zaden z przednich czujnikow nie dziala (brak sygnalizacji). Gdy wrzucam bieg wsteczny centralka dziala poprawnie i wszystkie czujniki (tyl i przod) sa sprawne. Sama centralka nie powina byc problemem, bo po wystapieniu bledu schlodzilem ja zmrazaczem i nic to nie pomoglo. Patrzac na powyzsze odrzucam uszkodzona centralke i same czujniki. Jedyna rzecz, ktora pozostaje to czujnik polozenia skrzyni biegow. Informacje o tym, sterownik parkowanie dostaje po CANie od glownego sterownika pojazdu. Moje pytanie jest takie.. czy ktos ma jakis pomysl o co moze chodzic oraz gdzie znajde czujnik polozenia lewarka skrzyni biegow?
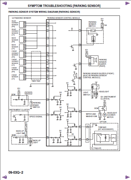
Czy lampka na wyłączniku czujników parkowania świeci się światłem ciągłym, czy mruga? Z tego co widzę w manualu, to do do sensora parkowania są podłączone między innymi przewody włącznika świateł cofania, czujnika prędkości, czujników parkowania, włącznika czujników parkowania, hamulca ręcznego, tylnego buzera oraz instalacji hala holowniczego. Występują tam też przewody od włącznika świateł i wycieraczek – nie wiem w jakim celu.
Zacząłbym od czujnika prędkości, który wyłącza moduł czujników po osiągnięciu 10 km/h. Może ma zwarcie, dlatego przy załączonym biegu wstecznym wszystko gra, a na jałowym lub załączonym biegu do przodu sygnał buzera jest stały.
Zdjęcie nr 1 – podłączone czujniki i przełączniku do modułu:
Zdjęcie nr 2 i 3 – schematy z przewodami podłączonymi do BCM: AE – przełącznik świateł, Y – sygnał prędkości, W -światła cofania
Zdjęcie nr 4 – opis skrótów kolorów przewodów:
Zacząłbym od czujnika prędkości, który wyłącza moduł czujników po osiągnięciu 10 km/h. Może ma zwarcie, dlatego przy załączonym biegu wstecznym wszystko gra, a na jałowym lub załączonym biegu do przodu sygnał buzera jest stały.
Zdjęcie nr 1 – podłączone czujniki i przełączniku do modułu:
Zdjęcie nr 2 i 3 – schematy z przewodami podłączonymi do BCM: AE – przełącznik świateł, Y – sygnał prędkości, W -światła cofania
Zdjęcie nr 4 – opis skrótów kolorów przewodów:
Witam
Dziekuje za schematy. Niestety sytuacja jest o tyle problematyczna, o czym zapomnialem wspomniec, ze cala reszta funkcji tj. dezaktywacja predkoscia i hamulcem recznym dziala poprawnie. Haka nie posiadam. Jedyne co mi przychodzi do glowy to, ze moze zle sprawdzilem dzialanie czujnikow przednich tych wewnetrznych. One nie maja sensu by byly aktywowane w czasie cofania. Sensowne jest jedynie uzywanie kompletu tylnych i skrajnych przednich. To byloby to co odroznia tryby pracy w zaleznosci od wrzuconego biegu. Swiatlo na wlaczniku zachowuje sie poprawnie. Ciagle swieci lub jest wylaczone w zaleznosci od trybu pracy modulu.
Szkoda, ze Forscan nie ma podgladu do tej czesci. Moglo by to cos pomoc.
Najdalej we wtorek bede u mechanika i podlacze samochod do profesjonalnego testera. Moze tam cos wyjdzie.
PS. Kolego Daras404.. czy schematy sa od polifta? Mam od przedlifta i wyglada to troche inaczej.
Edit 1: No i bingo.. jadac w tyl nie sa aktywowane przednie czujniki wewnetrzne. Wiec to musi byc ktorys z nich.
Edit 2: Zwyciestwo ;–). Padniety jest czujnik srodkowy pasazera. Po wysunieciu ze zderzaka i polaniu zimna woda zaczyna dzialac. Dla potomnych jego zachowanie poczynajac od niskich temperatur: normalna, praca, dzialanie z dystansu powyzej 20 cm, calkowicie dretwy bez sygnalizacji, sygnalizacja nieregularna przerywana bez przeszkody, ciagly sygnal. Teraz tylko wymienic i sprawdzic diagnoze.
Dziekuje za schematy. Niestety sytuacja jest o tyle problematyczna, o czym zapomnialem wspomniec, ze cala reszta funkcji tj. dezaktywacja predkoscia i hamulcem recznym dziala poprawnie. Haka nie posiadam. Jedyne co mi przychodzi do glowy to, ze moze zle sprawdzilem dzialanie czujnikow przednich tych wewnetrznych. One nie maja sensu by byly aktywowane w czasie cofania. Sensowne jest jedynie uzywanie kompletu tylnych i skrajnych przednich. To byloby to co odroznia tryby pracy w zaleznosci od wrzuconego biegu. Swiatlo na wlaczniku zachowuje sie poprawnie. Ciagle swieci lub jest wylaczone w zaleznosci od trybu pracy modulu.
Szkoda, ze Forscan nie ma podgladu do tej czesci. Moglo by to cos pomoc.
Najdalej we wtorek bede u mechanika i podlacze samochod do profesjonalnego testera. Moze tam cos wyjdzie.
PS. Kolego Daras404.. czy schematy sa od polifta? Mam od przedlifta i wyglada to troche inaczej.
Edit 1: No i bingo.. jadac w tyl nie sa aktywowane przednie czujniki wewnetrzne. Wiec to musi byc ktorys z nich.
Edit 2: Zwyciestwo ;–). Padniety jest czujnik srodkowy pasazera. Po wysunieciu ze zderzaka i polaniu zimna woda zaczyna dzialac. Dla potomnych jego zachowanie poczynajac od niskich temperatur: normalna, praca, dzialanie z dystansu powyzej 20 cm, calkowicie dretwy bez sygnalizacji, sygnalizacja nieregularna przerywana bez przeszkody, ciagly sygnal. Teraz tylko wymienic i sprawdzic diagnoze.
Ostatnio edytowano 29 maja 2017, 06:33 przez SHY, łącznie edytowano 1 raz
Pozwolę sobie odgrzebać temat.
Teraz i mnie dopadł problem z czujnikami parkowania. Przy wysokich temperaturach jeden z przednich czujników wariuje i cały czas piszczy
Jest to o tyle uciążliwe, że potrafi wyć przez kilka dobrych kilometrów.
Tylko u mnie sytuacja jest ciut inna.
W tamtym roku po przygodzie z sarną, miałem m. in. wymienione czujniki parkowania (przód+tył). Wszelkie naprawy dokonane w ASO.
Teraz gdy ten problem się pojawił, postanowiłem podjechać do ASO i zgłosić problem – jak na złość wszystko działało ok.
Pan z serwisu powiedział, że nic z tym nie zrobią na chwilę obecną, no bo usterki nie ma (na dobrą sprawę miał rację). A nawet jeśli, to i tak w grę wchodzi wymiana wszystkich czujników.
W związku z tym, że od naprawy nie minął rok, to mogę domagać się od ASO naprawy (wymiany) czujników w ramach jakiejś gwarancji/rękojmi/reklamacji?
Teraz i mnie dopadł problem z czujnikami parkowania. Przy wysokich temperaturach jeden z przednich czujników wariuje i cały czas piszczy
Jest to o tyle uciążliwe, że potrafi wyć przez kilka dobrych kilometrów.
Tylko u mnie sytuacja jest ciut inna.
W tamtym roku po przygodzie z sarną, miałem m. in. wymienione czujniki parkowania (przód+tył). Wszelkie naprawy dokonane w ASO.
Teraz gdy ten problem się pojawił, postanowiłem podjechać do ASO i zgłosić problem – jak na złość wszystko działało ok.
Pan z serwisu powiedział, że nic z tym nie zrobią na chwilę obecną, no bo usterki nie ma (na dobrą sprawę miał rację). A nawet jeśli, to i tak w grę wchodzi wymiana wszystkich czujników.
W związku z tym, że od naprawy nie minął rok, to mogę domagać się od ASO naprawy (wymiany) czujników w ramach jakiejś gwarancji/rękojmi/reklamacji?
Trzymajac sie litery prawa.. gwarancje masz pewnie marna. Gearancja to forma umowy przedsiebiorcy z klientem gdzie w momencie jej zawarcia nalezy ustalic jej warunki. Mam wiec pytanie – co wiesz na ta chwile o swojej gwarancji? Pewnie nic poza tym, ze na fakturze masz byc moze napisane, ze daja gwarancje 6-12-24 miesiace. Gwarancja musi miec podane szczegolowe warunki, na ktorych mozesz sie opierac. Jezeli ich brak.. to musisz wierzyc w dobra wole gwaranta.
Masz jeszcze droge wg kodeksu cywilnego. Tutaj masz 24 miesiace i scisle prawnie zdefiniowane warunki co i jak. Tego nalezy sie trzymac. Pamietaj o jednej bardzo waznej rzeczy. Ty wybierasz, ktora idziesz droga, ale w czasie postepowania nie wolno jej Tobie zmienic. Co to znaczy? Jesli zglaszasz usterke na gwarancji a gwarant odrzuca twoje roszczenia to nie wolno Tobie dochodzic swoich praw droga kodeksu cywilnego i na odwrot. W gwarancji mozna napisac wszystko.. wlacznie z tym, ze obejmuje ona okres jednego dnia od sprzedazy i mozesz reklamowac tylko uszkodzenia lakieru pod zalewa uszczelniajaca w czujniku. Dlatego podkreslam.. zanim zglosisz cos na papier.. dowiedz sie jak do tego podchodza, bo zmiany drogi nie ma. Zadaj adnotacji o zgloszeniu usterki.. to ich problem, ze nie potrafia jej zdiagnozowac. Nie widac.. ok, ale ona jest i jak wystapi po okresie, gdy minie Tobie okres ochrony uslyszysz pewnie "sorry, taki mamy klimat".
Masz jeszcze droge wg kodeksu cywilnego. Tutaj masz 24 miesiace i scisle prawnie zdefiniowane warunki co i jak. Tego nalezy sie trzymac. Pamietaj o jednej bardzo waznej rzeczy. Ty wybierasz, ktora idziesz droga, ale w czasie postepowania nie wolno jej Tobie zmienic. Co to znaczy? Jesli zglaszasz usterke na gwarancji a gwarant odrzuca twoje roszczenia to nie wolno Tobie dochodzic swoich praw droga kodeksu cywilnego i na odwrot. W gwarancji mozna napisac wszystko.. wlacznie z tym, ze obejmuje ona okres jednego dnia od sprzedazy i mozesz reklamowac tylko uszkodzenia lakieru pod zalewa uszczelniajaca w czujniku. Dlatego podkreslam.. zanim zglosisz cos na papier.. dowiedz sie jak do tego podchodza, bo zmiany drogi nie ma. Zadaj adnotacji o zgloszeniu usterki.. to ich problem, ze nie potrafia jej zdiagnozowac. Nie widac.. ok, ale ona jest i jak wystapi po okresie, gdy minie Tobie okres ochrony uslyszysz pewnie "sorry, taki mamy klimat".
Dokladnie.. niestety spotkasz opor, bo o ile reklamacja nie "boli" sprzedawcy o tyle kodeks cywilny boli bezposrednio jego. Spodziewaj sie odpowiedzi, ze tak sie nie robi, tego nie mozna, ta sprawa tego nie dotyczy.. i wielu innych wymowek.
1, 2
Kto przegląda forum
Użytkownicy przeglądający ten dział: Brak zidentyfikowanych użytkowników i 0 gości
Moderator
Moderatorzy 6 / 626 / MX-6 / Xedos 6
