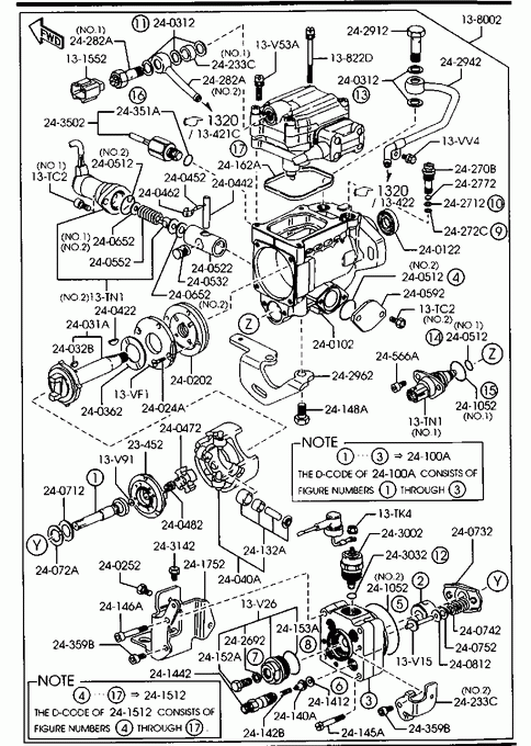
to może ja powiem to co zauważyłem przy składaniu pompy a komuś może pomoc. pierwsze co jak już ja ktoś rozbierze i nie będzie umiał wyciągnąć tego ostatniego pierścienia bo jest tak dopracowany że się cały czas blokuje to polecam klucz imbusowy 5/32 i on tam pasuje na styk w jedna z dziurek a potem do góry to wysuwałem i udało się w taki właśnie sposób. następnie przy składaniu na żadnych zdjęciach niema pokazane w która stronę włożyć taki falowany pierścień. bo jeżeli składamy pompę i klin z przodu ustawimy jak na rozrządzie to wtedy są dwie możliwości włożenia tej części na zdjęciach niżej pokazałem te dwie możliwości . za pierwszym razem jak złożyłem pompę to właśnie w ten zły sposób czyli klin z przodu jak do rozrządu a bolec był naprzeciwko klina i nie odpalał i jeszcze mi jakąś podkładkę pokruszyło

wyciągnąłem pompę i złożyłem ja jeszcze raz tylko tym razem inaczej bo nie wiedziałem że jest jakaś różnica w tym bo z opisu na początku nigdzie właśnie nie jest napisane jak to złożyć no chyba że gdzieś to przeoczyłem ...
i za drugim razem bolec został ułożony tak jak klin z przodu i wtedy po skręceniu pompy do kupy i założeniu na auto działa bez zarzutu, odpala od strzała
tylko teraz borykam się z innym problemem

TCV nie cyka

a elektryka do TCV dochodzi ale o tym w innym temacie..