
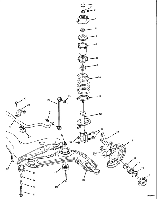
Jak się nazywa takie "koło" które jest odrazu za felgą ? Zaznaczone czerwoną strzałką.
Czy u was ten element pokryła rdza ? Bo u mnie na jednym kole rdza dopadła ten element...
Czy to jest – PIASTA KOŁA ?
www.mazdaspeed.pl




bigboy177 napisał(a):Ten strasznie skorodowany element to nie tarcza hamulcowa, tylko piasta – tak mi się przynajmniej wydaje, że o to pyta maestro. Warto ją przy wymianie kół posmarować smarem miedziowym, szczególnie w przypadku alufelg – nie będzie się zapiekać.





Użytkownicy przeglądający ten dział: Brak zidentyfikowanych użytkowników i 2 gości