Stuki w tylnym zawieszeniu
Witam!!!!
Od już dłuższego czasu walczę z takim oto zjawiskiem. Przy przejeżdżaniu przez poprzeczne nierówności strasznie hałasuje tylne zawieszenie. Amortyzatory były sprawdzane maja po ok. 68%. Łaczniki stabilizatora wymienione. Tuleje metalowo-gumowe wahaczy – luzów brak?
Co to może być? MOże ktoś z Was miał podobne objawy i sobie z tym poradził....
Od już dłuższego czasu walczę z takim oto zjawiskiem. Przy przejeżdżaniu przez poprzeczne nierówności strasznie hałasuje tylne zawieszenie. Amortyzatory były sprawdzane maja po ok. 68%. Łaczniki stabilizatora wymienione. Tuleje metalowo-gumowe wahaczy – luzów brak?
Co to może być? MOże ktoś z Was miał podobne objawy i sobie z tym poradził....
Rychu

- Od: 11 lip 2006, 11:01
- Posty: 102
- Skąd: Węgrów/Miedzna
- Auto: Premacy 2.0 DiTD '99
5 2.0 B '07
Może to zabrzmi banalnie, ale sprawdź czy nie stukają Ci inne rzeczy a nie zawieszenie. Np. u mnie hałasuje trochę dykta przykrywająca koło dojazdowe. Hałas nie jest duży, ale Premacy ma sporo miejsca z tyłu i działa to jak pudło akustyczne w gitarze – dźwięk staje się głośniejszy.

- Od: 18 kwi 2007, 21:24
- Posty: 8
- Auto: Mazda Premacy 1.8i 99'
Stawiam na to samo ...gumowe tuleje drążka stabilizatora, szukałem tego ok 10 miesięcy
– pomogło już założenie kawałka gumowego ( 5cm ) węża tuż za tuleją w kierunku koła- totalna prowizora ale daje diagnozę w 10 min.
pozrawiam
pozrawiam
mazda for ever 

- Od: 11 sie 2006, 13:41
- Posty: 18
- Skąd: Lublin
- Auto: premacy 2 td 2001, 323 1993
Potwierdzam ,to gumy drążka stabilizatora.Na pierwszy rzut oka były w porządku,lecz to one u mnie też były powodem stukania w tylnym zawieszeniu.Kupiłem ORYGINAŁY Mazdy w Inter Carsie!! Koszt to 31zł za komplet .Podaję numer katalogowy części dla zainteresowanych,na pewno pasują na 100% do Premacy. GE4T-28-156. Pozdrawiam 


- Od: 18 kwi 2004, 20:52
- Posty: 734
- Skąd: Legionowo
- Auto: Mazda 6 GH MZR-CD Wagon
Łukasz napisał(a):Podaję numer katalogowy części dla zainteresowanych,na pewno pasują na 100% do Premacy. GE4T-28-156
Szukałem tego w ich katalogu, ale bez rezultatu
Roberm napisał(a):Stawiam na to samo ...gumowe tuleje drążka stabilizatora, szukałem tego ok 10 miesięcy – pomogło już założenie kawałka gumowego ( 5cm ) węża tuż za tuleją w kierunku koła- totalna prowizora ale daje diagnozę w 10 min.
Czy mógłbyś jaśniej to opisać? Podać ewentualne dane na temat średnicy wewnętrznej i zewnętrznej tego kawałka węża? Jak długo to sie wymienia?
K.P.

- Od: 1 maja 2006, 21:58
- Posty: 69
- Skąd: Lubin
- Auto: MAZDA 323F 1.6 16V BG 1991r. --> Premacy zielony metalik 1.8 114KM CP 2000r.+ LPG w kole --->> Jest Impreza WRX 2.0T GD 2002 sedan z lotą ;)
Właśnie tak, szukałem tego w katalogu internetowym. Najbliższe ASO mam we Wrocławiu i będę tam dopiero w sobotę...
dzięki za odpowiedź
dzięki za odpowiedź
K.P.

- Od: 1 maja 2006, 21:58
- Posty: 69
- Skąd: Lubin
- Auto: MAZDA 323F 1.6 16V BG 1991r. --> Premacy zielony metalik 1.8 114KM CP 2000r.+ LPG w kole --->> Jest Impreza WRX 2.0T GD 2002 sedan z lotą ;)
czy ktoś z was moze wrzucic fotkę tylnego xzzawieszenia – a moze jest cos takiego na necie – gdzie bedzie napisane co jak sie nazywa bo ktory to jest lacznik stabilizatora to widzę ale reszta jest dla mnie niewiadomą i za cholere nie wiem co jest co
stukanie mam, mialem i chyba szybko nie zniknie ale juz wiem ze to musi byc guma bo na zimnie stuka mniej i stuka przywdłuznych nierównościach czasem
dzieki za pomoc
rt
stukanie mam, mialem i chyba szybko nie zniknie ale juz wiem ze to musi byc guma bo na zimnie stuka mniej i stuka przywdłuznych nierównościach czasem
dzieki za pomoc
rt

- Od: 11 sie 2007, 19:17
- Posty: 105
- Skąd: Poznań/Trawniki/Warszawa/Lublin
koledzy mam pytanie sprowadziłem sobie niedawno mazde premacy 2002 ditd z niemiec po przy pierwszym przeglądzie nie miała żadnych luzów i usterek teraz po przejechaniu ok 3tys km z tylniego zawieszenia słychać stuki na wybojach czy to będzie łącznik stabilizatora?? moze mi ktoś podpowiedzieć jaki jest ewentualny koszt czesci i gdzie najtaniej kupić
pozdrawiam i z góry dziekuje
pozdrawiam i z góry dziekuje
-
driwer1977
Sprawdź łącznik stabilizatora i gumy drążka stabilizatora, to dwie najczęstsze przypadłości tylnego zawieszenia Premacy.
Jeśli będziesz coś wymieniał to wymień od razu i łączniki i gumy, unikniesz wtedy podwójnej roboty.
Łączniki Ramech (polecam) po 30 PLN za sztukę i gumy ori po 15-20PLN za sztukę
W podpisie masz Premacy citd, fajnie by było...
Jeśli będziesz coś wymieniał to wymień od razu i łączniki i gumy, unikniesz wtedy podwójnej roboty.
Łączniki Ramech (polecam) po 30 PLN za sztukę i gumy ori po 15-20PLN za sztukę
W podpisie masz Premacy citd, fajnie by było...

Oleje Mazda Dexelia i Honda, części, akcesoria i materiały eksploatacyjne do samochodów osobowych___ sklep@dexelia.pl, tel: 505 949 900, → SKLEP DEXELIA←

- Od: 21 sie 2007, 09:05
- Posty: 86
- Skąd: Piaseczno
- Auto: Mazda 5 2.0B 2007
Nie wiem czy inne Mazdy mają to samo ale koledzy mają racje, najprawdopodobniej łącznik stabilizatora, już raz wymieniałem, ale jak się dobrze to zrobi i łącznik razem z gumami wymienisz to będziesz miał spokój.
Pozdrawiam
Pozdrawiam
"Lepiej 5 minut później, niż 50 lat za wcześnie"

- Od: 11 wrz 2008, 11:29
- Posty: 7
- Skąd: Osiedle Niewiadów
- Auto: Mazda Premacy 1.8 2000r
robota dla jednej osoby to gora godzina wymiany calego tylu (laczniki + gumy) i to nawet bez uzywania ciezkiego sprzetu (gumowka), sam ostatnio przeprowadzalem taka akcje praktycznie w warunkach polowych (dzialka), za przod sie jeszcze nie wzialem bo tam jest dolna sruba odwrocona w strone silnika, ciezko tam dojsc i odkrecic. naprawde warto to zrobic, dwa prety ze srubami za 30 zl szt a tyle radosci podczas jazdy bez stukania 
Jestem spokojnym, skromnym i dobrym człowiekiem. Po prostu nie każdy zasługuje na to, by mnie takiego oglądać.
Nic tak nie drażni kobiety jak....................................wszystko
Nic tak nie drażni kobiety jak....................................wszystko

- Od: 31 paź 2007, 21:54
- Posty: 2316 (3/13)
- Skąd: Szamotuły
- Auto: Sirion 1.3 s
Fiat Panda 1.1
Dzięki koledzy za podpowiedz tak to juz jest na naszych polskich a w szczególności lubelskich drogach przy weekendzie zabieram sie za prace przy mazdzi mam nadzieje ze pójdzie sprawnie pozdrawiam
-
driwer1977
Brodzio napisał(a):stuki na skreconych kolach w lewo i w prawo jak na prostych przy powolnej jezdzie
nie udalo mi sie zrozumiec problemu, sorxx
ale przy okazji podam metode wymiany gumowych tulejek tylnego stabilizatora.
otoz nalezy ostroznie i z uwaga odkrecic nakretki szpilek (nie mozna ich urwac, w razie problemow lepiej polac kwasem z akumulatora niz ryzykowac).
nastepnie celowo urwac sruby wkrecone w te belke/rame pomocnicza
(i tak sie nie daja zwykle odkrecic nawet palnikiem).
potem przylozyc pobijak w osi urwanej sruby i megajebnac mlotem. wtedy zgrzana z belka nakretka sie oderwie i mozna zastosowac nowa. przez otwory przy srodkowej czesci belki mozna te nowa nakretke wprowadzic i zakontrowac kluczem.
pasuja np.:
sruba od zaciskow daewoo,
jakas tam nakretka tez daewoo.
nie mozna stosowac byle czego, gwint ma byc drobnozwojny a sruba i nakretka z nabita dziesiatka. moze ósemki dadza rade, nie wiem, ja mam wytrzymalosc 10 na tych srubach i pewnie tak ma byc.
koszt naprawy 12 zyły z vat plus oczywiscie dwadziesciapare blaszek za dwie gumki.
fvat.

- Od: 29 paź 2003, 00:07
- Posty: 756
- Skąd: zławieśWWA]:~
- Auto: cprf2a'99
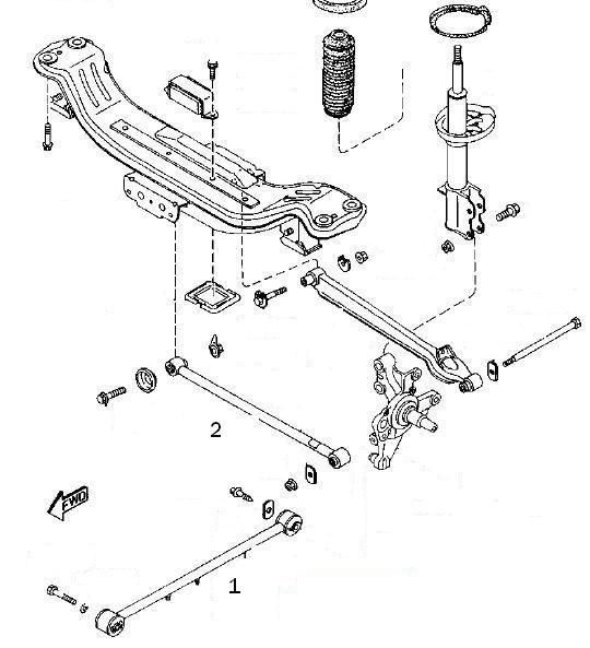
Witam.Ponieważ niejestem pewien czy myślimy o tym samym wstawiłem link do zdjęcia zawieszenia tył (chyba 626).Potrzebuję namiary na tulejki gumowo-metalowe do premacy 2.0 diesel. 2000r do wahacza wzdłużnego (1) ponieważ nie ma ich w żadnym katalogu

- Od: 22 kwi 2008, 11:12
- Posty: 23
- Skąd: Nowy Targ
- Auto: Mazda 6 2019
Mazda 5 2.0 d 2006 7-os
Witam. Znalazłem te tulejki
. Fitma Tedgum (nr kat.00442202) dopasowała mi z mitsubishi z wahacza przedniego, koszt to 30 zł za szt + koszty wysyłki. Stuków brak, pasuje idealnie, teraz muszę je przetestować, odezwę się jak zrobię kilka tyś.

- Od: 22 kwi 2008, 11:12
- Posty: 23
- Skąd: Nowy Targ
- Auto: Mazda 6 2019
Mazda 5 2.0 d 2006 7-os
choman napisał(a):Witam. Znalazłem te tulejki. Fitma Tedgum (nr kat.00442202) dopasowała mi z mitsubishi z wahacza przedniego, koszt to 30 zł za szt + koszty wysyłki. Stuków brak, pasuje idealnie, teraz muszę je przetestować, odezwę się jak zrobię kilka tyś.
Witam
choman – Podaj maniary na pw na ten sklep posiadam ten sam problem Tez mi stuka na wahaczech tylnych . Bede wdzięczny za ten namiar
Pozdrawiam.
Piotr
-
pepegr
Kto przegląda forum
Użytkownicy przeglądający ten dział: Brak zidentyfikowanych użytkowników i 2 gości