Schemat elektryczny lamp tylnych.
1, 2
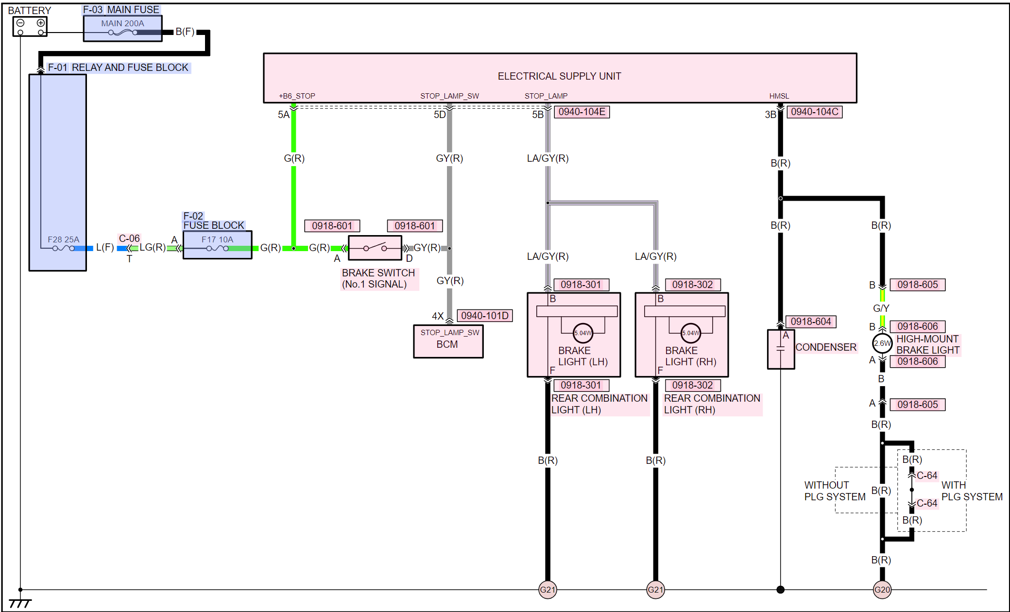
Cześć wszystkim. Może mnie ktoś poratować schematem elektrycznym tylnych lamp LED oczywiście w Maździe cx-30? Głównie chodzi mi jaki ma kolor przewód od STOPU , masy oraz świateł pozycyjnych, a także czy kolor tych przewodów jest taki sam po lewej i po prawej stronie? Pozdrawiam Darek
Cześć,
Mam problem z kamerą w CX30. Podczas naprawy tylnej klapy blacharz zgubił kwadratową wtyczkę do kamery. Nie wiemy jak ją podłączyć. Potrzebuję schemat podłączenia. Wtyczkę sobie wydrukuję.
W Maździe są dwa rodzaje kamer. Częściej można spotkać kamerę na okrągłą wtyczkę z 3 pinami. Nie są zamienne. Kwadratowa jest na 4 piny.
Czy możecie mi pomóc?
Mam problem z kamerą w CX30. Podczas naprawy tylnej klapy blacharz zgubił kwadratową wtyczkę do kamery. Nie wiemy jak ją podłączyć. Potrzebuję schemat podłączenia. Wtyczkę sobie wydrukuję.
W Maździe są dwa rodzaje kamer. Częściej można spotkać kamerę na okrągłą wtyczkę z 3 pinami. Nie są zamienne. Kwadratowa jest na 4 piny.
Czy możecie mi pomóc?

- Od: 1 maja 2021, 10:19
- Posty: 3
- Auto: Mazda3 bp sedan
2019 2.0 mhybrid
Nie bądź taki poprawny politycznie. Naczytałeś się obiegowych opinii i je powtarzasz. Wszystkie zawieszki przy lusterkach też są nie homologowane i "zasłaniają" pole widzenia, a jakoś przez to nikt nikomu nie zakwestionował wypłaty ubezpieczenia. Trochę luzu i mniej spiętej doooopy.
Darunia napisał(a):Nie bądź taki poprawny politycznie.
To nie chodzi o poprawność polityczną. Po prostu masz teraz niesprawny pojazd, który nie powinien przejść badania technicznego i to z 2 powodów:
– masz 4 pozycyjne źródła światła z tyłu, a są dopuszczone 2
– masz niehomologowane źródła światła
Tak samo policjant może Ci zatrzymać dowód i zależy od jego widzimisię umożliwić dalszą jazdę lub nie.
Darunia napisał(a):Naczytałeś się obiegowych opinii i je powtarzasz.
A Ty czego się naczytałeś, że czynisz swój samochód nielegalnym na drodze? A jako kontrargument dajesz "trochę luzu"? Litości.
Darunia napisał(a):Wszystkie zawieszki przy lusterkach też są nie homologowane i "zasłaniają" pole widzenia, a jakoś przez to nikt nikomu nie zakwestionował wypłaty ubezpieczenia. Trochę luzu i mniej spiętej doooopy.
Sorry, ale nie będę się zniżał do argumentów z piaskownicy.
A jeśli chodzi o moje zdanie to jestem przeciwnikiem modyfikacji oświetlenia, nie raz widziałem takie LED-y mrygające potem bo się coś rozlutowało. I tak sobie jedziesz za kimś takim i Ci ciągle miga i rozprasza uwagę. Po prostu po to są przepisy, żeby było bezpieczniej.
Kolejny miszcz z argumentami jedynie słusznymi. Wystarczy powiedzieć, że nie podobają Ci się takie mody i tyle. Już nie raz historia pokazała jak zmieniają się urzędnicze nakazy i zakazy i ich homologacje. Chociażby w temacie trzeciego światła STOP.
W jakim Ty świecie żyjesz? Niehomologowane lampy dopuszczą do użytku? Tu nie chodzi o podobanie się czy nie, samochód nie spełnia wymagań technicznych i nie powinien poruszać się po drogach publicznych. Tyle w temacie.
Poza tym przepisy to nie argumenty. To, jest nielegalna przeróbka i samochód nie powinien przejść badania technicznego na stacji kontroli pojazdów to są fakty, a nie "argumenty jedyne słuszne". Tu nie ma ma miejsca na interpretację czy gust. A to, że na jakiejś tam stacji kontroli pojazdów przy odrobinie szczęścia przejdzie to jedynie mogę nad tym ubolewać, że diagnosta nie dopełnił staranności przy badaniu technicznym (ciężko mieć też żal ponieważ wszystko drożeje, ale badanie technicznie nie).
A jeszcze daj znać czy światła stop też są podwojone i masz 5 świateł stop?
Poza tym przepisy to nie argumenty. To, jest nielegalna przeróbka i samochód nie powinien przejść badania technicznego na stacji kontroli pojazdów to są fakty, a nie "argumenty jedyne słuszne". Tu nie ma ma miejsca na interpretację czy gust. A to, że na jakiejś tam stacji kontroli pojazdów przy odrobinie szczęścia przejdzie to jedynie mogę nad tym ubolewać, że diagnosta nie dopełnił staranności przy badaniu technicznym (ciężko mieć też żal ponieważ wszystko drożeje, ale badanie technicznie nie).
A jeszcze daj znać czy światła stop też są podwojone i masz 5 świateł stop?

Brawo!!!! To teraz wszyscy zdemontujcie klamerki bo też nie mają żadnej homologacji i są nielegalne. Za każdym razem jak nagrywacie obce pojazdy z tablicami rejestracyjnymi wchodzicie w posiadanie czyiś danych osobowych, a i jeszcze proponuję zostać diagnostą lub zatrudnić się w drogówce. Mali ludeczkowie ze smutnym i nudnym życiem. Współczuję, ale nie zazdroszczę ha ha ha.....
No nie wiem kto tu ma smutne życie. Ktoś nie pochwala twojego dzieła, więc jak dziecko strzelasz focha i zaczynasz obrażać innych, bo ośmielili się mieć inne zdanie.
Poza tym, tablice rejestracyjne to nie są dane osobowe...
1, 2
Kto przegląda forum
Użytkownicy przeglądający ten dział: Brak zidentyfikowanych użytkowników i 15 gości
Moderatorzy
Moderatorzy CX-3 / CX-5 / CX-7 / CX-9, Moderatorzy CX-30 / CX-50 / CX-60

