Witam.
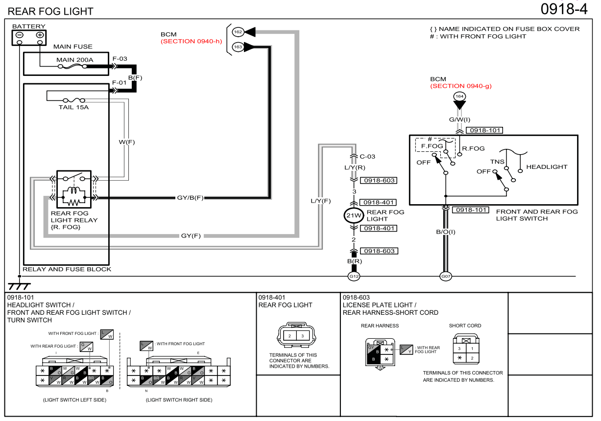
Mam problem z moją "2". Nie świeci mi światło przeciwmgielne tylne, kontrolka na desce rozdzielczej się zapala i świeci cały czas. Sprawdzałem żarówkę, bezpieczniki, przekaźniki. Wszystko wydaje się być w porządku a światła brak. Sprawdzałem żarówkę w drugim aucie i tam świeci aż miło. Nie mam haka ani czujników cofania.
Jakieś pomysły co to może być?
Będę wdzięczny za pomoc
			
			
		Światło przeciwmgielne tył nie świeci – kontrolka świeci
		
				Strona 1 z 1
			
	
	Które światło? Oba? Mierzyłeś napięcie ? Wyjmowałeś lampy? Może kabel zasilający pod zderzakiem się uszkodził?
			
			
		
		
				Strona 1 z 1
			
	
Kto przegląda forum
Użytkownicy przeglądający ten dział: Brak zidentyfikowanych użytkowników i 7 gości

