Swap 2.0 KF ---> 2.5 KL-DE z Ford Probe/626
A to mnie zaskoczyłes że w 626 sygnał o prędkości jest pobierany z aparatu zaplonowego Wkoncu aparat mam taki sam kf34 A w 323f prędkość jest chyba pobierana ze skrzyni i w tym automacie był taki sam czujnik Tylko od czego są jeszcze czujniki w skrzyni automatycznej? I co będzie jak nie będą podpięte?
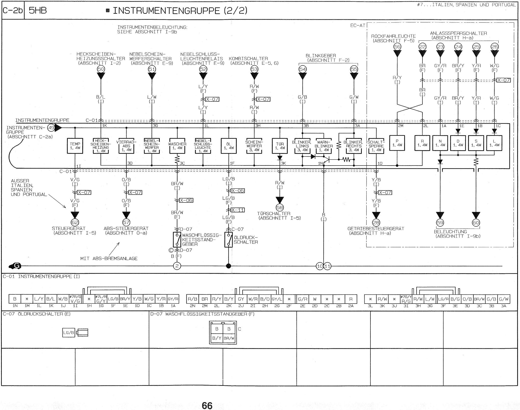
No dokładnie, nie sprawdziłem tego a już radzić chciałem hehe, teraz patrzyłem na schemat z 626 to widzę że trochę namieszałem;/
Po niemiecku TACHOMETR znaczy prędkościomierz a po angielsku obrotomierz:|
Przynajmniej tak jest na schemacie...
Po niemiecku TACHOMETR znaczy prędkościomierz a po angielsku obrotomierz:|
Przynajmniej tak jest na schemacie...
Ostatnio edytowano 27 cze 2016, 20:02 przez corpha76lon, łącznie edytowano 1 raz
Wolałbym nie linkować ale tu się pliku załadować nie da, strona 31.
PIN 1B, 1F do czujnika a 1H do "Modułu sterującego silnikiem" cokolwiek to znaczy
, ale chyba chodzi o kompa bo w automacie idzie do "moduły sterującego skrzynią biegów"
http://wyslijto.pl/files/download/ebopxbbn5y
Link pewno do roku wygaśnie;/
viewtopic.php?f=456&t=43288&start=160
PIN 1B, 1F do czujnika a 1H do "Modułu sterującego silnikiem" cokolwiek to znaczy
http://wyslijto.pl/files/download/ebopxbbn5y
Link pewno do roku wygaśnie;/
być może to masz na licznik kontrolki od biegów, nie wiem jak to wygląda w 626;/ ale u nas takie powinny być, prawa strona 56, 22, 23, 24, 25, 26.Kociak500 napisał(a):Tylko co z innymi czujnikami ze skrzyni?
viewtopic.php?f=456&t=43288&start=160
Kociak500 napisał(a):A gdzie masz schematy do 626? Widziałem wstawiales link do 323 ale do 626 chyba nie
Jeden schemat dodałem:P Schemat samego silnika do 626, w wielkim formacie
Z aparatu zapłonowego co najwyżej mamy sygnał do obrotomierza a nie szybkosciomierza 
Szybkościomierz w większości przypadków dostaje sygnał z układu ABS.
W ASB jest wyjście impulsowe dające sygnał m.in. o prędkości na wyjściu konwertera (to nie to samo co obroty silnika!) co jest konieczne do układu zmiany biegów.
Takie drobne pytanie do Was: w jakim stanie technicznym są te nowe "serduszka" do waszych aut?
Pytam bo .... z grubsza niestety wiem jak może KL wyglądać po tych np. 350kkm na przykładzie swojego X9.
Szybkościomierz w większości przypadków dostaje sygnał z układu ABS.
W ASB jest wyjście impulsowe dające sygnał m.in. o prędkości na wyjściu konwertera (to nie to samo co obroty silnika!) co jest konieczne do układu zmiany biegów.
Takie drobne pytanie do Was: w jakim stanie technicznym są te nowe "serduszka" do waszych aut?
Pytam bo .... z grubsza niestety wiem jak może KL wyglądać po tych np. 350kkm na przykładzie swojego X9.
Ford C-MAX 1.6TDCi & AR 156 2.0TS & Honda Shadow VT1100 C3 Aero ’99
Były:
323F BA Z5 & Xedos 9 KL ’01
Honda Shadow VT1100C2 Sabre ’03
Honda Shadow VT500C '84
Były:
323F BA Z5 & Xedos 9 KL ’01
Honda Shadow VT1100C2 Sabre ’03
Honda Shadow VT500C '84
Ok a to wyjście impulsowe będzie mi dalej potrzebne jak będę miał manualna skrzynie? W manualu też jest taki czujnik?
A w jakim stanie to ciężko stwierdzić jak na silnik 21lat ale KF wcale młodszy nie był
A w jakim stanie to ciężko stwierdzić jak na silnik 21lat ale KF wcale młodszy nie był
Te sygnały ze skrzyni w przypadku manuala nie są do niczego potrzebne. A aby sterownik nie rzucał błędami trzeba mu jedynie zasymulować włączenie biegu N.
Swoją drogą to mając silnik na wierzchu to przynajmniej do zaworka pompy oleju warto popatrzeć byłoby – nie jest to w sumie zbyt wiele zabawy.
U mnie sprężynka tego zaworu była o jakieś 2mm krótsza niż przewidywał producent!
Swoją drogą to mając silnik na wierzchu to przynajmniej do zaworka pompy oleju warto popatrzeć byłoby – nie jest to w sumie zbyt wiele zabawy.
U mnie sprężynka tego zaworu była o jakieś 2mm krótsza niż przewidywał producent!
Ford C-MAX 1.6TDCi & AR 156 2.0TS & Honda Shadow VT1100 C3 Aero ’99
Były:
323F BA Z5 & Xedos 9 KL ’01
Honda Shadow VT1100C2 Sabre ’03
Honda Shadow VT500C '84
Były:
323F BA Z5 & Xedos 9 KL ’01
Honda Shadow VT1100C2 Sabre ’03
Honda Shadow VT500C '84
Mój ma miedzy 200km a 2000km, już nie pamiętam jak mi to gość mówił. A jak jest w rzeczywistości to nigdy się nie dowiemy:P Ale jak sami widzicie na zdjęciach jest naprawdę mało używany.
Pisałem właśnie wyżej skąd ten błąd wyniknął:P Pierony po angielsku a niemiecku inaczej interpretują, dlatego pochrzaniłem
Gdzie on jest i czemu służy? I jakie są konsekwencje krótszej sprężynki? ;]
Marek 161BD081 napisał(a):Z aparatu zapłonowego co najwyżej mamy sygnał do obrotomierza a nie szybkosciomierza
Pisałem właśnie wyżej skąd ten błąd wyniknął:P Pierony po angielsku a niemiecku inaczej interpretują, dlatego pochrzaniłem
Marek 161BD081 napisał(a):Swoją drogą to mając silnik na wierzchu to przynajmniej do zaworka pompy oleju warto popatrzeć byłoby – nie jest to w sumie zbyt wiele zabawy.
U mnie sprężynka tego zaworu była o jakieś 2mm krótsza niż przewidywał producent!
Gdzie on jest i czemu służy? I jakie są konsekwencje krótszej sprężynki? ;]
Kociak500 – odpalanie auta z automatem można zarówno w poz. P jak i N
corpha76lon – jak zdejmiesz miskę to blisko koła pasowego znajdziesz śrubę na klucz ampulowy "10".
Zresztą popatrz do manuala i jest to ładnie pokazane.
Długość i sprężystość sprężynki wpływa na prawidłową wartość ciśnienia oleju smarującego silnik.
Producent przewidział ile ona ma mieć długości (nawet nie podając tolerancji!) więc cała zabawa sprowadza się do zmierzenia jej w stanie wolnym i ew. wymiany. Warto też przy okazji popatrzeć czy tłoczek nie jest podtarty
Koszt tej sprężynki to jest niewielki (20PLN) ale trzeba ją zamawiać np. w serwisie czy sklepach handlujących częściami ori Mazda.
Co ciekawe w Intercars'ie nie mieli czegoś takiego
Twój silnik faktycznie wygląda "zdrowo" więc jest szansa, że ten element masz na 95% we właściwym stanie
corpha76lon – jak zdejmiesz miskę to blisko koła pasowego znajdziesz śrubę na klucz ampulowy "10".
Zresztą popatrz do manuala i jest to ładnie pokazane.
Długość i sprężystość sprężynki wpływa na prawidłową wartość ciśnienia oleju smarującego silnik.
Producent przewidział ile ona ma mieć długości (nawet nie podając tolerancji!) więc cała zabawa sprowadza się do zmierzenia jej w stanie wolnym i ew. wymiany. Warto też przy okazji popatrzeć czy tłoczek nie jest podtarty
Koszt tej sprężynki to jest niewielki (20PLN) ale trzeba ją zamawiać np. w serwisie czy sklepach handlujących częściami ori Mazda.
Co ciekawe w Intercars'ie nie mieli czegoś takiego
Twój silnik faktycznie wygląda "zdrowo" więc jest szansa, że ten element masz na 95% we właściwym stanie
Ford C-MAX 1.6TDCi & AR 156 2.0TS & Honda Shadow VT1100 C3 Aero ’99
Były:
323F BA Z5 & Xedos 9 KL ’01
Honda Shadow VT1100C2 Sabre ’03
Honda Shadow VT500C '84
Były:
323F BA Z5 & Xedos 9 KL ’01
Honda Shadow VT1100C2 Sabre ’03
Honda Shadow VT500C '84
no ale teraz nie rozumie, ta sprężynka fabrycznie może być krótsza czy z czasem eksploatowania sie wyciera? i robi krótsza. Bo szczerze mówiąc nie chce tego ruszać bo jestem pewien że ten silnik nie ma wiecej jak te 2 tys km
U mnie to po prostu chyba "uklepała się" i stąd taka różnica w wymiarze.
Silnik, który ma tylko 2 tys. km to nawet nie jest dotarty więc całkiem prawdopodobne, że wszystko ze sprężynką będzie OK
Silnik, który ma tylko 2 tys. km to nawet nie jest dotarty więc całkiem prawdopodobne, że wszystko ze sprężynką będzie OK
Ford C-MAX 1.6TDCi & AR 156 2.0TS & Honda Shadow VT1100 C3 Aero ’99
Były:
323F BA Z5 & Xedos 9 KL ’01
Honda Shadow VT1100C2 Sabre ’03
Honda Shadow VT500C '84
Były:
323F BA Z5 & Xedos 9 KL ’01
Honda Shadow VT1100C2 Sabre ’03
Honda Shadow VT500C '84
Czołem chłopaczki 
Ja wam powiem tak:
robiłem identyczną przekładkę wszystko poskładałem na osprzęcie od KFa (kolektor ssący, oba wydechowe, egr, obudowe termostatu, wszystkie poduszki, półośki ogólnie tylko goły silnik jest oryginałem KL reszta jest KF)
Mhm musiałem wymienic czujnik położenia wału bo KL miał inną wtyke, egr też( z nim miałem problem bo przy składaniu pomyliły mi sie a nie wiedziałem ktory był od jakiego silnika i niestety trafił mi sie nie ten hah tylko ze to wynikło to dość pozno bo wtyczka mi nie pasowało i musiałem wyjąć silnik bo nie było innego wyjscia zeby go odkręcić xD)
Złożyłem go ze skrzynią od KLa i powiem wam że jest troche dłuższa bo gdy odcinam na dwójce jade jakies 110 a na KF było to 100
sprzęgło też zostawiłem KLa, i w skrzyni tez musiałem wymienić wszystkie czujniki bo były inne kostki ale wszystko pasowało elegancko 
Z osprzętu od KLa mam tylko aparat zapłonowy ponieważ ma on inną sekwencje zapłonu przekładanie kabli na kopułce nic nie daje
po wymianie aparatu trzeba nie dość że zamienić dwa kabelki od czujnika położenia wału to trzeba je przełożyć w inne piny.
Problemy miałem z prawą półośką znaczy z jej mocowaniem bo pasowała jedna śruba, skręciłem to tak i jeżdże juz dobre pół roku i zrobiłem prawie 10 tyś km a cypuje prawie ciągle bo spalanie mam 15 litrow benzynki xD
I pamiętam że jeszcze łapa silnika ktora jest schowana pod rozrządem jest inna od probe była krótsza i przeciągała mi silnik jak ją chciałem skrecic także musi być od KFa.
Kolektor ssący też mialem założony od probe ale po założeniu go między Vrisami czy tam jakimis wspornikami a przegrodą był moze 1 cm luzu po czym stwierdziłem ze nie ma bata ale to bedzie tłuc o przegrodę, i założyłem od KFa. I jeszcze kombinować w dolotem ... a i tak jeden i drugi działa tak samo
Sam osobiście zrezygnowałem z przekładki kompa i całej wiązki bo mowie jak cały sprzęt pasuje to po choy
KLa ma jeszcze czujnik spalania stukowego gdzie ja go nie wykorzystałem bo komp od KF nie obsługuje czegoś takiego. Aha i Probe ma 3 sondy lambda a KF ma dwie.
Ja robiłem jeszcze kapitalny w moim silniku byłem na hamowni to wypluła mi 140 km i 170 nm przy nie otwierających sie klapkach na kolektorze(obłamał sie wężyk) po naprawieniu nie sprawdzałem.
Tak wg to silniczek kocur
Ja wam powiem tak:
robiłem identyczną przekładkę wszystko poskładałem na osprzęcie od KFa (kolektor ssący, oba wydechowe, egr, obudowe termostatu, wszystkie poduszki, półośki ogólnie tylko goły silnik jest oryginałem KL reszta jest KF)
Mhm musiałem wymienic czujnik położenia wału bo KL miał inną wtyke, egr też( z nim miałem problem bo przy składaniu pomyliły mi sie a nie wiedziałem ktory był od jakiego silnika i niestety trafił mi sie nie ten hah tylko ze to wynikło to dość pozno bo wtyczka mi nie pasowało i musiałem wyjąć silnik bo nie było innego wyjscia zeby go odkręcić xD)
Złożyłem go ze skrzynią od KLa i powiem wam że jest troche dłuższa bo gdy odcinam na dwójce jade jakies 110 a na KF było to 100
Z osprzętu od KLa mam tylko aparat zapłonowy ponieważ ma on inną sekwencje zapłonu przekładanie kabli na kopułce nic nie daje
Problemy miałem z prawą półośką znaczy z jej mocowaniem bo pasowała jedna śruba, skręciłem to tak i jeżdże juz dobre pół roku i zrobiłem prawie 10 tyś km a cypuje prawie ciągle bo spalanie mam 15 litrow benzynki xD
I pamiętam że jeszcze łapa silnika ktora jest schowana pod rozrządem jest inna od probe była krótsza i przeciągała mi silnik jak ją chciałem skrecic także musi być od KFa.
Kolektor ssący też mialem założony od probe ale po założeniu go między Vrisami czy tam jakimis wspornikami a przegrodą był moze 1 cm luzu po czym stwierdziłem ze nie ma bata ale to bedzie tłuc o przegrodę, i założyłem od KFa. I jeszcze kombinować w dolotem ... a i tak jeden i drugi działa tak samo
Sam osobiście zrezygnowałem z przekładki kompa i całej wiązki bo mowie jak cały sprzęt pasuje to po choy
Ja robiłem jeszcze kapitalny w moim silniku byłem na hamowni to wypluła mi 140 km i 170 nm przy nie otwierających sie klapkach na kolektorze(obłamał sie wężyk) po naprawieniu nie sprawdzałem.
Tak wg to silniczek kocur

- Od: 4 gru 2014, 22:29
- Posty: 9
- Skąd: Brodnica
- Auto: Mazda 323f 2.0 V6 1995
To słabo zdrowy kf miał 144 KM i 180 nm Mój kl ma 2 sondy i przekladam wszystko kolektory od kl tłumik od kl Tłumik pasuje
Fakt kolektor ssący wchodzi na styk od ściany jest 1 cm luzu ale się zmieścił
U mnie wtyczki od egr są takie same w kf i kl
Czujnik położenia wału tez jest taki sam w kf i kl nawet w probe więc nie wiem czemu Ci nie pasowało
Aparat zapłonowy w kl też jest taki jak w kf (kf34) w probe też jest taki sam
Ja przekladam z całą wiązką więc mi wszystko pasuje ale porównując wtyczki można założyć silnik kl na wiazce od kf i nic nie trzeba zmieniać nie będzie podłączony tylko czujnik spalania stukowego tak jak pisałeś
Ale nie wiem czy to takie dobre jak komp od kf a silnik kl Zbyt dużego przyrostu mocy nie ma
Fakt kolektor ssący wchodzi na styk od ściany jest 1 cm luzu ale się zmieścił
U mnie wtyczki od egr są takie same w kf i kl
Czujnik położenia wału tez jest taki sam w kf i kl nawet w probe więc nie wiem czemu Ci nie pasowało
Aparat zapłonowy w kl też jest taki jak w kf (kf34) w probe też jest taki sam
Ja przekladam z całą wiązką więc mi wszystko pasuje ale porównując wtyczki można założyć silnik kl na wiazce od kf i nic nie trzeba zmieniać nie będzie podłączony tylko czujnik spalania stukowego tak jak pisałeś
Ale nie wiem czy to takie dobre jak komp od kf a silnik kl Zbyt dużego przyrostu mocy nie ma
Dokładnie też nie rozumie sensu takiej przekłądki ;]
Ja tam wszystko podpinam, czujnik spalania stukowego też, bo kompa mam od 626/probe
Trochę mnie teraz przestraszyliście tym centymetrowym luzem;/ nie ma bata, on będzie bił po komorze;/ Kociak ty go pewno szybciej odpalisz ode mnie, sprawdź to od razu:D
Jak możesz to machnij zdjęcie jak to wygląda
Ku*wa, kolejna zagadka, tym razem z impulsatorem skrzyni biegów czyli czujnikiem prędkości. Jutro pokaże o co chodzi, dziś zapomniałem machnąć fotki. Ten silnik mnie zaczyna przerażać:D
Ja tam wszystko podpinam, czujnik spalania stukowego też, bo kompa mam od 626/probe
Trochę mnie teraz przestraszyliście tym centymetrowym luzem;/ nie ma bata, on będzie bił po komorze;/ Kociak ty go pewno szybciej odpalisz ode mnie, sprawdź to od razu:D
Jak możesz to machnij zdjęcie jak to wygląda
Ku*wa, kolejna zagadka, tym razem z impulsatorem skrzyni biegów czyli czujnikiem prędkości. Jutro pokaże o co chodzi, dziś zapomniałem machnąć fotki. Ten silnik mnie zaczyna przerażać:D
Kto przegląda forum
Użytkownicy przeglądający ten dział: Brak zidentyfikowanych użytkowników i 3 gości

