Cieknąca miska olejowa.
Strona 1 z 1
Mam pytanie. Chciałem wymienić ojej wraz z filtrem ale okazało się że miska jest z jednej strony mokra. Wiadomo ze wymiana już nie ma sensu. Mam pytanie. Jak można zdemontować samemu miskę? Z jednej strony zasłania ją skrzynia biegów i nie można dostać się do mocowania. Czy trzeba demontować skrzynię? Jest jakaś alternatywa?
-
kkkk55
Oczyściłeś dokładnie miskę i widzisz miejsce z którego leci? może gdzieś wyżej jest wyciek.
Nie, dokładnie spod uszczelki. Wyżej jest sucho. Sprawdzałem. I to trochę mnie zdziwiło bo wyciek pojawił się praktycznie z dnia na dzień. Trochę dokreciłem śruby. Jakby mniej, ale cieknie z pewnością nadal...
Dopisano 26 maja 2016, 22:50:
Martwi mnie fakt tak paskudnej roboty. Ze skrzynią nie dam sobie rady. Trzeba do mechanika. A wiadomo jak tam jest. Zaraz znajdzie to i tamto. Niby jedna rzecz a zaraz będziesz miał pół auta do wymiany. Byle zarobek miał.
Klocki, tarcze, amory, to wszystko przerabiałem sam. Jakoś poszło. A tu wydaje się że to tylko miska, a na dzień dobry górka. Niby jeden z bardziej dostępnych elementów, a tu niespodzianka. Liczę na jakąś dobrą radę. Może jest jakiś patent? Rura owszem. Nie ma problemu, ale skrzynia?
Dopisano 26 maja 2016, 22:50:
Martwi mnie fakt tak paskudnej roboty. Ze skrzynią nie dam sobie rady. Trzeba do mechanika. A wiadomo jak tam jest. Zaraz znajdzie to i tamto. Niby jedna rzecz a zaraz będziesz miał pół auta do wymiany. Byle zarobek miał.
Klocki, tarcze, amory, to wszystko przerabiałem sam. Jakoś poszło. A tu wydaje się że to tylko miska, a na dzień dobry górka. Niby jeden z bardziej dostępnych elementów, a tu niespodzianka. Liczę na jakąś dobrą radę. Może jest jakiś patent? Rura owszem. Nie ma problemu, ale skrzynia?
-
kkkk55
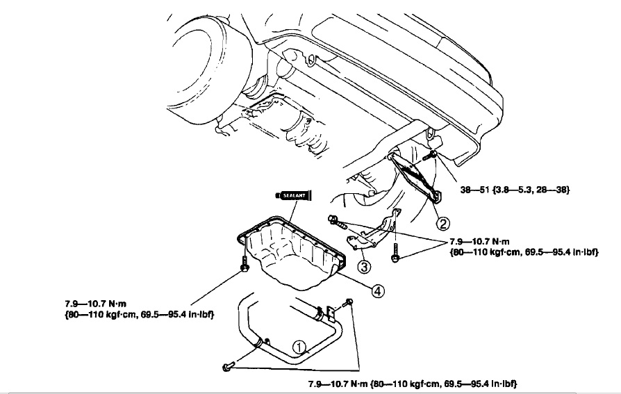
może to coś ci podpowie.
Miska w rzeczywistości jest odwrócona w drugą stronę i wąską częścią wchodzi pod element oznaczony jako 3. Z rysunku wynika że nie trzeba skrzyni demontować. Wystarczy zdemontować nr. 3 który na pierwszy rzut oka wygląda jako całość wraz ze skrzynią.
Fajny rysunek. Nigdzie nie spotkałem się z takim, a właśnie czegoś takiego szukałem.
Jak się uporam z tematem to zrobię fotorelację.
Oczywiście temat nadal jest otwarty. Każdy pomysł jest wart uwagi...
Pozdrawiam.
Fajny rysunek. Nigdzie nie spotkałem się z takim, a właśnie czegoś takiego szukałem.
Jak się uporam z tematem to zrobię fotorelację.
Oczywiście temat nadal jest otwarty. Każdy pomysł jest wart uwagi...
Pozdrawiam.
-
kkkk55
Strona 1 z 1
Kto przegląda forum
Użytkownicy przeglądający ten dział: Brak zidentyfikowanych użytkowników i 3 gości
Moderator
Moderatorzy 6 / 626 / MX-6 / Xedos 6
