Witam po wymianie sprzęgła spotkała mnie niemiła niespodzianka. Otóż po złożeniu całości nie da się uruchomić silnika. Doszedłem do tego, że brak napięcia na przekaźniku wtrysków w głównej skrzynce bezpiecznikowej. Bezpiecznik od wtrysków sprawny. Po zmostkowaniu pinów przekaźnika wszystko działa jak należy. Na czas naprawy akumulator wyjęty więc jakiekolwiek zwarcie nie wchodzi w grę.
W trakcie demontażu i montażu skrzyni żaden przewód nie został przecięty.
Wszystkie wtyczki podpięte.
Więc pytanie, co z tym brakiem napięcia na przekaźniku? Oczywiście zapłon przekręcony.
Brak napięcia na przekaźniku wtrysków
Strona 1 z 1
Bezpieczniki sądzę, że sprawdziłeś dokładnie oraz wszystkie wtyczki i złącza masowe są tam gdzie powinny być?
Jeśli tak to nie pozostaje nic innego jak wziąść miernik i schemat do ręki i patrzeć dlaczego przekaźnik nie jest sterowany (bo zapewne nie masz sterowania przekaźnikiem "Main Relay").
P.S. Tutaj i tak mamy ten komfort, że schematy są dostępne
Jeśli tak to nie pozostaje nic innego jak wziąść miernik i schemat do ręki i patrzeć dlaczego przekaźnik nie jest sterowany (bo zapewne nie masz sterowania przekaźnikiem "Main Relay").
P.S. Tutaj i tak mamy ten komfort, że schematy są dostępne
Ford C-MAX 1.6TDCi & AR 156 2.0TS & Honda Shadow VT1100 C3 Aero ’99
Były:
323F BA Z5 & Xedos 9 KL ’01
Honda Shadow VT1100C2 Sabre ’03
Honda Shadow VT500C '84
Były:
323F BA Z5 & Xedos 9 KL ’01
Honda Shadow VT1100C2 Sabre ’03
Honda Shadow VT500C '84
Bezpieczniki sprawdzone wszystkie.
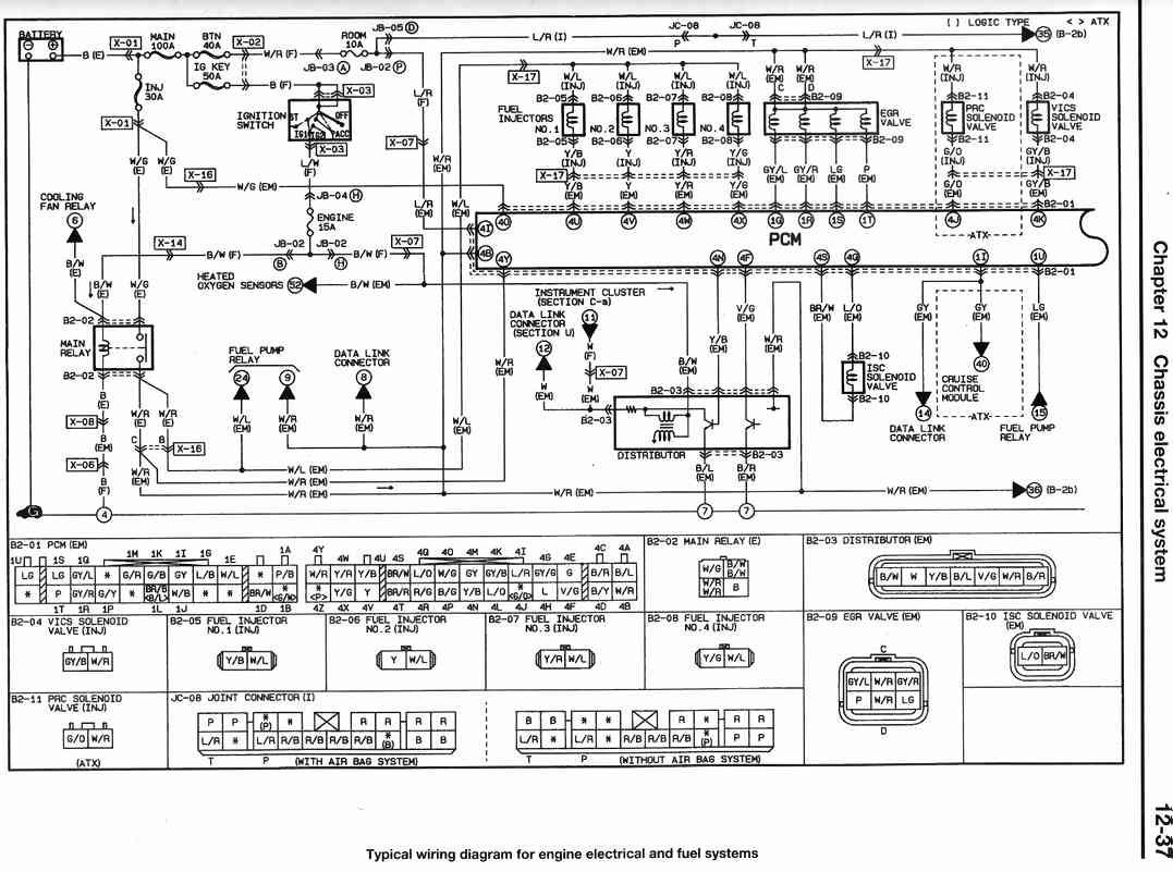
Po pomiarach wychodzi, że + na przekaźniku jest brakuje natomiast masy. Problem w tym, że posiadam schemat przedliftowy.
Dopisano 5 lut 2016, 14:32:
W zaznaczonym miejscu podłącze przewód bezpośrednio do masy bez zbędnego szukania i powinno być ok
Po pomiarach wychodzi, że + na przekaźniku jest brakuje natomiast masy. Problem w tym, że posiadam schemat przedliftowy.
Dopisano 5 lut 2016, 14:32:
W zaznaczonym miejscu podłącze przewód bezpośrednio do masy bez zbędnego szukania i powinno być ok
Schemat poliftowy:
Swoją drogą to tez ten punkt obstawiałem, że nie łączy z jakiegoś powodu.
A schematy są – popatrz na linki w FAQ
Swoją drogą to tez ten punkt obstawiałem, że nie łączy z jakiegoś powodu.
A schematy są – popatrz na linki w FAQ
Ford C-MAX 1.6TDCi & AR 156 2.0TS & Honda Shadow VT1100 C3 Aero ’99
Były:
323F BA Z5 & Xedos 9 KL ’01
Honda Shadow VT1100C2 Sabre ’03
Honda Shadow VT500C '84
Były:
323F BA Z5 & Xedos 9 KL ’01
Honda Shadow VT1100C2 Sabre ’03
Honda Shadow VT500C '84
Dzięki za pomoc. Przyczyną okazał się przerwany przewód masowy tego przekaźnika. W głównej wiązce poprzedni właściciel przeciął ten przewód i podłączył do dokładanego alarmu, jako odcięcie zapłonu.
Zrobił to jednak nieudolnie bo przewody tylko skręcone ze sobą i widocznie przy ruszaniu całą wiązką połączenie zostało przerwane.
Tak więc cała operacja ze sprzęgłem i elektryką rozwiązana- pacjent żyje i ma się dobrze.
Zrobił to jednak nieudolnie bo przewody tylko skręcone ze sobą i widocznie przy ruszaniu całą wiązką połączenie zostało przerwane.
Tak więc cała operacja ze sprzęgłem i elektryką rozwiązana- pacjent żyje i ma się dobrze.
Strona 1 z 1
Kto przegląda forum
Użytkownicy przeglądający ten dział: Brak zidentyfikowanych użytkowników i 3 gości

