Mam pytanie, a nigdzie nie mogę znaleźć nic na ten temat. Chodzi o dach solarny w X9 w wersji z millerem. Może ktoś opisać jak on dokładnie działa, mam u siebie taki przycisk, i nie bardzo go kminię.
Domyślam się, że charge to ładowanie akumulatora z dachu, ale czy mam rację i jaką funkcję pełni przycisk po załączeniu w drugą stronę???
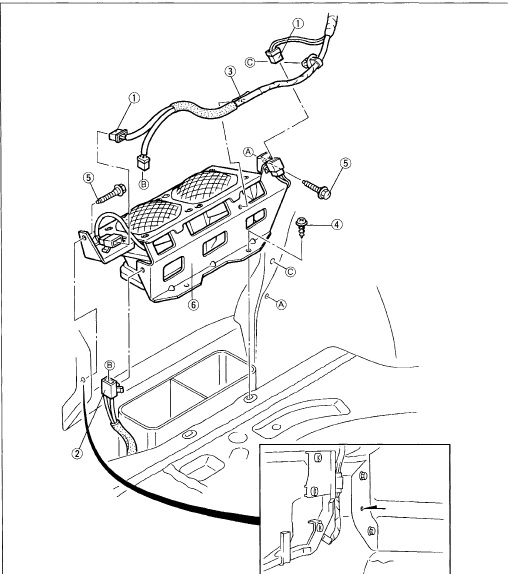
Dach solarny (TA)
Strona 1 z 1

-
Keeper of the Art

- Od: 22 kwi 2012, 17:06
- Posty: 3761 (89/91)
- Skąd: Barlinek
- Auto: Xedos 6 KF 98' – Sprzedany
Xedos 9 KJ 97' – Sprzedany
200SX SR20DET 89'
Chyba nawet nie tylko z millerem ta opcja występowała ale była to niesamowicie rzadka sprawa w wyposażeniu – a szkoda...
Charge to jest ładowanie, a ten samochodzik ze strzałką to była druga opcja czyli wentylacja jeśli w aucie było za ciepło. W bagażniku we wnęce po lewej stronie były wentylatory które się załączały i wentylowały auto.
Takie coś jak poniżej:
Charge to jest ładowanie, a ten samochodzik ze strzałką to była druga opcja czyli wentylacja jeśli w aucie było za ciepło. W bagażniku we wnęce po lewej stronie były wentylatory które się załączały i wentylowały auto.
Takie coś jak poniżej:
Sprzedam większość części do Mazdy Xedos 9 Millenii 2.5 V6 2001 2002


- Od: 16 mar 2009, 21:08
- Posty: 2049 (2/16)
- Skąd: Piotrków Kujawski
- Auto: Była Mazda Xedos 2.0 V6 KF 1994
Jest Mazda Millenia S 2.3 V6 KJ 2001
czyli, żeby czerpać jakąś korzyść z dachu, to przycisk musi być non stop w pozycji charge.
dzięki za szybką odpowiedź
dzięki za szybką odpowiedź

-
Keeper of the Art

- Od: 22 kwi 2012, 17:06
- Posty: 3761 (89/91)
- Skąd: Barlinek
- Auto: Xedos 6 KF 98' – Sprzedany
Xedos 9 KJ 97' – Sprzedany
200SX SR20DET 89'
Korzyści są zawsze, w zimie ładowanie akumulatora a w lecie wentylacja wnętrza w słoneczne upalne dni, przez co nie wchodzisz do auta jak na patelnię...
Don't hate me, i'm just an alien....
Szyderca i wywrotowiec :]
In rock we trust
Szyderca i wywrotowiec :]
In rock we trust
Nie tylko X rozwiązanie znane już w Mazdzie 929
https://www.facebook.com/BippuPoland
https://www.facebook.com/LS4HVIP/
Wsparcie przy wyszukaniu oraz pomoc przy sprowadzeniu części z Japonii
https://www.facebook.com/LS4HVIP/
Wsparcie przy wyszukaniu oraz pomoc przy sprowadzeniu części z Japonii
-
Tomek grupa rozwoju forum

- Od: 11 kwi 2008, 14:18
- Posty: 1813 (55/50)
- Skąd: Olsztyn/Szczytno/obecnie Łódź
- Auto: Lexus LS400 4.0 V8 1998
Mazda6 GG LF`06 2.0 156,5KM@6676RPM 196,3Nm@4218RPM Noblessgrau
była Mazda Xedos 9 TA KL 2001 AT
była Mazda 323f 2.0 V6 BA
była Mazda 323f 1.6 BG
Możliwe że nie będzie z tym problemu. Są dostępne części np. (o zgrozo) z audi, można się z ciekawości pobawić, problem będzie jedynie z samą szybą, trzeba będzie zapewne założyć panel taki jaki się uda kupić, żeby pasował.
Przy okazji można uzyskać większą wydajność ogniw, niż 20 lat temu. Ogniwa w X9 dawały napięcie 6V z tego co czytałem, w sterowniku była jakaś przetwornica zapewne.
Przy okazji można uzyskać większą wydajność ogniw, niż 20 lat temu. Ogniwa w X9 dawały napięcie 6V z tego co czytałem, w sterowniku była jakaś przetwornica zapewne.
Don't hate me, i'm just an alien....
Szyderca i wywrotowiec :]
In rock we trust
Szyderca i wywrotowiec :]
In rock we trust
Strona 1 z 1
Kto przegląda forum
Użytkownicy przeglądający ten dział: Brak zidentyfikowanych użytkowników i 4 gości


