Sam nie jestem w stanie pomóc...ale kibicuję takiej przeróbce
Tak więc trzymam kciuki, może ktoś z Twojej okolicy ogarnia kabelki www.mazdaspeed.pl
Tak więc trzymam kciuki, może ktoś z Twojej okolicy ogarnia kabelki 


pawelc napisał(a):Po pierwsze sterownik do KF-a jest bez imobilajzera ? ,jak tak to sprawa prosta w sumie ,ściągnij sobie 626 Wirning diagram -tam masz schematy sterowania silnikiem od KL-a ,w przypadku KF-a są praktycznie identyczne ,w autodacie znajdziesz rozpiskę pinów w kompie od KF-a ,schematu sterowania silnikiem nie widziałem
Jak poczujesz się na siłach realizować ten projekt to aby nie namieszać za bardzo to masz dwa rozwiązania :
-usunąć oryginalny komp i zabawa ze zgraniem instalacji
-lub zostawić elektrykę jak w oryginale ,dorzucić drugiego kompa tylko do sterowania silnikiem rozwiązanie prostsze i można je zrealizować całkowicie pod maską bez przeciągania kabli z wnętrza


witek napisał(a):Wiązka k8 jest praktycznie taka sama jak w klu, szczególnie ta przed liftem, a masz piękny manual gdzie jest wszystko rozpisane co do pinu![]()
http://www.mx-3.com/manuals/index.php


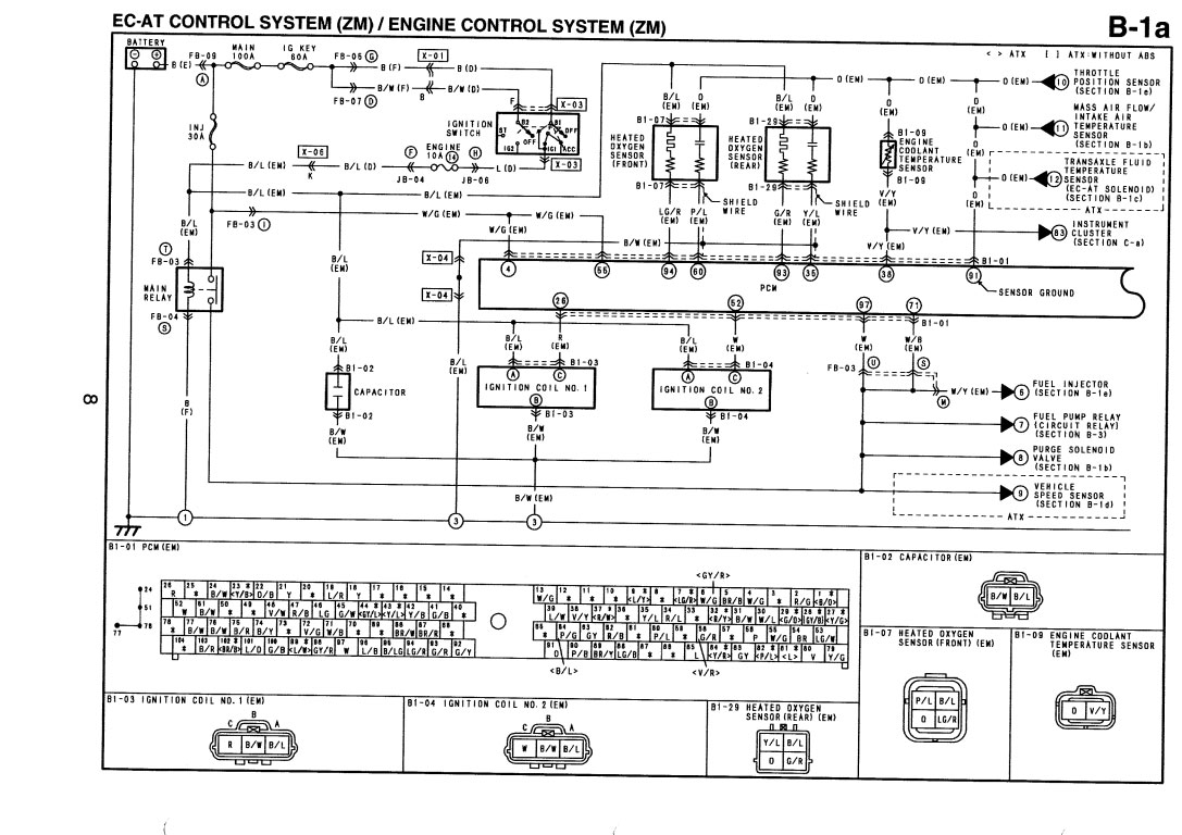
lucky-luciano napisał(a):Nie do końca pomogę, ale może trochę naprowadzę, ponieważ robiłem sam swapa w poprzednim aucie. Wtyczki, które łączą instalację silnika z instalacją budy to tzw. "Control Wiring Harness and Body Wiring Harness Combination". To właśnie w nich znajdują się między innymi kable od zapłonu, sygnału do rozrusznika itp. Wszystko sprowadza się tylko do tego, żeby odnaleźc na diagramach odpowiednie wyjścia i połączyc je z odpowiednimi kablami. Generalnie wydaje się to skomplikowane, ale po fakcie okaże się to po prostu bardzo prosteW przypadku mojego swapa wersja podstawowa (odpalenie silnika) sprowadzała się do podpięcia 3 przewodów – Ignition Swich (zapłon), podania napięcia na ecu i kabla do rozrusznika. Moim zdaniem zostawienie 2 komputerów w Twoim przypadku jest bardzo sensowne, wystarczy na ecu KFa podac zapłon i napięcie, a reszta robi się sama. Oczywiście diagramy elektryczne to podstawa w tym przypadku




lucky-luciano napisał(a):Masz rozpiskę pinów ecu? "Ecu pinouts", bez tego nie podchodziłbym do swapa. Rozrusznik w moim przypadku nie był powiązany bezpośrednio z ecu, więc tutaj nie szukałbym problemu w ogóle – akurat ta częśc elektryki jest banalnie prosta.
Jeśli chodzi o podzespoły. Wszystkie czujniki silnika zostają z KFa, to logiczne, ponieważ na ich podstawie komputer będzie pracował. Reszta, jak rozrusznik, chłodnice, temperatury na zegary zostają z FSa i pracują na starej instalacji. U mnie akurat była taka sytuacja, że jeden czujnik temperatury szedł na ecu, a drugi na zegary, ale nie wiem jak jest w KFie (albo wspólny, albo osobne). Połączenie obu komputerów robisz na pinach Ignition Switch (zapłon) i to powinno wystarczyc.
Masz może schematy elektryczne? Rzuciłbym okiem i może coś by się wyjaśniło konkretnie. W moim przypadku posiadałem takie oto dobro:
witek napisał(a):W kfie to nie problem z czujnikiem temperaturyW serii K są 3 albo dwa czujniki w zależności od roczników, jeden jednopinowy który daje sygnał na zegar i dwa dwupinowe idące do ECU. Odpowiadały za włączenie się wentylatorów no i sygnał dla pracy silnika. W nowszych rocznikach był tylko jeden dwupinowy.
















Użytkownicy przeglądający ten dział: Brak zidentyfikowanych użytkowników i 24 gości
Moderatorzy Tuning i modyfikacje