[Mazda3/Mazda6] Przebudowa oryginalnej nawigacji.

Wszystko o modyfikacjach i budowie nagłośnień naszych aut.

Postprzez paradox_1 » 24 lut 2015, 12:32

Dzięki za odpowiedź :)
Przy otwieraniu muszę przytrzymać przycisk aż otworzy się do końca, jak tylko wcisnę to do końca się nie otwiera. Potencjometrem regulowałem, ale jak zrobię aby do końca się otwierała to przy zamknięciu jest większe uderzenie i navi jeszcze bardziej odbija.
Może to kwestia wrobienia się zawiasów w windzie, w M3 mam plastykowe.
paradox_1
 

Postprzez scorpion10 » 25 lut 2015, 20:13

@kalski44 czy móglbyś jakoś rozrysowac dokładny schemat sterowania poprzez arduino silnikiem oraz ladowaniem tabletu ? Po prostu coś, co można by odtworzyć i na podstawie twoich zmagań zrobic też u siebie. Wlasnie zamowilm juz winde pod Navi i chiałbym zrobic sterowanie na podobnej zasadzie jak twoje, chociaż bby po to by nie uwalić baterii w Tablecie po kilku tygodniach czy też silnika windy. Dlatego prosilbym cie o dokladny schemat, plus jeśli byś mogl gotowy wsad (soft) pod arduino (moze byc na priv). Z góry dzikuje za wszelkie informacje, bo wszystkie sa cenne :–)
Avatar użytkownika
Forumowicz
 
Od: 25 lis 2014, 23:01
Posty: 40
Skąd: Sufczyn k/o Tarnowa
Auto: Mazda 6 2.5 GL Skypassion Biała Perła 2017

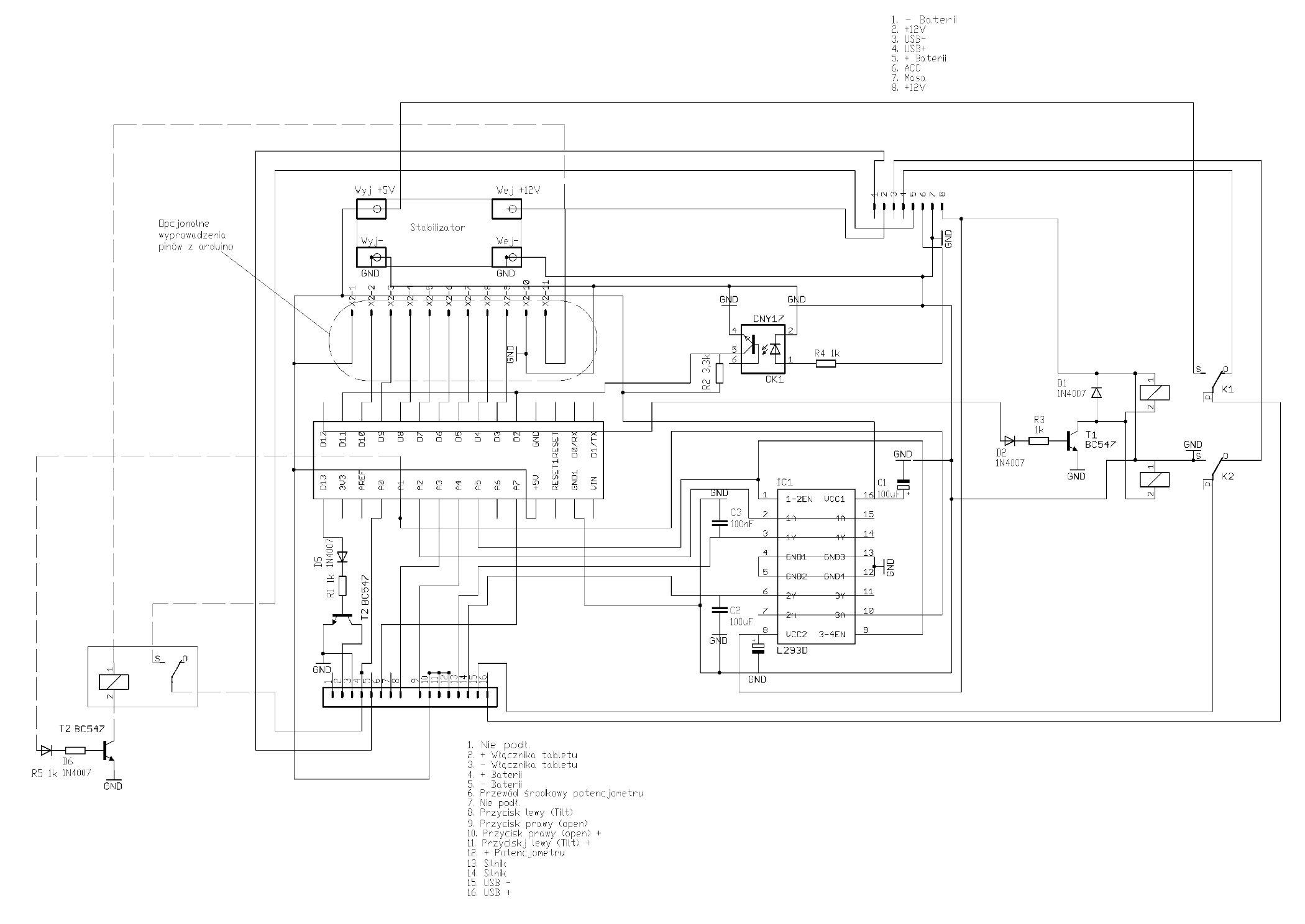
Postprzez kalski44 » 26 lut 2015, 09:40

Schemat może niezbyt czytelny, ale rysowałem go z myślą, żeby układ działał, a nie żeby schemat ładnie wyglądał, a teraz nie chce mi się go od nowa przerysowywać ;).
Przekaźnik po lewej stronie (i połączenia narysowane przerywanymi liniami), to część, której sam jeszcze nie zrobiłem, bo dopiero przedwczoraj stwierdziłem, że połączenie baterii z arduino na stałe (jak było pierwotnie) nie jest najszczęśliwszym rozwiązaniem, więc napięcie z baterii będzie za pośrednictwem tego przekaźnika sprawdzane powiedzmy raz na minutę, a przez resztę czasu bateria będzie całkowicie odłączona od reszty układu. Chwilowo tego nie przetestowałem, bo czekam, aż dotrze do mnie przekaźnik kontaktronowy (chociaż można równie dobrze wykorzystać zwykły, jeśli komuś nie przeszkadza odgłos przełączania co minutę).
Jeśli chodzi o software, to wysłałem tobie wiadomość na PW.
Załączniki
nawigacja - schemat-Model.png
Początkujący
 
Od: 13 wrz 2014, 15:26
Posty: 25
Skąd: Poznań
Auto: Mazda 3 BK 2.0D

Postprzez scorpion10 » 26 lut 2015, 23:18

Jeżeli do po liftu będę miał z windą wyświetlacz radia-klimy z przyciskiem DIM to będzie on do czegoś potrzebny, czy w jakiś sposób będzie działał i spełniał swoje zadanie (myśle że nie) ? Skoro przyciemnianie podświetlenia tablicy jest w po lifcie po lewej stronie kierownicy to chyba DIM może się stać wolnym przyciskiem którego chciałbym wykorzystać np. do wybudzania tabletu, a TILT zostawić funkcję taką jaką powinien pełnić czyli krokowe ustawianie kąta otwarcia ekranu NAVI (Windy). Jeżeli ktoś to już sprawdzał i testował niech potwierdzi, bo ja na obecną chwilę tylko teoretyzuje bo nie wiem jaka wlaściwie funkcje pełni w M6 przed lfitem ten DIM ale mniemam ze przyciemnianie wyświetlacza, ale skoro mam to założyć do po liftu to chyba było by szkoda zostawiać nie wykorzystany Button :–) i dublować już gotową funkcję ?

Dodatkowa prośba to czy ktoś mógł by tu opisać jak dokładnie działa ten potencjometr zastosowany przy silniku windy. Jak nim sterować prawidłowo by można określić pozycje otwarcia i zamknięcia windy navi. Ma wyprowadzone trzy przewody, za co one odpowiadają czy do tych przewodów powinny być dostarczone jakieś napięcia ? czy też działa to na zasadzie odczytu jakieś rezystencji w układzie ? Wydaje mi sie ze do tych własnie przewodów dopięty jest za pośrednictwem jakiegoś układu przycisk TILT który własnie krokowo może otwierać navi, czy też czegoś nie rozumiem ?


Czy ktoś może na forum posiada schemat połączeń PINÓW wyświetlacza (Klimy-Radia) w M6 ? Bo jest problem przy wyświetlaczu z Nawigacją, gdyż dochodzą dodatkowe przyciski i niestety różnią się z tyłu wtyczki zasilające tych wyświetlaczy. Potrzebuje przerobić to połączenie bo zakładam wyświetlacz od Navi w miejsce tego bez Nawigacji. Myślę ze da sie to przerobić, ale potrzebuję scheamtu rozkładu pinów wyświetlacza. Jeżli ktoś posiada takowy schemat to proszę pilnie o informacje z góry dzięki.
Avatar użytkownika
Forumowicz
 
Od: 25 lis 2014, 23:01
Posty: 40
Skąd: Sufczyn k/o Tarnowa
Auto: Mazda 6 2.5 GL Skypassion Biała Perła 2017

Postprzez kalski44 » 6 mar 2015, 07:16

Czy ktoś może na forum posiada schemat połączeń PINÓW wyświetlacza (Klimy-Radia) w M6 ? Bo jest problem przy wyświetlaczu z Nawigacją, gdyż dochodzą dodatkowe przyciski i niestety różnią się z tyłu wtyczki zasilające tych wyświetlaczy. Potrzebuje przerobić to połączenie bo zakładam wyświetlacz od Navi w miejsce tego bez Nawigacji. Myślę ze da sie to przerobić, ale potrzebuję scheamtu rozkładu pinów wyświetlacza. Jeżli ktoś posiada takowy schemat to proszę pilnie o informacje z góry dzięki.

A nie jest to przypadkiem kwestia tego, że masz windę nawigacji od modelu po liftingu?
http://niksideas.blogspot.com/2012/10/h ... -into.html
http://www.google.pl/imgres?imgurl=http ... CAQMygCMAI
Nie sadzę, żeby sam fakt istnienia nawigacji miał wpływ na zmianę wtyczki wyświetlacza (który w żaden sposób z nawigacją połączony nie jest (przyciski do obsługi nawigacji mają przecież osobne wyjście.

Mogę się mylić, bo nie mam mazdy 6, tylko 3, ale generalnie mechanizm i elektronika w obydwu tych samochodach są identyczne a w przypadku m3 wtyczka wyświetlacza (fakt, że zintegrowanego z radiem, a nie z nawigacją) jest inna w zależności od tego, czy auto jest przed, czy po lifcie, a nie czy ma/nie ma nawigacji.
Początkujący
 
Od: 13 wrz 2014, 15:26
Posty: 25
Skąd: Poznań
Auto: Mazda 3 BK 2.0D

Postprzez scorpion10 » 6 mar 2015, 10:31

Niestety winde nawigacji mam z wyswietlaczem z modelu przed liftem i dlatego lipa, nie jest on absolutnie zgodny ten wyswietlacz radia z tym ktory jest juz po lifcie. Musze zatem szukac wyswietlacza klimy i radia z modelu po lifcie i posiadajacego navi. Nie bedzie to chyba latwie ani tez tanie, ale zobaczymy.
Avatar użytkownika
Forumowicz
 
Od: 25 lis 2014, 23:01
Posty: 40
Skąd: Sufczyn k/o Tarnowa
Auto: Mazda 6 2.5 GL Skypassion Biała Perła 2017

Postprzez widmo82 » 6 mar 2015, 12:55

Czy poza Gocleverem 700V jest jeszcze coś z video IN 7" ?
Moderator "3BK" -Paweł
Avatar użytkownika
Moderator
 
Od: 26 paź 2008, 09:23
Posty: 3601 (81/142)
Skąd: Radom
Auto: Mazda3 BK
była: 1,6 Y6 109KM 12.2006
jest: 2.0 LF 150KM 06.2008

Postprzez Yoki » 6 mar 2015, 13:38

Tomek grupa rozwoju forum
Avatar użytkownika
Forumowicz
 
Od: 11 kwi 2008, 14:18
Posty: 1813 (55/50)
Skąd: Olsztyn/Szczytno/obecnie Łódź
Auto: Lexus LS400 4.0 V8 1998

Mazda6 GG LF`06 2.0 156,5KM@6676RPM 196,3Nm@4218RPM Noblessgrau

była Mazda Xedos 9 TA KL 2001 AT
była Mazda 323f 2.0 V6 BA
była Mazda 323f 1.6 BG

Postprzez t34567 » 7 mar 2015, 00:31

Ta z androidem byłaby genialna, gdyby miała 1GB Ramu. Na 512MB o płynności można zapomnieć :/
Avatar użytkownika
Forumowicz
 
Od: 25 lut 2013, 23:04
Posty: 324 (1/6)
Skąd: Stary Sącz
Auto: Mazda 6 Sedan 2.0 Pb 2006 147KM STAG 300 Premium/Hana/ACR01

Postprzez deterns » 14 mar 2015, 20:27

Dla wszystkich dłubaczy w nawigacji Mazdy 3 daje link do schematu całej windy, który znalazłem po długich poszukiwaniach.

http://www.elektroda.pl/rtvforum/download.php?id=661791

Dzięki nie mu przeróbka navi stała się banalna i tania bo cały koszt (przy posiadaniu już tabletu i oczywiście w aucie oryginalnej nawi) wyniósł tylko pare złotych.
Materiały:
1. Tablet Goclever Quantum 700N (7cali, procek 4x 1,3GH, android 4.4.2 – zrootowany, WIFI, BT, GPS – i to na czym mi zależało obsługa kabla OTG)
2. kabel dwużyłowy – ok 20 cm
3. Kabel jednożyłowy – ok 20 cm
4. Dioda IN4007

Ogólnie cała oryginalna elektryka fabrycznej nawigacji została na swoim miejscu, tylko z środka wyrzuciłem sam wyświetlacz razem z całą metalową obudową, zrobiłem (z blachy z starego komputerowego zasilacza) nowe wsporniki na płytkę która była w środku tak aby z przodu zmieścił się tablet. Szerokość tego tabletu trochę są duże więc trzeba było w środku troche pod szlifować z dołu miejsca na śruby. Kiedy już tablet z zdjętą tylną obudową i odciętą baterią się mieścił pozostało tylko zrobić dwużyłowym kabelkiem podpięcie zasilania. Oryginalna nawi ma z tyłu windy cały układ zasilający , który postanowiłem wykorzystać. Więc kabelek baterii tabletu pociągnełem do znajdującej się tam masy i do 3 nóżki tranzystora IC771 na którym jest napięcie 5V. Pozostało tylko włączanie, które przez diodę podpiąłem pod guzik tilt.

Narazie używałem tak przerobionej nawigacji parę razy głośnik tabletu nawet w obudowie daje rade i przy puszczonym radiu słychać komendy głosowe. Internet przez Hotspot z smartfona noi dodatkowo dla zabawy torquepro które łączy się przez BT z OBDII.

Plany dalszej przeróbki aby zwiększyć jeszcze jej funkcjonalność to:
1. Podpięcie tabletu do radia na auxin, niestety nie znalazłem w paru sklepach wtyczki do radia więc pewnie będę musiał kupić przez net.
2. Wykorzystanie kabla OTG – wyprowadzenie i przedłużenie go do HUBA USB który będzie w podłokietniku, Będę go używać do podpinania pendriva z mp3 oraz jako ładowarkę USB, ewentualnie klawiaturki usb którą miałem kupioną razem z tabletem.
3. Przeróbka oryginalnego sterowania nawigacją (koło drążka biegów) pod tablet do czego planuje wykorzystać HUB i jakąś starą klawiaturę. Tu się zastanawiam bo widziałem na youtube airmouse dla androida, nie wiem czy ktoś taką myszkę używał na androidzie? W sklepach nie wiedziałem jak to działa a wywalać kasy na marne też bym nie chciał.
4. Przedłużenie taśmy kamery tabletu i wyciągniecie na zewnątrz tak aby tablet mógł robić za rejestrator jazdy lub/i żeby służyło za kamerę cofania.

Jeżeli ktoś ma jeszcze jakiś pomysł na zwiększenie funkcjonalności lub już w jakiś sposób rozwiązał jakiś punkt z mojej listy do zrobienia to proszę o info.
Początkujący
 
Od: 31 paź 2014, 12:11
Posty: 5 (1/0)
Auto: Mazda 3 bk 2.0l, 150km, 2003 r.

Postprzez Yoki » 14 mar 2015, 21:17

Kamerę cofania od 2 minuty polecam

Tomek grupa rozwoju forum
Avatar użytkownika
Forumowicz
 
Od: 11 kwi 2008, 14:18
Posty: 1813 (55/50)
Skąd: Olsztyn/Szczytno/obecnie Łódź
Auto: Lexus LS400 4.0 V8 1998

Mazda6 GG LF`06 2.0 156,5KM@6676RPM 196,3Nm@4218RPM Noblessgrau

była Mazda Xedos 9 TA KL 2001 AT
była Mazda 323f 2.0 V6 BA
była Mazda 323f 1.6 BG

Postprzez widmo82 » 25 mar 2015, 23:51

Yoki: dzieki za ten filmik:


Potwierdza to fakt, że pod tablet można podpiąć zwykłą chińska kamerke.
Dwie wady:
– trzeba ręcznie uruchamiać obraz. Chyba, że ktoś ma pomysł jak to zautomatyzować.
– skoro usb jest zajete przez kamere to skad ładowanie baterii w tablecie ?;/ kolejny rozgałęźnik zadziała?
Moderator "3BK" -Paweł
Avatar użytkownika
Moderator
 
Od: 26 paź 2008, 09:23
Posty: 3601 (81/142)
Skąd: Radom
Auto: Mazda3 BK
była: 1,6 Y6 109KM 12.2006
jest: 2.0 LF 150KM 06.2008

Postprzez plbubu » 28 mar 2015, 15:43

Witam. ja przedstawię swój pomysł.



Tablet Samsung galaxy Tab 3 7.0 LITE

Kable od wyjscia słuchawkowego (do aux w radiu) i zasilania, puściłem gustownie tyłem w otulinie po padnietym kablu HDMI
Kable wlutowanie w środku.

Mechanizm otwierania zbudowałem ze sprezyny od spinacza i 2 wahaczy od modelu rc.
(potrzeba matką wynalazków)

Tablet wraz z ładowaniem włacza ekran i muzyke
po wyłaczeniu zapłonu włacza się odliczanie 5 sekundowe po czym ekran sie wyłącza muzyka przestaje grac i wszystkie polaczenia t.j wifi bluetooth i gps sie wyłączają.

Tak to trochę spartańsko rozwiązałem ale dla mnie jest ok

na tablecie jest folia matowa na ekran (nie zbiera tak palców)


Obrazek
Obrazek
Obrazek
Avatar użytkownika
Forumowicz
 
Od: 24 lut 2008, 17:51
Posty: 133 (1/1)
Skąd: Niemcy-Nersingen / Tarnów
Auto: 6 2.0 147KM 2007r PB+LPG

Postprzez kulca » 29 mar 2015, 00:10

Super, tez o takim patencie myślałem. Pokaż fotki na same "zawiasy", jak je zrobiłeś. To uruchamianie i wyłączanie to jakaś apka na androida?
Ostatnio edytowano 29 mar 2015, 22:02 przez kulca, łącznie edytowano 1 raz
Avatar użytkownika
Forumowicz
 
Od: 8 sty 2008, 23:38
Posty: 238 (3/1)
Skąd: Sosnowiec
Auto: Mazda 6 GY 2.0 RF-7J 143KM

Postprzez plbubu » 29 mar 2015, 09:08

Auto sleeper do wyłaczania ekranu po zaniku napięcia
https://play.google.com/store/apps/details?id=com.as.powerchecker

Tasker
https://play.google.com/store/apps/details?id=net.dinglisch.android.taskerm
tutaj juz mozna wszystko zautomatyzować

fotki zawiasu zrobię później.
Avatar użytkownika
Forumowicz
 
Od: 24 lut 2008, 17:51
Posty: 133 (1/1)
Skąd: Niemcy-Nersingen / Tarnów
Auto: 6 2.0 147KM 2007r PB+LPG

Postprzez plbubu » 29 mar 2015, 12:22

żeby zrobić dokładniejsze ujecie musiałbym to rozbierać.

Obrazek
Avatar użytkownika
Forumowicz
 
Od: 24 lut 2008, 17:51
Posty: 133 (1/1)
Skąd: Niemcy-Nersingen / Tarnów
Auto: 6 2.0 147KM 2007r PB+LPG

Postprzez kulca » 29 mar 2015, 22:03

spoko, widzę jak zrobione, dzięki za info
Avatar użytkownika
Forumowicz
 
Od: 8 sty 2008, 23:38
Posty: 238 (3/1)
Skąd: Sosnowiec
Auto: Mazda 6 GY 2.0 RF-7J 143KM

Postprzez widmo82 » 31 mar 2015, 18:40

Z moich pomiarów wynika, że w 3BK mieści się tablet o wymiarach max 204,5x111,5
Wybierając tablet do swojej windy, zwróćcie uwagę czy uda się wyśrodkować tablet w otwór windy. W miejscu podłączenia zasilania, wnęka rozszerza się o datkowe 3,7mm co daje nam dodatkowe miejsce na montaż zasilania, ale i tak jest mega ciasno!
Myslałem o Nexusie 2013 ale wg danych ma on 200×114×8,65mm co sprawia, ze na podłaczenie zasilania mam max 8mm. Chyba, że przewierce się przez obudowę i wypuszczę zasilanie na zewnątrzną część windy zyskując dodatkowe ok 5mm. W drugą stronę brakuje 2,5mm=114-111,5 ;/ Już nie mówie o dopasowaniu nowego ekranu w miejscu starego, liczę sie z ewentualną potrzebą podpiłowaniem.

Z mojej strony prośba do osób, które zamontowały np. Nexusa pierwszej generacji, który ma 120mm – jak to zrobiliście? Druga prośba to czy ma ktoś zdjecie podłączenia zasilania do swojego tableta?

EDIT:
Dostałem od usera Garbage1989 fotkę jak wygląda podłączenie zasilania i złacza jack 3,5mm w omawianym Nexusie pierwszej generacji gdzie wymiary to: 198,5x120x10,45mm
:)
IMAG0099.jpg
IMAG0152.jpg
Załączniki
2015-03-30 23.36.21.jpg
wymiary navi mazda 3 bk
Moderator "3BK" -Paweł
Avatar użytkownika
Moderator
 
Od: 26 paź 2008, 09:23
Posty: 3601 (81/142)
Skąd: Radom
Auto: Mazda3 BK
była: 1,6 Y6 109KM 12.2006
jest: 2.0 LF 150KM 06.2008

Postprzez Arek75 » 9 kwi 2015, 12:29

Witam.
A może ktoś podpowiedzieć jakie wymiary powinien mieć tablet/nawigacja żeby się tam zmieścił oczywiście chodzi mi o Mazdę 6.
Gdzieś kiedyś widziałem a teraz nie mogę znaleźć.
Z góry dziękuję za odpowiedz.
Avatar użytkownika
Forumowicz
 
Od: 12 lut 2014, 13:05
Posty: 97 (1/0)
Skąd: Chełm
Auto: Mazda 6 2.0 2003 r.+ LPG

Postprzez Danmazda » 9 kwi 2015, 12:34

Arek75 napisał(a):A może ktoś podpowiedzieć jakie wymiary powinien mieć tablet/nawigacja żeby się tam zmieścił oczywiście chodzi mi o Mazdę 6.

W oryginalną nawigacje wchodzi tablet 7 cali.
Chyba tego szukałeś viewtopic.php?f=28&t=155099
Obrazek
Daniel
Avatar użytkownika
Koordynator Regionów
Przedstawiciel Mazowsza
 
Od: 21 paź 2009, 19:04
Posty: 6380 (52/239)
Skąd: Warszawa
Auto: Mazda 6 GG 2.0 163km/191Nm 2007 rok
Mazda 626 GE FP 1,8 90 km 1996 rok
Opel Omega 2,6 V6 180 km 2002 rok

Kto przegląda forum

Użytkownicy przeglądający ten dział: Brak zidentyfikowanych użytkowników i 20 gości

Moderator

Moderatorzy Tuning i modyfikacje