Dobrzy ludzie.
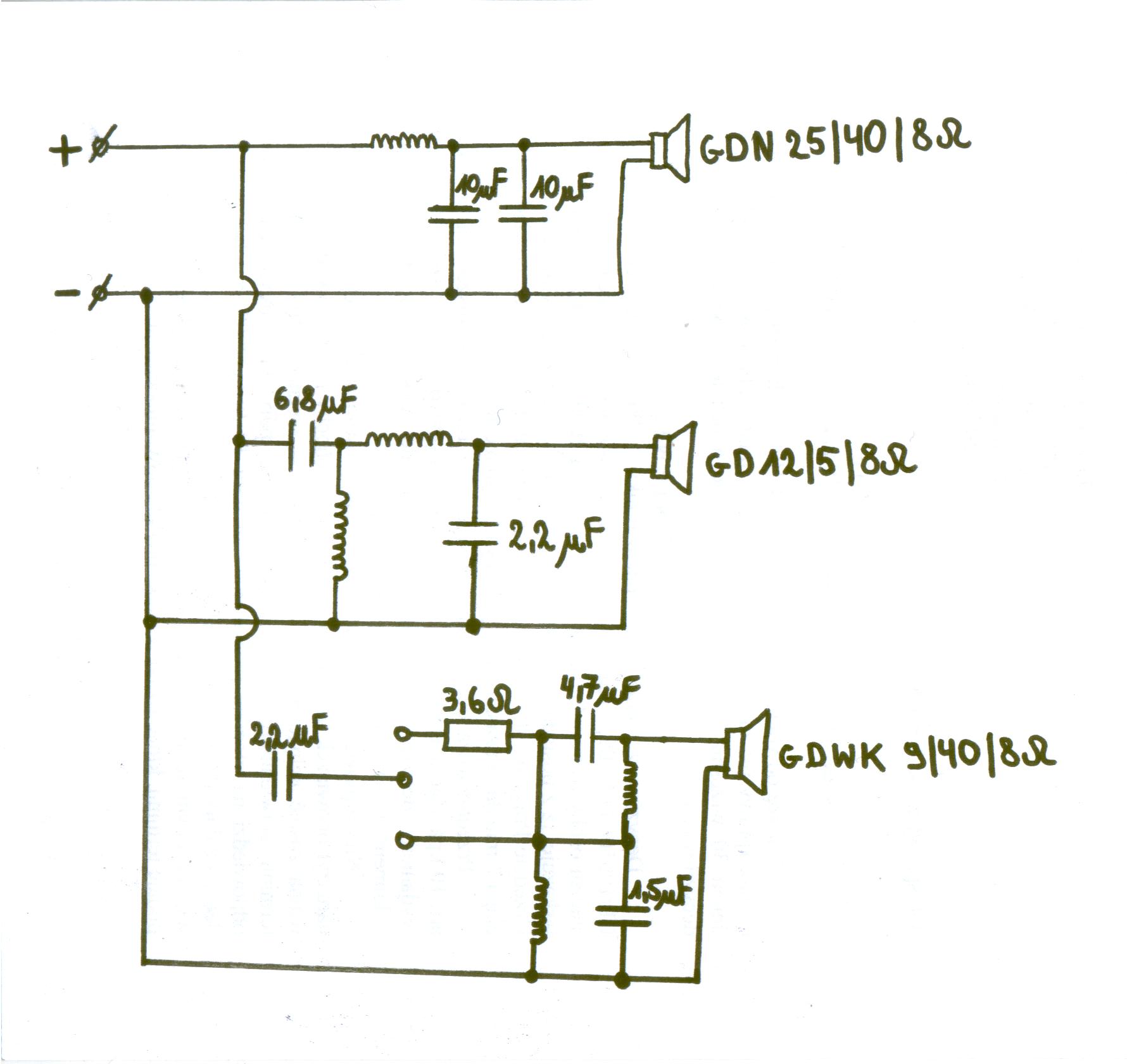
Potrzebuję pomocy od kogoś, kto sprytnie odczytuje schematy elektryczne i łopatologicznie pokieruje mnie w którym miejscu powinienem podłączyć plus i minus (wyjście na wzmacniacz). Bardzo proszę o pomoc.
Najlepiej gdyby ktoś czerwonymi kropkami wskazał mi te punkty.
Załączam zdjęcie zwrotnicy i schemat.
Problem ze zwrotnicą Tonsil ZG40C
Strona 1 z 1
Znajdź na płytce kondensator 6,8uF, kabel co idzie do niego to +. Natomiast – będzie szedł na dwa kondensatory po 10uF
Pozdrawiam,
Xionc Krzysztof :)
Moje byłe: 2 x 323BG | 2 x 323BA | 1 x Xedos6 CA | 1 x Mazda6 GG | 1 x Mazda6 GH | 2 x CX-5
Xionc Krzysztof :)
Moje byłe: 2 x 323BG | 2 x 323BA | 1 x Xedos6 CA | 1 x Mazda6 GG | 1 x Mazda6 GH | 2 x CX-5
Strona 1 z 1
Kto przegląda forum
Użytkownicy przeglądający ten dział: Brak zidentyfikowanych użytkowników i 17 gości
