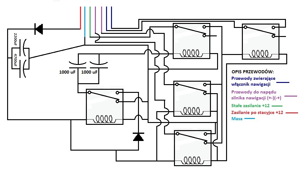
kerfi napisał(a):W tym schemacie górne, prawe oczko przekaźnika, który jest na samym dole powinno być połączone z masą tak?
Kurde faktycznie, przeoczyłem to przy rysowaniu schematu. Kolego kerfi masz rację to oczko powinno być podpięte do masy, gratuluję spostrzegawczości
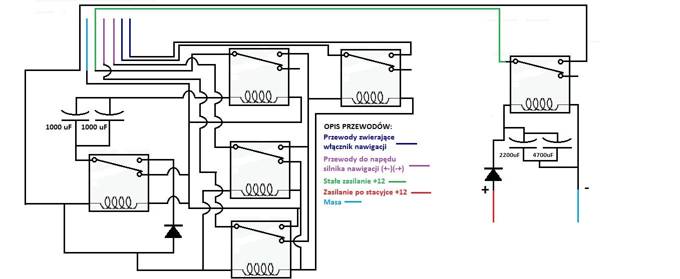
. Schemat poprawię jutro, dziś mi chyba czasu już zbraknie kerfi napisał(a):Gdzie w stacyjce znajdę kabel +12v? Zasilanie stałe +12v wziąłeś z zapalniczki?
Powiem Ci tak, jeśli chodzi o to zasilanie po stacyjce to ja wziąłem je właśnie z zapalniczki a stały plus ja wziąłem akurat ze zdemontowanego wcześniej zestawu do telefonu także miałem łatwiej :–). Musisz wziąć miernik i szukać np. z lewej strony przy bezpiecznikach







