Szyby elektryczne w Maździe 323 BA – usterki, montaż, usprawnienie – wątek wspólny
Na moje oko, to jeśli nie działa cała prawa strona, to wina jest w sterowniku u kierowcy

- Od: 12 paź 2008, 21:43
- Posty: 478 (0/4)
- Skąd: Garwolin
- Auto: 323f BA 1.8 TURBO '96
Może być wina przełącznika w panelu warto by oczyścic styki w nim, zobacz czy ci nie blokuje tej szyby w którymś miejscu

- Od: 19 cze 2011, 14:12
- Posty: 155
- Skąd: Polska
Witam,
O tym głównym przełączniku to macie na myśli ten przycisk co blokuje wszystkie okna oprócz kierowcy?
A sterownik? Jak wygląda i jak się do tego zabrać?
Cały czas mnie męczy fakt że do dołu ta szyba "załapała", po kilku próbach silnik ruszył i szyba poszła w dół.
Znowu zima także nici z grzebania w aucie.
Dziękuję za pomoc.
Pozdrawiam
Łukasz
O tym głównym przełączniku to macie na myśli ten przycisk co blokuje wszystkie okna oprócz kierowcy?
A sterownik? Jak wygląda i jak się do tego zabrać?
Cały czas mnie męczy fakt że do dołu ta szyba "załapała", po kilku próbach silnik ruszył i szyba poszła w dół.
Znowu zima także nici z grzebania w aucie.
Dziękuję za pomoc.
Pozdrawiam
Łukasz


- Od: 8 kwi 2012, 20:48
- Posty: 6
- Skąd: okolice Łukowa
- Auto: Mazda 323F, 1.8 84kw, 1995
Połączyłem kilka tematów w jeden wspólny.
Ford C-MAX 1.6TDCi & AR 156 2.0TS & Honda Shadow VT1100 C3 Aero ’99
Były:
323F BA Z5 & Xedos 9 KL ’01
Honda Shadow VT1100C2 Sabre ’03
Honda Shadow VT500C '84
Były:
323F BA Z5 & Xedos 9 KL ’01
Honda Shadow VT1100C2 Sabre ’03
Honda Shadow VT500C '84
Również mam problem z działaniem szyb,ale tylko pasażera.
Popsuł się przycisk od szyby kierowcy w panelu sterowania szybami,więc postanowiłem zastąpić panel przyciskami uniwersalnymi do szyb.Niestety nie nacieszyłem się długo,szyba pasażera raz działa,a raz nie.Przed wymianą wszystko działało.
Moje pytanie jest takie:Czy wina leży po stronie przełączników,czy może sterowanie szyby pasażera odbywa się jeszcze przez jakiś moduł którego nie widać?
Cyrki są różne z tą szybą,raz działa po wyłączeniu i włączeniu zapłonu,raz po podniesieniu i opuszczeniu szyby kierowcy,a czasem działa bezproblemowo
Winowajcą okazał się przewód idący od oryginalnej kostki w stronę słupka tj. w stronę silnika w drzwiach kierowcy.Wywlokłem kostkę do schowka w drzwiach kierowcy i tak już jeżdżę ponad półtora miesiąca i wszystko działa,dlatego proponuję najpierw posprawdzać przewody.
Jeżeli coś się zacina użyj siły,gdy się złamie to znaczy,że i tak wymagało wymiany :]

- Od: 19 maja 2008, 20:06
- Posty: 248
- Skąd: Kielce
- Auto: Mazda 323f ''96 1.5 Z5 + LPG BRC
Sequent 24
Witajcie,
Czy ktoś ma doświadczenie z modułami domykania szyb w efkach? Mam przedliftową 323F BA 1.8 z 95r, która nie posiada tego modułu, ma natomiast 4 eletryczne szyby i centralny. Chciałbym zamontować alarm i przy okazji naszło mnie na domykanie szyb. Na allegro znalazłem moduły z wersji poliftowej (1.5), dlatego zwracam się z pytaniem, czy da się to dopasować do mojego autka? Ciekawi mnie także czy jest tam gdzieś miejsce o wpięcia, czy trzeba będzie ciąć i lutować kable? Ewentualnie czy ktoś montował jakiś inny moduł i może polecić oraz udzielić jakichś porad?
Czy ktoś ma doświadczenie z modułami domykania szyb w efkach? Mam przedliftową 323F BA 1.8 z 95r, która nie posiada tego modułu, ma natomiast 4 eletryczne szyby i centralny. Chciałbym zamontować alarm i przy okazji naszło mnie na domykanie szyb. Na allegro znalazłem moduły z wersji poliftowej (1.5), dlatego zwracam się z pytaniem, czy da się to dopasować do mojego autka? Ciekawi mnie także czy jest tam gdzieś miejsce o wpięcia, czy trzeba będzie ciąć i lutować kable? Ewentualnie czy ktoś montował jakiś inny moduł i może polecić oraz udzielić jakichś porad?

- Od: 12 lut 2009, 17:16
- Posty: 21
- Skąd: Ustrzyki Dolne / Kraków
- Auto: Mazda 323F BA 1.8 16v '95
Modul bierz od goscia od ktorego bierzesz alarm.Jesli masz szyber dach to musisz zastosowac dwa,jeden na szyby,drugi na dach.
Dopisano 01 kwi 2013 7:31:
Modul bierz od goscia od ktorego bierzesz alarm.Jesli masz szyber dach to musisz zastosowac dwa,jeden na szyby,drugi na dach.
Dopisano 01 kwi 2013 7:31:
Modul bierz od goscia od ktorego bierzesz alarm.Jesli masz szyber dach to musisz zastosowac dwa,jeden na szyby,drugi na dach.
Jeżeli coś się zacina użyj siły,gdy się złamie to znaczy,że i tak wymagało wymiany :]

- Od: 19 maja 2008, 20:06
- Posty: 248
- Skąd: Kielce
- Auto: Mazda 323f ''96 1.5 Z5 + LPG BRC
Sequent 24
Ok dzięki, wezmę chyba remotronixa na 4 szyby (nie mam szyberdachu) i sterownik centralnego na pilota. Ktoś się może orientuje mniej więcej gdzie najlepiej wpiąć moduł domykania szyb? Wiem że sterownik centralki idzie do kostki koło nogi pasażera. Będzie miał osobny sygnał do modułu domykania dlatego zastanawiam się czy można go podłączyć gdzieś niedaleko żeby nie ciągnąć kabli przez całe auto.

- Od: 12 lut 2009, 17:16
- Posty: 21
- Skąd: Ustrzyki Dolne / Kraków
- Auto: Mazda 323F BA 1.8 16v '95
Aju napisał(a):Styk sie nie rozleciał w panelu ? Jest klikniecie przy załączaniu...?
Właśnie u mnie w maździe tak mam, że po naciśnięciu włącznika od szyb na drzwiach (tego lewego od otwierania i opuszczania szyby kierowcy) mam pyknięcie ale lewa szyba się nie opuszcza (z prawą jest wszystko OK).
Dodam, że ten włącznik jest trochę luźny, bo junior się zaczął nim bawić.
Podejrzewam, że to może coś nie styka, może coś się urwało, pękło? Czy da się taki wyłącznik samemu wymienić, jak to wygląda z dostępem do niego, bo mam zamiar to zobaczyć w lewych drzwiach ale jeszcze nie miałem okazji nic tam odkręcać, czy są tam jakieś elementy, na które trzeba uważać przy demontażu?
joust.pl
WARSZTAT TARCZ
WARSZTAT TARCZ

- Od: 28 sty 2007, 22:25
- Posty: 59
- Skąd: Bydgoszcz
- Auto: Mazda 323F BA (1.5 16V 1995r)
Witam.
Mam szybkie pytanie. Zepsuł mi się panel sterujący szybami tzn. przyciski. Moje pytanie: czy panel sterujący czterema szybami będzie pasował do kostki od dwóch szyb? Panele na dwie szyby są dwa razy droższe stąd pytanie.
Z góry dzięki za pomoc.
Mam szybkie pytanie. Zepsuł mi się panel sterujący szybami tzn. przyciski. Moje pytanie: czy panel sterujący czterema szybami będzie pasował do kostki od dwóch szyb? Panele na dwie szyby są dwa razy droższe stąd pytanie.
Z góry dzięki za pomoc.
-
grubyy83
Da radę to podłączyć, ale kostka nie będzie pasować.

- Od: 12 paź 2008, 21:43
- Posty: 478 (0/4)
- Skąd: Garwolin
- Auto: 323f BA 1.8 TURBO '96
Może poprostu przełożyć same przyciski z jednego panelu do drugiego. Da się to zrobić nie uszkadzając ich przy okazji?
-
grubyy83
Przenoszę do właściwego działu i łączę z istniejącym tematem.
Ford C-MAX 1.6TDCi & AR 156 2.0TS & Honda Shadow VT1100 C3 Aero ’99
Były:
323F BA Z5 & Xedos 9 KL ’01
Honda Shadow VT1100C2 Sabre ’03
Honda Shadow VT500C '84
Były:
323F BA Z5 & Xedos 9 KL ’01
Honda Shadow VT1100C2 Sabre ’03
Honda Shadow VT500C '84
Sciagnij boczek (łatwe dosyć) i zobaczysz czy nie zaczepia o coś.
Z zewnątrz raczej niewiele zobaczysz.
Z zewnątrz raczej niewiele zobaczysz.
Ford C-MAX 1.6TDCi & AR 156 2.0TS & Honda Shadow VT1100 C3 Aero ’99
Były:
323F BA Z5 & Xedos 9 KL ’01
Honda Shadow VT1100C2 Sabre ’03
Honda Shadow VT500C '84
Były:
323F BA Z5 & Xedos 9 KL ’01
Honda Shadow VT1100C2 Sabre ’03
Honda Shadow VT500C '84
Sprawdź czy w prowadnicach nie ma jakiegoś syfu który by blokował szybę.

- Od: 15 gru 2011, 12:57
- Posty: 73
- Skąd: Skierniewice
- Auto: 323f BA, 1.5l, '95r
Witam!
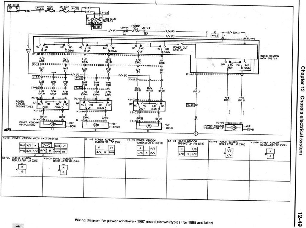
Nabyłem niedawno przełącznik sterowania el. szybami. na 4 drzwi, w mojej maździe oryginalnie miałem na 2 drzwi (nie moglem kupić nigdzie do 2 drzwi to kupiłem do 4). Problem jest taki że nie wiem jak podłączyć przewody do nowego gniazda, nie wiem gdzie jaki przewód podłączyć.
Pozwoliłem sobie oznaczyć piny starej (1a,2a,3a...) i nowej (1b,2b,3b...) kostki.
Prosiłbym o przyporządkowanie pinów abym mógł podłączyć bez ryzyka upalenia nowo nabytego przełącznika, ewentualnie podpisania pinów za co odpowiadają abym w przyszłości gdybym chciał zamontować z tyłu el. szyby
w załączniku dodałem również schemat ale nie rozumiem go może przyda się do rozszyfrowania pinów.
http://tufotki.pl/ZKT7U
Pozdrawiam!
EDIT by Marek:
Przeniosłem fotki na serwer MS aby nie zginęły
Nabyłem niedawno przełącznik sterowania el. szybami. na 4 drzwi, w mojej maździe oryginalnie miałem na 2 drzwi (nie moglem kupić nigdzie do 2 drzwi to kupiłem do 4). Problem jest taki że nie wiem jak podłączyć przewody do nowego gniazda, nie wiem gdzie jaki przewód podłączyć.
Pozwoliłem sobie oznaczyć piny starej (1a,2a,3a...) i nowej (1b,2b,3b...) kostki.
Prosiłbym o przyporządkowanie pinów abym mógł podłączyć bez ryzyka upalenia nowo nabytego przełącznika, ewentualnie podpisania pinów za co odpowiadają abym w przyszłości gdybym chciał zamontować z tyłu el. szyby
w załączniku dodałem również schemat ale nie rozumiem go może przyda się do rozszyfrowania pinów.
http://tufotki.pl/ZKT7U
Pozdrawiam!
EDIT by Marek:
Przeniosłem fotki na serwer MS aby nie zginęły
Ostatnio edytowano 15 paź 2015, 13:33 przez Marek 161BD081, łącznie edytowano 1 raz
Powód: Przeniesienie obrazków na serwer MS
Powód: Przeniesienie obrazków na serwer MS

- Od: 20 lip 2011, 09:00
- Posty: 23
- Skąd: Częstochowa
- Auto: Mazda 323F 1,5 16v 97r
jak dla mnie z zdjecia wynika że
b5 i b6 szyba kierowcy
b10 i b11 pasażer
1b i 2b tył lewa strona
3b i 4b tył prawa strona
8b +
9b –
a wstarej kostce
4a i5a to zasilanie
1a i 3a szyba
2a 6a szyba
można to podłączyć na krótko i sprawdzić
b5 i b6 szyba kierowcy
b10 i b11 pasażer
1b i 2b tył lewa strona
3b i 4b tył prawa strona
8b +
9b –
a wstarej kostce
4a i5a to zasilanie
1a i 3a szyba
2a 6a szyba
można to podłączyć na krótko i sprawdzić
Kto przegląda forum
Użytkownicy przeglądający ten dział: Brak zidentyfikowanych użytkowników i 4 gości

