Układ chlodzenia
1, 2
Witam czy ktoś z szanownych użytkowników cx5 miał już taki problem, mianowicie auto mi wyrzuca płyn z chłodnicy do zbiornika lecz ten płyn już nie wraca do chłodnicy w następstwie czego wiatrak chodzi bez przerwy co jest uciążliwe dla uszu i dla auta że względu na wyskakujący komunikat o wysokiej temp. płynu chłodzącego proszę o porade silnik 2.2 diesel 175ps automat 2014 rok stan licznika 104tys

- Od: 25 sie 2019, 23:27
- Posty: 2
- Auto: Mazda cx5 2.2 diesel
Witam po długiej nieobecności termostat wymieniony płyn wymieniony i problem został z tym że auto traci ogrzewanie już nie wiem co można zrobić. Czy u was też tak jest ze jak auto odpalone to z wezyka od chłodnicy do zbiornika tamtędy cały czas powietrze leci czy u was jest tak samo czy to u mnie jest jakiś problem
Dopisano 29 Oct 2019, 14:02:
I w związku z tym jest niemożliwe odpowietrzenie układu bo co zaleje chłodnice do pełna nawet na otwartym korku z chłodnicy cały czas wydostaja się bombelki powietrza lecz w płynie brak śladu oleju co było by przyczyną uszkodzonej uszczelki dodam że to mój pierwszy Japończyk wcześniej jeździłem autami z zamkniętym obiegiem a nie takim jak tu. I jeszcze jedno pytanie jak to jest możliwe że auto zaciąga płyn ze zbiornika skoro w korku od chłodnicy jest sprężyna która otwiera korek tylko przy pewnym ciśnieniu w układzie więc na moją głowę on otwiera się tylko w jedną stronę kompletnie tego nie rozumie
Dopisano 29 Oct 2019, 14:02:
I w związku z tym jest niemożliwe odpowietrzenie układu bo co zaleje chłodnice do pełna nawet na otwartym korku z chłodnicy cały czas wydostaja się bombelki powietrza lecz w płynie brak śladu oleju co było by przyczyną uszkodzonej uszczelki dodam że to mój pierwszy Japończyk wcześniej jeździłem autami z zamkniętym obiegiem a nie takim jak tu. I jeszcze jedno pytanie jak to jest możliwe że auto zaciąga płyn ze zbiornika skoro w korku od chłodnicy jest sprężyna która otwiera korek tylko przy pewnym ciśnieniu w układzie więc na moją głowę on otwiera się tylko w jedną stronę kompletnie tego nie rozumie

- Od: 25 sie 2019, 23:27
- Posty: 2
- Auto: Mazda cx5 2.2 diesel
Jak lecą bąbelki, to zapewne dostają się spaliny / powietrze do układu. W takim przypadku węże od chłodzenia (podczas pracy silnika) powinny być bardzo twarde. Jak ciśnienie jest już za duże, to płyn (lub po pewnym czasie samo powietrze) są przerzucane do zbiorniczka zapasowego. A potem już nie wracają, bo wspomniane ciśnienie nie maleje, a rośnie. Po pewnym czasie w układzie zostaje już praktycznie samo powietrze, chłodzenia / grzania brak.
Stawiam na uszczelkę, ta może paść na kilka różnych sposobów i nie koniecznie będzie olej w płynie chłodniczym.
Stawiam na uszczelkę, ta może paść na kilka różnych sposobów i nie koniecznie będzie olej w płynie chłodniczym.

- Od: 14 cze 2006, 01:01
- Posty: 3172 (50/165)
- Skąd: UK - Worcs, PL - Rzeszow
- Auto: 1. Mazda CX60 KH PHEV
2. Mazda 3 BM Skyactiv-D
Witam miałem taki sam problem, płyn po rozszerzeniu wypływał do zbiornika wyrównawczego i nie wracał, i zacząłem od prostego rozwiązania wymieniłem dekiel chłodnicy na nowy i na razie wszystko ok! zrobiłem już z 300km ! jeszcze tylko mocniejsza jazda po autostradzie ze stałą prędkością 140km/h i będę wiedział czy mam przedmuchy do układu chłodzenia czy tylko dekiel zdefektował! dekiel kosztował 20 zł.

- Od: 16 lis 2019, 13:47
- Posty: 3
- Auto: Mazda CX-5
Skyaktiv
2.2 Diesel
150KM
Ja miałem problem z korkiem od chłodnicy w 6 GG (2003 Diesel) i tam objawy były inne.
Nic się złego nie działo oprócz faktu ciągłego dolewania płynu. Szukałem nieszczelności z rok, problem w magiczny sposób ustąpił po zmianie korka.
Nic się złego nie działo oprócz faktu ciągłego dolewania płynu. Szukałem nieszczelności z rok, problem w magiczny sposób ustąpił po zmianie korka.

- Od: 14 cze 2006, 01:01
- Posty: 3172 (50/165)
- Skąd: UK - Worcs, PL - Rzeszow
- Auto: 1. Mazda CX60 KH PHEV
2. Mazda 3 BM Skyactiv-D
Nie chcąc zakładać nowego wątku (nie znalazłem odpowiedzi na to pytanie) zapytam:
Czy w zbiorniczku wyrównawczym układu chłodzenia dokręcamy korek/zakrętkę na maxa aż do przeskoczenia korka pod sam koniec czy zakręcamy go tak mniej więcej do połowy, żeby zakrętka luźno chodziła lewo-prawo, ale nie dało rady jej zerwać do góry?
Dolewalem płynu chlodniczego, zakręciłem zbiorniczek na maksa i zaczęła wyskakiwać mi kontrolka błędu silnika po przejechaniu kilkuset metrów. Aku zresetowalem i się już błąd nie pojawia.
Układ działa prawidłowo. Mazda 3 bk 2.0 2004 r.
Czy w zbiorniczku wyrównawczym układu chłodzenia dokręcamy korek/zakrętkę na maxa aż do przeskoczenia korka pod sam koniec czy zakręcamy go tak mniej więcej do połowy, żeby zakrętka luźno chodziła lewo-prawo, ale nie dało rady jej zerwać do góry?
Dolewalem płynu chlodniczego, zakręciłem zbiorniczek na maksa i zaczęła wyskakiwać mi kontrolka błędu silnika po przejechaniu kilkuset metrów. Aku zresetowalem i się już błąd nie pojawia.
Układ działa prawidłowo. Mazda 3 bk 2.0 2004 r.
Podepnę się pod ten wątek 
Jestem nowym użytkownikiem i pojawił sie problem z wyrzucaniem płynu na silnik.
Problem pojawia się przy jeździe powyżej 160km/h lub przekraczając 3500obr/min.
w Serwisie odpowietrzyli układ i stwierdzili ze wszystko juz jest OK, po przejechaniu 100km na autostradzie dalej wyrzuca płyn ze zbiornika wyrównawczego (tak mi się wydaje).
\Dlaczego się zapowietrza i zalewa na full zbiornik wyrównawczy płynem?
Jestem nowym użytkownikiem i pojawił sie problem z wyrzucaniem płynu na silnik.
Problem pojawia się przy jeździe powyżej 160km/h lub przekraczając 3500obr/min.
w Serwisie odpowietrzyli układ i stwierdzili ze wszystko juz jest OK, po przejechaniu 100km na autostradzie dalej wyrzuca płyn ze zbiornika wyrównawczego (tak mi się wydaje).
\Dlaczego się zapowietrza i zalewa na full zbiornik wyrównawczy płynem?

- Od: 30 sie 2020, 13:00
- Posty: 4
- Auto: CX=5 2,2 diesel 184KM
Jakby ktoś był zainteresowany jaki był finał naprawy w Serwisie Mazdy w Niemczech :
Stwierdzono uszkodzony tłok w drugim cylindrze pompy ukł. chłodzącego.
Usterka okazała się jedną z pierwszych w tym modelu, więc Mazda zażyczyła sobie całej sesji fotograficznej, zebrało się konsylium "inżynierów" mazdy i dziwowali się jak to się stało
.
Tłok i jego resztki przeleciały przez cały układ i zablokowały go, co doprowadziło do podniesienia ciśnienia i wywalania płynu chłodniczego na silnik. koszt bez gwarancji ok 1300 euro.
Stwierdzono uszkodzony tłok w drugim cylindrze pompy ukł. chłodzącego.
Usterka okazała się jedną z pierwszych w tym modelu, więc Mazda zażyczyła sobie całej sesji fotograficznej, zebrało się konsylium "inżynierów" mazdy i dziwowali się jak to się stało
Tłok i jego resztki przeleciały przez cały układ i zablokowały go, co doprowadziło do podniesienia ciśnienia i wywalania płynu chłodniczego na silnik. koszt bez gwarancji ok 1300 euro.

- Od: 30 sie 2020, 13:00
- Posty: 4
- Auto: CX=5 2,2 diesel 184KM
Witam
Mam dokładnie ten sam problem
Czy po wymianie pompy wody w serwisie problem ustąpił? Co się stało z układem został przeczyszczony i odetkany przez serwis.?
Mam dokładnie ten sam problem
Czy po wymianie pompy wody w serwisie problem ustąpił? Co się stało z układem został przeczyszczony i odetkany przez serwis.?
Witam!
By nie zakladac kolejnego tematu podepne sie tutaj.
U mojej mazdy CX5 ubywa plynu chlodniczego. Pierwsza mysl to ze jest problem z uszczelka pod glowica. Pojechalem do dwoch mechanikow i obaj po zrobieniu testu powiedzieli ze niestety uszczelka.
Wymienilem uszczelke, ale problem nie zniknal. Ciagle ubywa plynu i auto kopci na bialo chyba bardziej niz powinno. Gdzies wyczytalem ze to bedzie problem z chlodnica EGR. Czy jest jakis sposob zeby sie przekonac na 100% ze tam tkwi problem? Nie chce wymieniac kolejnej czesci bez potrzeby, bo koszty nie male.
By nie zakladac kolejnego tematu podepne sie tutaj.
U mojej mazdy CX5 ubywa plynu chlodniczego. Pierwsza mysl to ze jest problem z uszczelka pod glowica. Pojechalem do dwoch mechanikow i obaj po zrobieniu testu powiedzieli ze niestety uszczelka.
Wymienilem uszczelke, ale problem nie zniknal. Ciagle ubywa plynu i auto kopci na bialo chyba bardziej niz powinno. Gdzies wyczytalem ze to bedzie problem z chlodnica EGR. Czy jest jakis sposob zeby sie przekonac na 100% ze tam tkwi problem? Nie chce wymieniac kolejnej czesci bez potrzeby, bo koszty nie male.
Tytułem wstępu mogę tylko napisać, że taki użytkownik, który potrafi najpierw poszukać i napisać pierwszą wiadomość tam, gdzie trzeba, jest na wagę złota.
I w związku z tym z chęcią postaram się pomóc
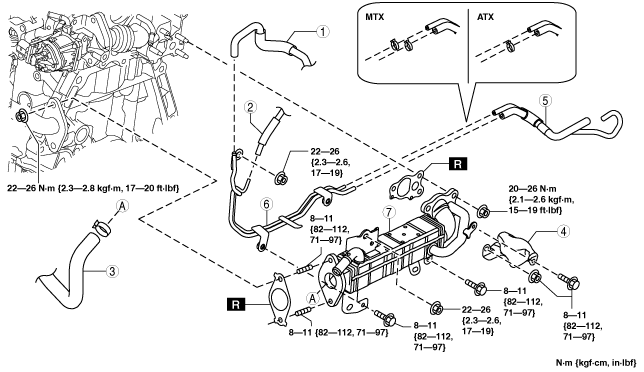
Z powyższego widać, że chłodnica EGR m 2 uszczelki, ta łącząca z blokiem (czy tam kolektorem wydechowym) ma 2 oczka – na spaliny i ciecz chłodzącą. Aczkolwiek nie wyobrażam sobie jak spory musiał by być ten wyciek w samej chłodnicy EGR, żeby cała ta ciecz przeleciała przez EGR / kolektor dolotowy aż do komory spalania. Nie wspominając o syfie jaki by twożył się po drodze. Ale jeśli tak właśnie jest, to możesz zaślepić chłodnicę EGR na jej wyjściu – jest to 10 min roboty. Płynu uciekać nie przestanie, ale przynajmniej auto powinno przestać dymić na biało. Trochę bardziej skomplikowaną czynnością będzie demontaż chłodnicy i wymiana pierwszej uszczelki. Jeśli tam ciekło, to będą ślady. Momenty masz na schemacie, wystarczy godzina i po robocie.
Inna opcja, to (tfu, tfu) pęknięta głowica lub blok, ale tego nie życzę nikomu.
I w związku z tym z chęcią postaram się pomóc
Z powyższego widać, że chłodnica EGR m 2 uszczelki, ta łącząca z blokiem (czy tam kolektorem wydechowym) ma 2 oczka – na spaliny i ciecz chłodzącą. Aczkolwiek nie wyobrażam sobie jak spory musiał by być ten wyciek w samej chłodnicy EGR, żeby cała ta ciecz przeleciała przez EGR / kolektor dolotowy aż do komory spalania. Nie wspominając o syfie jaki by twożył się po drodze. Ale jeśli tak właśnie jest, to możesz zaślepić chłodnicę EGR na jej wyjściu – jest to 10 min roboty. Płynu uciekać nie przestanie, ale przynajmniej auto powinno przestać dymić na biało. Trochę bardziej skomplikowaną czynnością będzie demontaż chłodnicy i wymiana pierwszej uszczelki. Jeśli tam ciekło, to będą ślady. Momenty masz na schemacie, wystarczy godzina i po robocie.
Inna opcja, to (tfu, tfu) pęknięta głowica lub blok, ale tego nie życzę nikomu.

- Od: 14 cze 2006, 01:01
- Posty: 3172 (50/165)
- Skąd: UK - Worcs, PL - Rzeszow
- Auto: 1. Mazda CX60 KH PHEV
2. Mazda 3 BM Skyactiv-D
Dzieki za szybka odpowiedz.
Uszczelka i sama glowica byla planowana 16miesiecy temu wiec to juz mam za soba.
Dymienie auta mi nie przeszkadza bardziej boje sie ze przez to ze ten plyn gdzies ubywa moze to narobic wiekszysz szkod. Jak wiesz Mazda cx5 nie ma wskaznika temperatury, dolewam plynu regularnie +– 250mil na tydzien.
Czyli wedlug ciebie dobry mechanik jest w stanie ocenic czy nalezy wymienic cala chlodnice czy tylko uszczelke? I czy jak cieklo na uszczelce to nie byloby widocznych sladow ktore mozna zauwazyc szukajac wycieku?
Uszczelka i sama glowica byla planowana 16miesiecy temu wiec to juz mam za soba.
Dymienie auta mi nie przeszkadza bardziej boje sie ze przez to ze ten plyn gdzies ubywa moze to narobic wiekszysz szkod. Jak wiesz Mazda cx5 nie ma wskaznika temperatury, dolewam plynu regularnie +– 250mil na tydzien.
Czyli wedlug ciebie dobry mechanik jest w stanie ocenic czy nalezy wymienic cala chlodnice czy tylko uszczelke? I czy jak cieklo na uszczelce to nie byloby widocznych sladow ktore mozna zauwazyc szukajac wycieku?
Łatwego dostępu do uszczelki nie ma, więc ciężko ocenić bez demontażu. Poza tym jak cieknie na uszczelce to do wewnątrz (bo w końcu ciecz się spala) a nie na zewnątrz – tam może być wszystko idealnie.
Przy odrobinie chęci mechanik może wyjąć chłodnicę, zatkać wejście cieczy (gumowy oring i kawałek blachy z otworami w odpowiednim miejscu i nabić ciśnienia na wyjściu – wystarczy elestyczny wąż i pompka z zegarem. Jak będzie przedmuch, to diagnoza będzie szybka, bo będzie uciekać i wówczas chłodnica do wymiany.
Innej opcji nie widzę, chyba że wymiana w ciemno.
Przy odrobinie chęci mechanik może wyjąć chłodnicę, zatkać wejście cieczy (gumowy oring i kawałek blachy z otworami w odpowiednim miejscu i nabić ciśnienia na wyjściu – wystarczy elestyczny wąż i pompka z zegarem. Jak będzie przedmuch, to diagnoza będzie szybka, bo będzie uciekać i wówczas chłodnica do wymiany.
Innej opcji nie widzę, chyba że wymiana w ciemno.

- Od: 14 cze 2006, 01:01
- Posty: 3172 (50/165)
- Skąd: UK - Worcs, PL - Rzeszow
- Auto: 1. Mazda CX60 KH PHEV
2. Mazda 3 BM Skyactiv-D
1, 2
Kto przegląda forum
Użytkownicy przeglądający ten dział: Brak zidentyfikowanych użytkowników i 2 gości
Moderatorzy
Moderatorzy CX-3 / CX-5 / CX-7 / CX-9, Moderatorzy CX-30 / CX-50 / CX-60
