tamburyn napisał(a):A to był durny zbiorniczek płynu wspomagania, który drgał przy każdej okazji i obijał o zbiornik płynu do spryskiwaczy
co zrobiłeś z nim ?
www.mazdaspeed.pl
tamburyn napisał(a):A to był durny zbiorniczek płynu wspomagania, który drgał przy każdej okazji i obijał o zbiornik płynu do spryskiwaczy
marcin255 napisał(a):tamburyn napisał(a):A to był durny zbiorniczek płynu wspomagania, który drgał przy każdej okazji i obijał o zbiornik płynu do spryskiwaczy
co zrobiłeś z nim ?


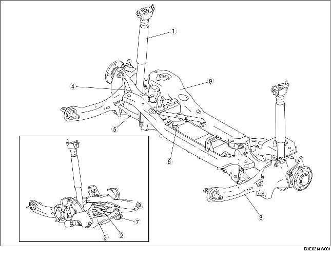
marcin255 napisał(a):Byłem na "trzepaniu " padł silentblock – tuleja wahacza przedniego tylna , kupiłem Febi FE32418 , zobaczymy czy po wymianie ucichnie ten niby tył

marcin255 napisał(a):marcin255 napisał(a):Byłem na "trzepaniu " padł silentblock – tuleja wahacza przedniego tylna , kupiłem Febi FE32418 , zobaczymy czy po wymianie ucichnie ten niby tył
i dupa zbita , silentblock wymieniony ( stary się rozpadł ) dzięki czemu pukanie stało się wyraźniejsze

Użytkownicy przeglądający ten dział: Brak zidentyfikowanych użytkowników i 4 gości