Aparat zapłonowy w BA Z5 – zamiana P5 <–> M3
1, 2
Witam.Mam problem odnosnie aparatu zaplonowego.Posiadam model P5 ktory nawala i M3 ktory jest dobry.Ma ktos pojecie jak przerobic kostke w M3 tak zeby pasowala w zamian za P5??w M3 jest jedna kostka a w P5 dwie.Moze juz ktos to robil.....prosze o pomoc!!!

- Od: 22 sie 2008, 18:20
- Posty: 33
- Skąd: Września
- Auto: 323c 1.5 16v 88KM
raczej nie przerobisz... Z tego co ja się zdążyłem zorientować to komputer podaje w inny sposób sterowanie na aparat. Przy P5 masz inną instalację niż w M3.
pozdrawiam skorpek
Verstehen kann man das Leben rückwärts, leben muß man es aber vorwärts.
SWAP BA Z5 –> BP How-to BY–>Gadula
Verstehen kann man das Leben rückwärts, leben muß man es aber vorwärts.
SWAP BA Z5 –> BP How-to BY–>Gadula

- Od: 9 sie 2008, 20:35
- Posty: 2061
- Skąd: Łask
- Auto: śleć :-D
Nie kombinuj tylko szukaj uzywki
Ja mam u siebie juz 3ci aparat M3 i jeżdże .Wszystkie są wadliwe ![krzywy :]](./images/smilies/krzywy.gif)
![krzywy :]](./images/smilies/krzywy.gif)

- Od: 5 sty 2007, 17:46
- Posty: 1146
- Skąd: Gliwice
- Auto: Było : Punto I Prelude II gen Audi 200 5000s , 323F BA , E46 .
Jest : Punto II , Bravo II 1.4 Turbo :)
mam P9
w razei potrzeby prosze dzwonic 6933992264
pozdro
w razei potrzeby prosze dzwonic 6933992264
pozdro
FHU Auto-Parts zaprasza na zakupy
Dodaj mnie do ulubionych sprzedających allegro
http://moto.allegro.pl/show_user_auctio ... id=6656996
Najlepsze ceny na nowe opony
!!!!!!!!!!!!!
Montaz i Wywazanie na miejscu!!
Dodaj mnie do ulubionych sprzedających allegro
http://moto.allegro.pl/show_user_auctio ... id=6656996
Najlepsze ceny na nowe opony
!!!!!!!!!!!!!
Montaz i Wywazanie na miejscu!!

- Od: 18 cze 2007, 22:29
- Posty: 50
- Skąd: Sieradz łódzkie
- Auto: Chrysler NEON
a p9 czym sie rozni od p5??moge kupic p9 i bez problemow zamontowac jak teraz mam p5?? ma ktos na sprzedaz p5??

- Od: 22 sie 2008, 18:20
- Posty: 33
- Skąd: Września
- Auto: 323c 1.5 16v 88KM
norbik88...możesz są to aparaty z tymi samymi wejściami na kostki. Ja zmieniałem u siebie aparat właśnie z P5 na P9 na którym jeżdżę już cztery latka i jak nararie spisuje się całkowicie bez zarzutów 
Naczelna Maruda Forum aka Kaszpirowski

- Od: 1 kwi 2005, 20:35
- Posty: 1854
- Skąd: Bydgoszcz-Fordon City, Leicester UK
- Auto: Ford Mondeo 1.6 TI 2008
ale zmieniales jego ze tak powiem wnetrze czy poprostu wlozyles P9 zamiast P5 bez zadnego przerabiania i mazda cyka ładnie??

- Od: 22 sie 2008, 18:20
- Posty: 33
- Skąd: Września
- Auto: 323c 1.5 16v 88KM
dzieki za zdjecia!!pomogles mi bardzo!!na gg zostawilem wiadomosc!dzieki jeszcze raz

- Od: 22 sie 2008, 18:20
- Posty: 33
- Skąd: Września
- Auto: 323c 1.5 16v 88KM
Witam.
W moim samochodzie padła iskra. Podejrzenia trafiają na cewkę zapłonową gdyż w ostatnimi czasy dodatkowo auto nie mogło utrzymać się na obrotach i często gasło.
Mam cewkę ale z innego samochodu, ino jest mały problem. Ja oryginalnie miałem p5 a zapasową mam m3. Czy istnieje jakaś możliwość podpięcia tego? Głownie chodzi mi o wtyczki. Moja cewka ma 2 mniejsze, a m3 ma 1 wtyczkę ale większą.
Pozdrawiam

W moim samochodzie padła iskra. Podejrzenia trafiają na cewkę zapłonową gdyż w ostatnimi czasy dodatkowo auto nie mogło utrzymać się na obrotach i często gasło.
Mam cewkę ale z innego samochodu, ino jest mały problem. Ja oryginalnie miałem p5 a zapasową mam m3. Czy istnieje jakaś możliwość podpięcia tego? Głownie chodzi mi o wtyczki. Moja cewka ma 2 mniejsze, a m3 ma 1 wtyczkę ale większą.
Pozdrawiam

-
Tomek5x
W zasadzie nie powinno być z tym większego problemu ale jakoś nie udało mi się trafić na schematy, gdzie widziałbym różnicę w podłączeniach P5 i M3.
P5 występowały w pierwszych modelach BA, później zaczeli stosować M3
W niektórych modelach były stosowane aparaty P9, które są zamienne z P5
Jest na Forum temat odnośnie naprawy P5 – może skorzystałbyś z tego?
PS. Uzupełnij proszę profil o lokalizację bo bywa to czasem przydatne.
P5 występowały w pierwszych modelach BA, później zaczeli stosować M3
W niektórych modelach były stosowane aparaty P9, które są zamienne z P5
Jest na Forum temat odnośnie naprawy P5 – może skorzystałbyś z tego?
PS. Uzupełnij proszę profil o lokalizację bo bywa to czasem przydatne.
Ford C-MAX 1.6TDCi & AR 156 2.0TS & Honda Shadow VT1100 C3 Aero ’99
Były:
323F BA Z5 & Xedos 9 KL ’01
Honda Shadow VT1100C2 Sabre ’03
Honda Shadow VT500C '84
Były:
323F BA Z5 & Xedos 9 KL ’01
Honda Shadow VT1100C2 Sabre ’03
Honda Shadow VT500C '84
Napisz jak to podłączyłeś to może przyda się innym 
Ford C-MAX 1.6TDCi & AR 156 2.0TS & Honda Shadow VT1100 C3 Aero ’99
Były:
323F BA Z5 & Xedos 9 KL ’01
Honda Shadow VT1100C2 Sabre ’03
Honda Shadow VT500C '84
Były:
323F BA Z5 & Xedos 9 KL ’01
Honda Shadow VT1100C2 Sabre ’03
Honda Shadow VT500C '84
Podłączenie banalne tylko trzeba zrobić lekką roszadę w przewodach (wtyczkach)
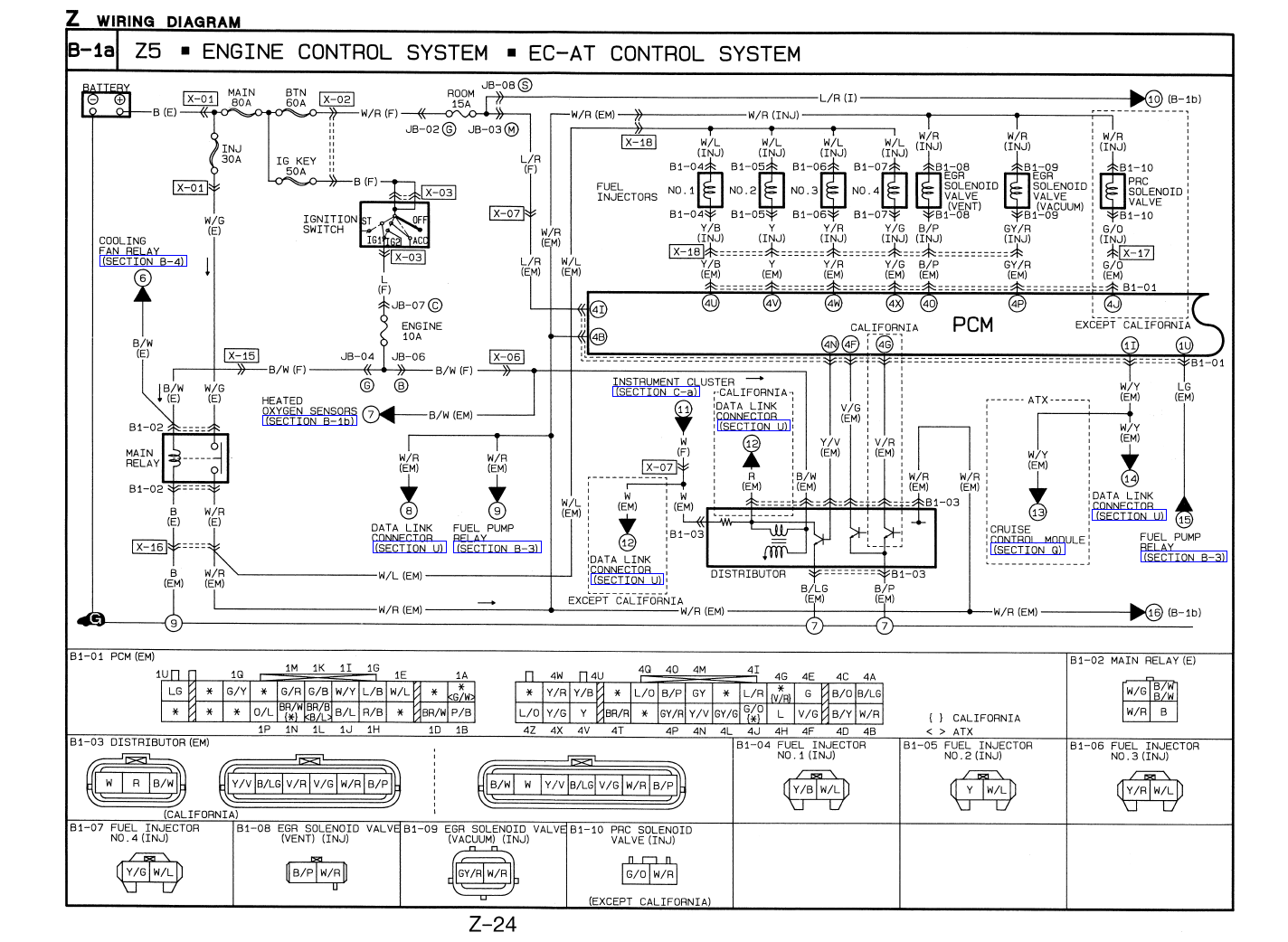
a co z przewodem V/R co idzie do PCM styk 4G ?
jeśli zakładam aparat P9 na miejsce M3 to muszę ciągnąć nowy przewód V/R widoczny na shcemacie z PCM do aparatu ?
a jeśli zakładam aparat M3 na miejsce P5 to ten przewód nie musi być podłączony ?
a co z przewodem V/R co idzie do PCM styk 4G ?
jeśli zakładam aparat P9 na miejsce M3 to muszę ciągnąć nowy przewód V/R widoczny na shcemacie z PCM do aparatu ?
a jeśli zakładam aparat M3 na miejsce P5 to ten przewód nie musi być podłączony ?

- Od: 30 wrz 2009, 17:50
- Posty: 140
- Skąd: Bydgoszcz
- Auto: 323F BA
Witam w mojej mazdzie 323f ba 1.5 wyskoczył mi błąd nr.3 (czujnik położenia wałka rozrządu) dodam jeszcze że mam założony gaz II generacji i autko chodzi normalnie na gazie lecz na benzynie sie dławi jak mocniej wcisne gaz tak więc wyszło na to że może być to czujnik halla lecz jak wiadomo znajduje się w aparacie zapłonowym i nie da się go osobno kupić tylko cały aparat zapłonowy. Lecz jak kupiłem mazde dostałem działający aparat zapłonowy M3 a u mnie jest założony P9 biorąc pod uwage to że da się włożyć M3 w miejsce starszych P5/P9 skorzystałem ze schematu (znajduje sie w załączniku) gdzie jest na dole opisane jak podłączyć piny aby prawidłowo to chodziło lecz gdy tak podłączyłem okazało sie że iskry nie ma najprawdopodobniej dlatego że przewód R nie jest nigdzie podpięty a prowadzi on do cewki w aparacie P9 tak więc moje pytanie jest takie czy ktoś kiedyś już zmieniał tak aparaty zapłonowe i byłbym wdzięczny gdyby powiedział jak to dokładnie zrobił i czy podłączył gdzieś właśnie przewód R
Z góry dzięki za odpowiedz
Z góry dzięki za odpowiedz

- Od: 17 gru 2014, 20:33
- Posty: 34
- Skąd: Przemyśl
- Auto: Mazda 323f BA 1.5 95r
czytałem posty z kiedyś i pisali niektórzy że zmienili stąd między innymi mam ten schemat.
Wiem że jak z M3 zmieniasz na P9/P5 musisz dodatkowo ciągnąć ze styku G4 kabel V/R a odwrotnie to poprostu ułożyć w takiej kolejności jak jest na schemacie a kabel V/R nie musi być podłączony do niczego lecz nie jest opisane co zrobić z kablem R (czerwonym) [Tach Signal] jest on najprawdopodobniej niezbędny do prawidłowego działania cewki oznaczyłem go na schemacie w załączniku.
Chciałbym aby wypowiedział się ktoś kto tak robił lub się na tym zna i powie co z nim zrobić aby aparat dał iskrę
Wiem że jak z M3 zmieniasz na P9/P5 musisz dodatkowo ciągnąć ze styku G4 kabel V/R a odwrotnie to poprostu ułożyć w takiej kolejności jak jest na schemacie a kabel V/R nie musi być podłączony do niczego lecz nie jest opisane co zrobić z kablem R (czerwonym) [Tach Signal] jest on najprawdopodobniej niezbędny do prawidłowego działania cewki oznaczyłem go na schemacie w załączniku.
Chciałbym aby wypowiedział się ktoś kto tak robił lub się na tym zna i powie co z nim zrobić aby aparat dał iskrę

- Od: 17 gru 2014, 20:33
- Posty: 34
- Skąd: Przemyśl
- Auto: Mazda 323f BA 1.5 95r
1, 2
Kto przegląda forum
Użytkownicy przeglądający ten dział: Brak zidentyfikowanych użytkowników i 7 gości




