Link AllegroKody błędów OBD I i ABS – samodzielne sprawdzenie
znalazłem cos przedziwnego oczywiście z chin za 220 zeta oscyloskop do 1MHz zaadaptowany z odtwarzacza MP4 cos do tej pory niespotykanego i napewno bardzo interesujący wynalazek dla majsterkowiczów:
Link Allegro
Link Allegro
- Od: 22 maja 2010, 11:43
- Posty: 1021 (0/14)
- Skąd: Bochnia / Kraków
- Auto: 323F BA / Z5 '97 + BRC SeQuent MY10 & Triumph Speed Triple 955i SE
w jakich przypadkach pojawia się błąd nr 01?

- Od: 17 sie 2009, 10:45
- Posty: 4292 (76/34)
- Skąd: Janów Lubelski / Kraśnik / Lublin
- Auto: Xedos 6 (ex)
Lexus GS300 II (ex)
Mazda 6 GJ 2,5
Witam wszystkich forumowiczów.
Wymieniłem walnięty przepływomierz i nie mogę wykasować z pamięci kompa błędu P0100.
Czy poza sposobem z odłączeniem zacisku – na aku. i wciśnięciu pedału hamulca jest jakiś inny.
Trochę kilometrów zrobiłem na walniętym przepływomierzu i nie wiem czy błąd nie zapisał się jakoś trwale.
Czekam na jakieś wskazówki.
Wymieniłem walnięty przepływomierz i nie mogę wykasować z pamięci kompa błędu P0100.
Czy poza sposobem z odłączeniem zacisku – na aku. i wciśnięciu pedału hamulca jest jakiś inny.
Trochę kilometrów zrobiłem na walniętym przepływomierzu i nie wiem czy błąd nie zapisał się jakoś trwale.
Czekam na jakieś wskazówki.

- Od: 19 wrz 2012, 21:36
- Posty: 21
- Skąd: Bydgoszcz
- Auto: Mazda323f 1.5 +LPG 16V Z5
1998r.
Witam,
ja kasuje błędy przy użyciu interfejsu ELM327 w mojej Maździe. Błąd przepływomierza i inne bez problemu usuwałem. Kabelek nie jest drogi a pozwala na w miarę łatwą diagnostykę. Oczywiście nie jest to rozwiązanie profesjonalne. Dodatkowo trzeba w mojej maździe użyć przejściówki z ODB2 na stare złącze mazdowskie.
ja kasuje błędy przy użyciu interfejsu ELM327 w mojej Maździe. Błąd przepływomierza i inne bez problemu usuwałem. Kabelek nie jest drogi a pozwala na w miarę łatwą diagnostykę. Oczywiście nie jest to rozwiązanie profesjonalne. Dodatkowo trzeba w mojej maździe użyć przejściówki z ODB2 na stare złącze mazdowskie.
można połączyć się na pająku jak w tym opisie przejściówka w sklepie Viaken.pl to ok 17.5 PLNa
oczywiście bo większość dostępnych w polsce ELMów i to zdecydowana większość to Chińskie klony ale nie ma co narzekać bo możliwości diagnostyczne tego relatywnie taniego kabelka są naprawdę potężne włącznie z logowaniem danych dużo zależy od wsparcia programowego dla danego sterownika bo jeśli program nie ma możliwości przetwarzania bądź dostępu do danych ze sterownika to niczego nie zdziałamy jako końcowi użytkownicy
nie ma błędów zapisywanych na stałe bo jest to system autodiagnostyki i gdy naprawi się usterkę to system sam powinien wykryć że anomalia została usunięta a jedynie informacyjnie zapisuje informację o awarii żeby w razie problemów można było prześledzić historie i żeby ułatwić przyszłą diagnostykę bądź wskazać element który wprowadzał błędy w ECU
emilios8 napisał(a):Oczywiście nie jest to rozwiązanie profesjonalne
oczywiście bo większość dostępnych w polsce ELMów i to zdecydowana większość to Chińskie klony ale nie ma co narzekać bo możliwości diagnostyczne tego relatywnie taniego kabelka są naprawdę potężne włącznie z logowaniem danych dużo zależy od wsparcia programowego dla danego sterownika bo jeśli program nie ma możliwości przetwarzania bądź dostępu do danych ze sterownika to niczego nie zdziałamy jako końcowi użytkownicy
Rene70 napisał(a):czy błąd nie zapisał się jakoś trwale.
nie ma błędów zapisywanych na stałe bo jest to system autodiagnostyki i gdy naprawi się usterkę to system sam powinien wykryć że anomalia została usunięta a jedynie informacyjnie zapisuje informację o awarii żeby w razie problemów można było prześledzić historie i żeby ułatwić przyszłą diagnostykę bądź wskazać element który wprowadzał błędy w ECU

- Od: 22 maja 2010, 11:43
- Posty: 1021 (0/14)
- Skąd: Bochnia / Kraków
- Auto: 323F BA / Z5 '97 + BRC SeQuent MY10 & Triumph Speed Triple 955i SE
Rene70 napisał(a):Wymieniłem walnięty przepływomierz i nie mogę wykasować z pamięci kompa błędu P0100.
A ten 2 na pewno sprawny ?
-
Przemek323c
Witam Prosił bym o pomoc w odczytaniu błedów mianowicie błyska mi:1-raz długo i 2-razy któtko następnie 1raz długo i 3razy krótko i tak cały czas jeden bład jak dobrze czytam to czujnik połozenia przepustnicy ale nie moge znaleść błedu 13 co oznacza chyba ze zle czytam błedy.. samóchód to 323f 2.0v6 rok 1995

- Od: 11 lis 2014, 20:17
- Posty: 6
- Skąd: Sokołów Podlaski
- Auto: Mazda 323F BA 2.0v6 1995r
mazderr – moim zdaniem możesz mieć kody błędów:12 (tps) i 10 (czujnik temperatury powietrza).
Te 3 mignięcia mogą też oznaczać silnik V6
Skasuj kody błędów, pojeździj trochę i odczytaj jeszcze raz aby mieć pewność czy to są aktualne problemy czy też zapamiętane z dawna.
PS. a na przyszłość nie zakładaj nowego tematu skoro można dopisać się do istniejącego.
Te 3 mignięcia mogą też oznaczać silnik V6
Skasuj kody błędów, pojeździj trochę i odczytaj jeszcze raz aby mieć pewność czy to są aktualne problemy czy też zapamiętane z dawna.
PS. a na przyszłość nie zakładaj nowego tematu skoro można dopisać się do istniejącego.
Ford C-MAX 1.6TDCi & AR 156 2.0TS & Honda Shadow VT1100 C3 Aero ’99
Były:
323F BA Z5 & Xedos 9 KL ’01
Honda Shadow VT1100C2 Sabre ’03
Honda Shadow VT500C '84
Były:
323F BA Z5 & Xedos 9 KL ’01
Honda Shadow VT1100C2 Sabre ’03
Honda Shadow VT500C '84
Witam od jakiegoś czasu moja mazda 323f BA 1.5 LPG z 95r. coś strasznie słaba się zrobiła więc sprawdziłem dzisiaj blędy i wyskoczył 3 oraz 8.
tak więc 8 to przepływomierz co raczej wyjaśnia słabnięcie samochodu ale martwię sie co do 3 (Położenia wałka rozrządu (CMP) czujnika ze sygnał G) tak więc mam do was pytanie a mianowicie co może to oznaczac oraz co w takim przypadku mogę zrobić nie jadąc do mechanika aby zlikwidować przyczynę błędu. Dodam jeszcze ze sąsiad ma również 323f ba 1.5 ale z 98r i czystą bęzynę i jestem w stanie ewentualnie sprawdzić niektóre części sprawne od niego
Pozdrawiam i dzięki z góry za pomoc
tak więc 8 to przepływomierz co raczej wyjaśnia słabnięcie samochodu ale martwię sie co do 3 (Położenia wałka rozrządu (CMP) czujnika ze sygnał G) tak więc mam do was pytanie a mianowicie co może to oznaczac oraz co w takim przypadku mogę zrobić nie jadąc do mechanika aby zlikwidować przyczynę błędu. Dodam jeszcze ze sąsiad ma również 323f ba 1.5 ale z 98r i czystą bęzynę i jestem w stanie ewentualnie sprawdzić niektóre części sprawne od niego
Pozdrawiam i dzięki z góry za pomoc

- Od: 17 gru 2014, 20:33
- Posty: 34
- Skąd: Przemyśl
- Auto: Mazda 323f BA 1.5 95r
z tego co się orientuje to ten czujnik jest zintegrowany [czunik oparty na efekcie halla] z aparatem zapłonowym więc raczej nie podziałasz z tym ze mogła to być jakaś anomalia bo nie wiem czy ECU pozwoliłoby Ci uruchomić silnik albo miałbyś z tym poważny problem, co do przekładania części to raczej bym się nie sugerował że dużo przejdzie z BA do BA szczególnie że Ty masz model przedliftowy a 98 to polift wystarczy że będziesz miał inny aparat zapłonowy i już po zabiegu z moich informacji wynika ze były montowane w Z5 3 typy aparatów zapłonowych na pewno M3 bo taki mam ale występowały tez bodaj P5 i P9 i nie sa zamienne między sobą bo nawet sposób podłaczenia mają inny i instalacja nie jest gotowa na takiego swapa. Co do błedu przepływki to sprawdź bardzo dokładnie rure elastyczna bo ona bardzo często pęka i powoduje zaburzenia w pracy silnika i może to dawać wskazanie na nieprawidłową pracę przepływomierza jak już bedziesz miał to wyjete to wyszyść pędzlem siatkę na wejściu do przepływki bo każdy paproch tam ogranicza przepływ powietrza i powoduje na wejściu opory w przepływie i zawirowania

- Od: 22 maja 2010, 11:43
- Posty: 1021 (0/14)
- Skąd: Bochnia / Kraków
- Auto: 323F BA / Z5 '97 + BRC SeQuent MY10 & Triumph Speed Triple 955i SE
Wiec co powinienem zrobic jechac do elektryka/mechanika aby sprawdził mi ten aparat zapłonowy czy sam byl bym w stanie to sprawdzic a moze cos innego jeszcze poza tym jak czyscilem swiece to sprawdzalem iskre.i byla bardzo dobra poza tym nie było na nich zadnych oznak np złego spalania. A chce jeszcze dodac ze bez problemowo mi odpala ale roznie z obrotami nawet jak jest nagrzny to zajmuje mu z pół minuty po odpuszczeniu gazu zanim dojdzie do 900 obr/min.
Jesli się w czymś pomylilem to prosze mnie poprawic bo nie wiem czy dobrze zrozumialem odpowiedz
Jesli się w czymś pomylilem to prosze mnie poprawic bo nie wiem czy dobrze zrozumialem odpowiedz

- Od: 17 gru 2014, 20:33
- Posty: 34
- Skąd: Przemyśl
- Auto: Mazda 323f BA 1.5 95r
z tymi obrotami to pewnie masz problem z zaworkiem bimetalicznym w przepustnicy jest o tym dość obszerny wątek na forum i dotyczy to wersji przedliftowej
co do sprawdzania tego czujnika to raczej specjalistą zostaw taką diagnostykę bo to nie jest czujnik który ma stała wartość wg charakterystyki jak czujniki temperatury tylko jest to już bardziej zawiłe
co do sprawdzania tego czujnika to raczej specjalistą zostaw taką diagnostykę bo to nie jest czujnik który ma stała wartość wg charakterystyki jak czujniki temperatury tylko jest to już bardziej zawiłe

- Od: 22 maja 2010, 11:43
- Posty: 1021 (0/14)
- Skąd: Bochnia / Kraków
- Auto: 323F BA / Z5 '97 + BRC SeQuent MY10 & Triumph Speed Triple 955i SE
Ok zostawiam czujnik halla w spokoju ponieważ coś mi się wydaje że jeśli byłby uszkodzony to miałbym takie problemy jak inni mieli (po nagrzaniu gasł) a ja nic podobnego nie mam więc co mogę jeszcze posprawdzać oraz gdzie znajduje się czujnik położenia wałka rozrządu i czy może być jeszcze jakaś inna przyczyna pojawienia się tego błędu

- Od: 17 gru 2014, 20:33
- Posty: 34
- Skąd: Przemyśl
- Auto: Mazda 323f BA 1.5 95r
bartek5432100 napisał(a):oraz gdzie znajduje się czujnik położenia wałka rozrządu
nie wiem czy czytanie ze zrozumieniem to wysiłek wykraczający ponad granice bólu ale post wstecz napisałem że czujnik Halla o którym piszesz to ten sam czujnik o którym mowa w kodzie błedu 3
bartek5432100 napisał(a):(Położenia wałka rozrządu (CMP) czujnika ze sygnał G)
w związku z tym nie wiem czego jeszcze chcesz tam szukać, skasuj błędy zrób jakąś trasę najlepiej dłuższą żeby można było zmusić do wysiłku wszystkie elementy sterowania silnikiem i wtedy odczytaj jeszcze raz jeżeli się pojawi ponownie to znaczy że coś jest na rzeczy a nie była to żadna anomalia we wskazaniach czujnika

- Od: 22 maja 2010, 11:43
- Posty: 1021 (0/14)
- Skąd: Bochnia / Kraków
- Auto: 323F BA / Z5 '97 + BRC SeQuent MY10 & Triumph Speed Triple 955i SE
Popieram ostatnią wypowiedź 
Taka informacja dodatkowa: aparaty P5 i P9 są zamienne między sobą i występowały w autach na początku produkcji modelu BA.
Później już szedł M3, który ma co prawda inne złącze ale na upartego da się go dopasować.
I na tym wystarczy OT w temacie
Taka informacja dodatkowa: aparaty P5 i P9 są zamienne między sobą i występowały w autach na początku produkcji modelu BA.
Później już szedł M3, który ma co prawda inne złącze ale na upartego da się go dopasować.
I na tym wystarczy OT w temacie
Ford C-MAX 1.6TDCi & AR 156 2.0TS & Honda Shadow VT1100 C3 Aero ’99
Były:
323F BA Z5 & Xedos 9 KL ’01
Honda Shadow VT1100C2 Sabre ’03
Honda Shadow VT500C '84
Były:
323F BA Z5 & Xedos 9 KL ’01
Honda Shadow VT1100C2 Sabre ’03
Honda Shadow VT500C '84
No wlasnie mam P9 ale jak kupilem mazde to dostalem dodatkowo aparat zaplonowy M3 sprawny a wyzej powiedziales ze na upartego da sie dopasowac wiec moglbys jakos wytlumaczyc jak to zrobic z gory dzieki za pomoc

- Od: 17 gru 2014, 20:33
- Posty: 34
- Skąd: Przemyśl
- Auto: Mazda 323f BA 1.5 95r
Było o tym na Forum całkiem niedawno – poszukaj.
Schemat w rękę i dasz radę.
Dopisano 19 gru 2014 11:46:
Było o tym na Forum całkiem niedawno – poszukaj.
Schemat w rękę i dasz radę.
Schemat w rękę i dasz radę.
Dopisano 19 gru 2014 11:46:
Było o tym na Forum całkiem niedawno – poszukaj.
Schemat w rękę i dasz radę.
Ford C-MAX 1.6TDCi & AR 156 2.0TS & Honda Shadow VT1100 C3 Aero ’99
Były:
323F BA Z5 & Xedos 9 KL ’01
Honda Shadow VT1100C2 Sabre ’03
Honda Shadow VT500C '84
Były:
323F BA Z5 & Xedos 9 KL ’01
Honda Shadow VT1100C2 Sabre ’03
Honda Shadow VT500C '84
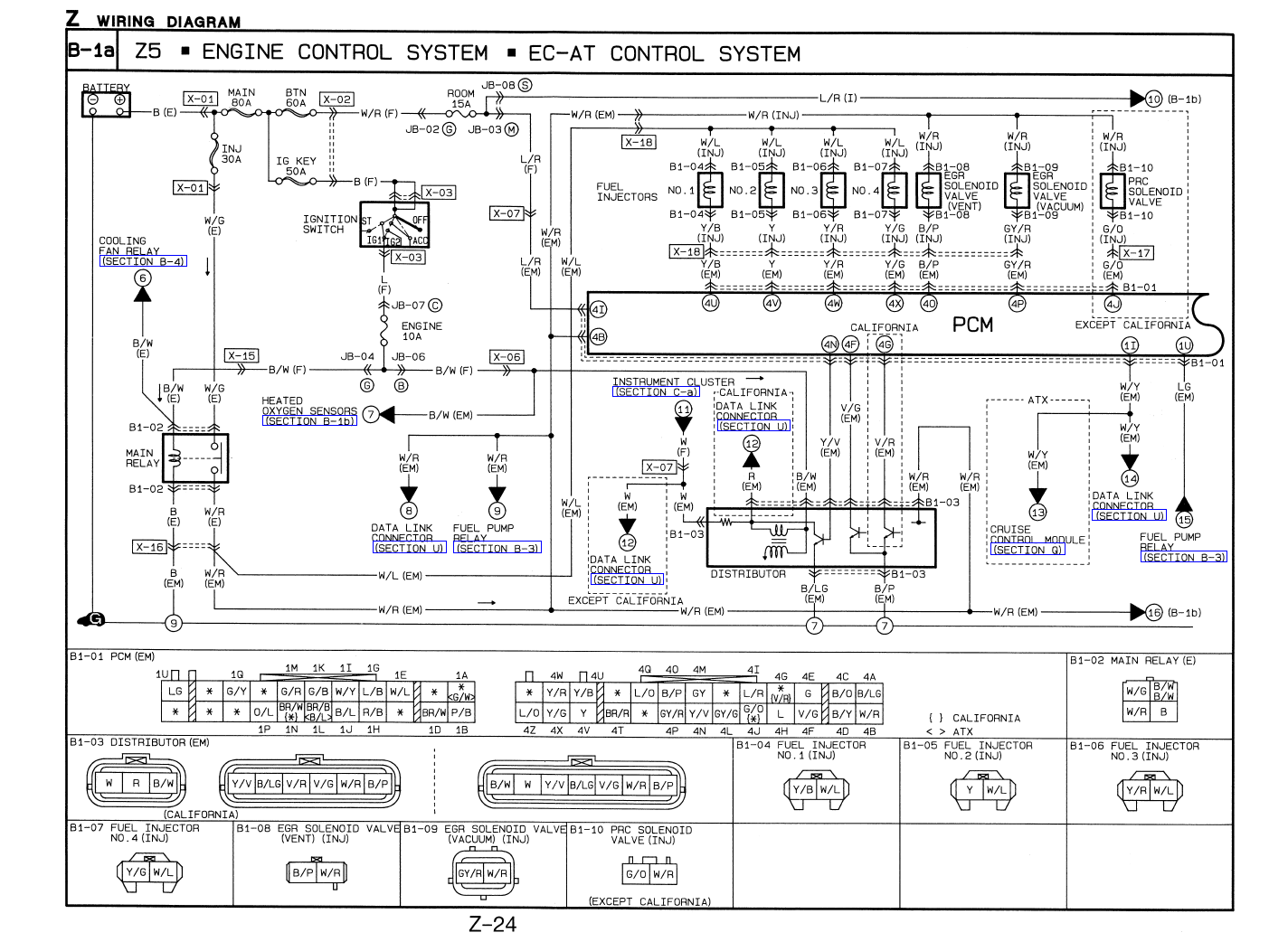
To tak podłączyłem według tego schematu download/file.php?id=51655&mode=view lecz zabrakło iskry powód?
szukałem go z wujkiem elektrykiem samochodowym (telefonicznie) i okazało się że najprawdopodobniej dlatego jej nie ma ponieważ wtyk R (czerwony) tzn. Tach Signal nigdzie nie jest podłączony a prowadzi on do cewki tak więc czy mógłby mi ktoś powiedzieć czy aby na pewno wtyki (R, V/R) nigdzie nie mają być podłączone oraz czy schemat na pewno jest prawidłowy
szukałem go z wujkiem elektrykiem samochodowym (telefonicznie) i okazało się że najprawdopodobniej dlatego jej nie ma ponieważ wtyk R (czerwony) tzn. Tach Signal nigdzie nie jest podłączony a prowadzi on do cewki tak więc czy mógłby mi ktoś powiedzieć czy aby na pewno wtyki (R, V/R) nigdzie nie mają być podłączone oraz czy schemat na pewno jest prawidłowy

- Od: 17 gru 2014, 20:33
- Posty: 34
- Skąd: Przemyśl
- Auto: Mazda 323f BA 1.5 95r
Witam. Czy jest ktoś kto pomógł by mi odczytać błędy nabrałem filmik. Ostatnio samochód zachowuje się strasznie. Wręcz tragicznie, nie radzę sobie z nim. Jak dodaje gazu na maxa to dochodzi do 3 tys. I odcina zapłon.
Filmik:
Co do bledu to jest to bodajże 11 11 17 10 .
Problem mam z interpretacją.
Filmik:
Co do bledu to jest to bodajże 11 11 17 10 .
Problem mam z interpretacją.
Ostatnio edytowano 8 kwi 2015, 21:26 przez Marek 161BD081, łącznie edytowano 1 raz
Powód: Poprawa linku do filmu
Powód: Poprawa linku do filmu
Kto przegląda forum
Użytkownicy przeglądający ten dział: Brak zidentyfikowanych użytkowników i 9 gości


