Mazda CX-5 z USA
@del
Wtyczka dla wersji na EU wygląda tak:
A dla USA tak:
Więc jak widać nie ma różnicy
Wystąpują także takie numery VIN:
JM3KFBBL
JM3KFBXL
JM3KFAAM
JM3KFBDM
JM3KFBDY
JM3KFBXM
JM3KFBAM
JM3KFAD2
JM3KFBCL
JM3KFBC2
A CX-5 od 2019 posiadają takie VIN-y:
JM3KFBEL
JM3KFAEY
Wtyczka dla wersji na EU wygląda tak:
A dla USA tak:
Więc jak widać nie ma różnicy
Wystąpują także takie numery VIN:
JM3KFBBL
JM3KFBXL
JM3KFAAM
JM3KFBDM
JM3KFBDY
JM3KFBXM
JM3KFBAM
JM3KFAD2
JM3KFBCL
JM3KFBC2
A CX-5 od 2019 posiadają takie VIN-y:
JM3KFBEL
JM3KFAEY
- Załączniki
-
Mazda CX-5 - CONNECTORS.pdf- (1.61 MiB) Pobrane 218 razy
Rozumiem, że to jest główna wtyczka drzwi? Zależy mi przede wszystkim na tym, aby tak jak radził @rafik85 sprawdzić ile pinów ma wtyczka lusterka i klamki (o ile w modelu o tym VINie jest wiązką do klamki).
Przejrzałem pdf, ale niestety po symbolach nie jestem w stanie zidentyfikować wtyczek (o ile wtyczki lusterka i drzwi tam są).
@k31t dzięki za wrzucenie schematów! Mam już pewność, że główna wtyczka będzie pasować.
Przejrzałem pdf, ale niestety po symbolach nie jestem w stanie zidentyfikować wtyczek (o ile wtyczki lusterka i drzwi tam są).
@k31t dzięki za wrzucenie schematów! Mam już pewność, że główna wtyczka będzie pasować.
Jeśli gniazdo w dolnej części słupka A ma identyczne połączenia, to już nie ma znaczenia czy dana wiązka drzwi się różni się detalami czy nie – wtyczka również będzie uniwersalna. Może być ona inaczej rozprowadzona, przyciski mogą być w innych miejscu na panelu, ale kupując kompletne drzwi EU będą one działać w 100% poprawnie. Tylko teraz kup takie do w miarę podobnej wersji wyposażenia, chodzi mi np o dostęp keyless (guzik w klamce) czy też rodzaj audio.
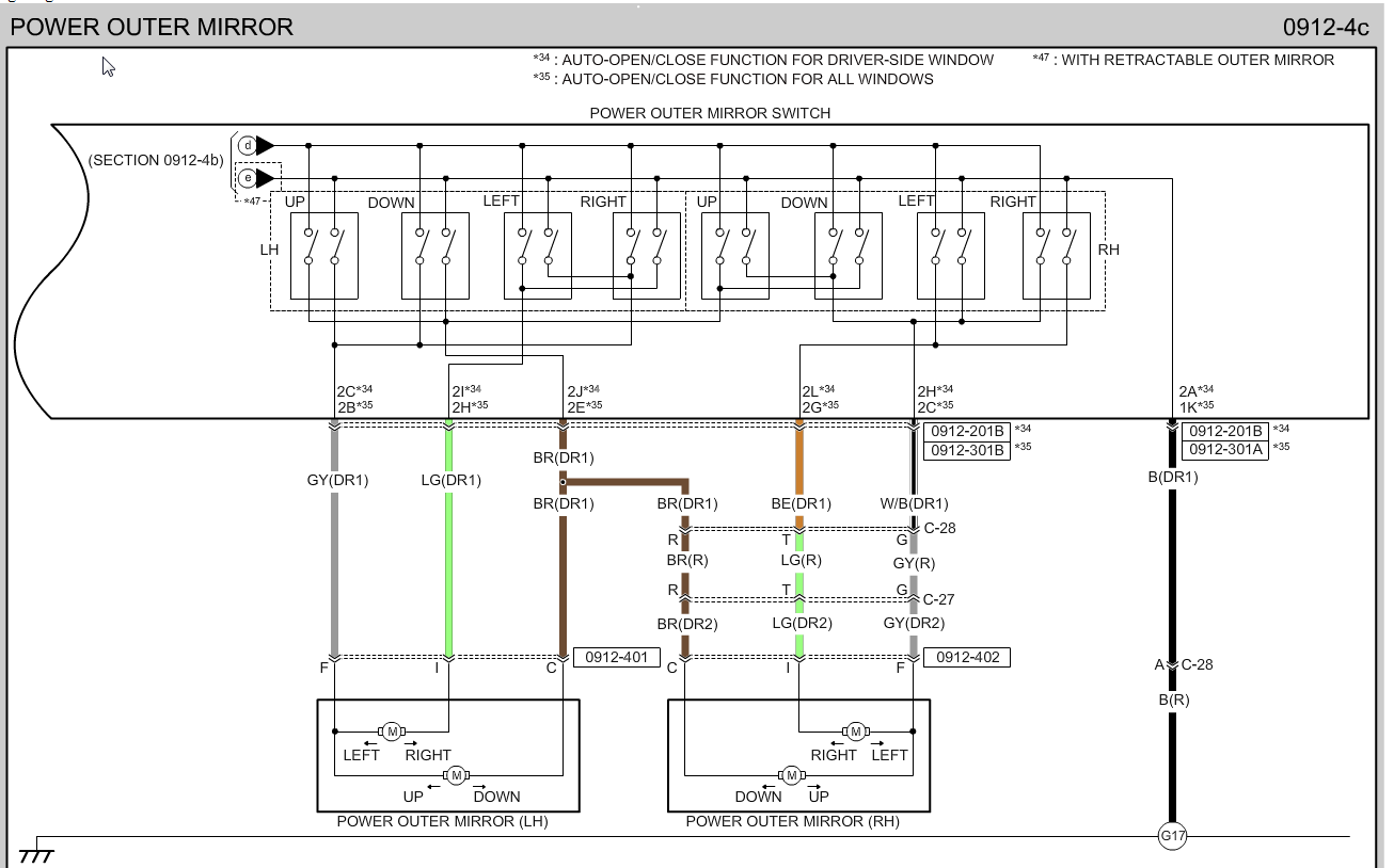
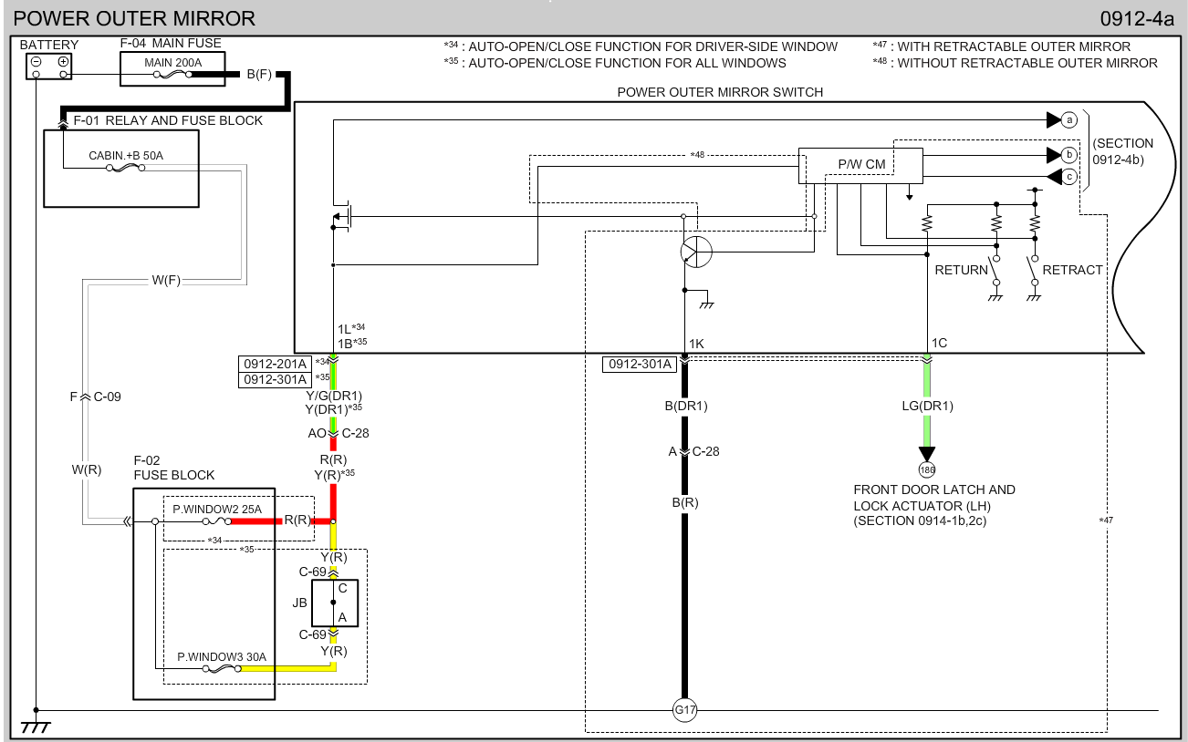
W Maździe 3 u mnie np. jest pełne okablowanie do lusterka nawet jeśli lusterko nie ma monitoringu tego co dzieje się za autem. Także lusterkiem to się raczej nie martw.
W Maździe 3 u mnie np. jest pełne okablowanie do lusterka nawet jeśli lusterko nie ma monitoringu tego co dzieje się za autem. Także lusterkiem to się raczej nie martw.

- Od: 14 cze 2006, 00:01
- Posty: 3295 (59/176)
- Skąd: UK - Worcs, PL - Rzeszow
- Auto: 1. Mazda CX60 KH PHEV
2. Mazda 3 BM Skyactiv-D
Różnica w schematach wtyczek które dałeś pomiędzy C27 EU a C28 USA to dosłownie jeden pin. W jednym miejscu EU ma niebieski (L) a w US jest biały (*).
Więc jeśli wiązki "rear harness" są ze sobą zgodne kolorami (a więc i pewnie nazwijmy to "elektrycznie" również), to co jest w drzwiach nie ma już znaczenia. Jedyny warunek do spełnienia to kompletne drzwi z wszystkimi przełącznikami, silniczkami i lusterkiem (głośnik można odpuścić, ale pewnie też będzie w kompletnych drzwiach). Bo jak widać po poniższym przykładzie mając wiązkę USA to ciężko będzie tam wsadzić cokolwiek z EU – wewnętrzne rozprowadzenia są zwyczajnie inne.
Więc jeśli wiązki "rear harness" są ze sobą zgodne kolorami (a więc i pewnie nazwijmy to "elektrycznie" również), to co jest w drzwiach nie ma już znaczenia. Jedyny warunek do spełnienia to kompletne drzwi z wszystkimi przełącznikami, silniczkami i lusterkiem (głośnik można odpuścić, ale pewnie też będzie w kompletnych drzwiach). Bo jak widać po poniższym przykładzie mając wiązkę USA to ciężko będzie tam wsadzić cokolwiek z EU – wewnętrzne rozprowadzenia są zwyczajnie inne.

- Od: 14 cze 2006, 00:01
- Posty: 3295 (59/176)
- Skąd: UK - Worcs, PL - Rzeszow
- Auto: 1. Mazda CX60 KH PHEV
2. Mazda 3 BM Skyactiv-D
Czyli nie będzie to stanowić problemu jeżeli do auta bez przykładowo podgrzewanych i automatycznie składanych lusterek i blind spot monitoringu zamontuję drzwi wyposażone w te systemy? Komputer nie zacznie wariować?
@k31t złączki, które wrzuciłeś w pdf'ie przedstawiają wersje europejskie prawda? Mógłbym jeszcze poprosić o zdjęcie głównej złączki drzwi prawych przednich dla modelu z moim VINem (C28 ale dla drzwi prawych – pewnie C27 albo C29)? Porównam wersje amerykańską z europejską.
@k31t złączki, które wrzuciłeś w pdf'ie przedstawiają wersje europejskie prawda? Mógłbym jeszcze poprosić o zdjęcie głównej złączki drzwi prawych przednich dla modelu z moim VINem (C28 ale dla drzwi prawych – pewnie C27 albo C29)? Porównam wersje amerykańską z europejską.
Zawsze można stworzyć konto tylko do tego, na swoje własne bym raczej nie wrzucał. Dziwne prawa teraz mamy w tych całych internetach.
Innej opcji nie widzę, serwer forum się do tego niestety nie nadaje. Ale podlinkować zawsze można
Innej opcji nie widzę, serwer forum się do tego niestety nie nadaje. Ale podlinkować zawsze można

- Od: 14 cze 2006, 00:01
- Posty: 3295 (59/176)
- Skąd: UK - Worcs, PL - Rzeszow
- Auto: 1. Mazda CX60 KH PHEV
2. Mazda 3 BM Skyactiv-D
Schemat umieściłem tutaj
Jeżeli ktoś może wrzucić jeszcze gdzieś aby nie zniknęło.
To proszę dodać link lub wysłać do mnie a ja zaktualizuje post o nowy link
Poza tematem to VIN-
JM0= General (R.H.D.) specs. (Australia)
JM1 = Mazda / passenger car
JM3 = Japan-Mazda/ Multi-purpose vehicle
JM6= General (R.H.D.) specs. (Except Australia)
JM7= General (L.H.D.) specs.
JMZ= Mazda (European (L.H.D. U.K.) specs.)
MM0= Australian specs., Mazda-AAT
MM6= General (R.H.D.) specs., Mazda-AAT
MM7= General (L.H.D.) specs., Mazda-AAT
MM8= Thailand, Mazda-AAT
3MD = Mexico-Mazda
- Kod: Zaznacz cały
https://www.mazdaspeed.pl/forum/viewtopic.php?f=358&t=169911&p=3389059#p3389059
Jeżeli ktoś może wrzucić jeszcze gdzieś aby nie zniknęło.
To proszę dodać link lub wysłać do mnie a ja zaktualizuje post o nowy link
Poza tematem to VIN-
JM0= General (R.H.D.) specs. (Australia)
JM1 = Mazda / passenger car
JM3 = Japan-Mazda/ Multi-purpose vehicle
JM6= General (R.H.D.) specs. (Except Australia)
JM7= General (L.H.D.) specs.
JMZ= Mazda (European (L.H.D. U.K.) specs.)
MM0= Australian specs., Mazda-AAT
MM6= General (R.H.D.) specs., Mazda-AAT
MM7= General (L.H.D.) specs., Mazda-AAT
MM8= Thailand, Mazda-AAT
3MD = Mexico-Mazda
Do tej pory nie szukałem sposobu ale może warto przeczytałem chyba wszystko i już się pogubiłem może pomożecie .Mazda CX5 z systemem radio-nawigacji Tomtom NB1 posiada zakres od 88,0 do 108,0 MHz ale nie znajduje parzystych stacji – wina softu, modułu czy coś innego.
Kto przegląda forum
Użytkownicy przeglądający ten dział: Brak zidentyfikowanych użytkowników i 5 gości
Moderatorzy
Moderatorzy CX-3 / CX-5 / CX-7 / CX-9, Moderatorzy CX-30 / CX-50 / CX-60

