Witam
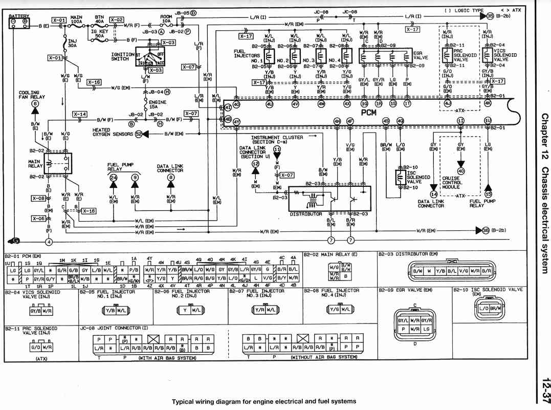
Mam problem z mazdą. Zgasła w czasie jazdy, brak iskry na świecach. Z tego co udało mi się sprawdzić, to nie dociera zasilanie do aparatu zapłonowego. W złączu 7p, które przychodzi do aparatu na żadnym z pinów nie ma zasilania (na 3 od lewej patrząc do aparatu jest 0,2v ale to chyba za mało?). Sprawdzane na włączonej stacyjce. Proszę o pomoc. Pozdrawiam
Zgasło w czasie jazdy-brak iskry
Strona 1 z 1
Sprawdź bezpieczniki w komorze silnika.
A resztę masz na schemacie.
P.S. i uzupełnij proszę profil o lokalizację.
A resztę masz na schemacie.
P.S. i uzupełnij proszę profil o lokalizację.
Ford C-MAX 1.6TDCi & AR 156 2.0TS & Honda Shadow VT1100 C3 Aero ’99
Były:
323F BA Z5 & Xedos 9 KL ’01
Honda Shadow VT1100C2 Sabre ’03
Honda Shadow VT500C '84
Były:
323F BA Z5 & Xedos 9 KL ’01
Honda Shadow VT1100C2 Sabre ’03
Honda Shadow VT500C '84
bezpieczniki sprawdzone. przekaznik, który oznaczony jest na schemacie "main relay" jest też w skrzynce bezpieczników pod maską?
-
Śmigło
Tak – jest on pod maską.
Popatrz na rysunki – jest to co prawda przedlift ale to nie ma dużego znaczenia.
Popatrz na rysunki – jest to co prawda przedlift ale to nie ma dużego znaczenia.
Ford C-MAX 1.6TDCi & AR 156 2.0TS & Honda Shadow VT1100 C3 Aero ’99
Były:
323F BA Z5 & Xedos 9 KL ’01
Honda Shadow VT1100C2 Sabre ’03
Honda Shadow VT500C '84
Były:
323F BA Z5 & Xedos 9 KL ’01
Honda Shadow VT1100C2 Sabre ’03
Honda Shadow VT500C '84
Dzieki za schematy. Problem lezal w sterowaniu przekaźnika głównego. W skrzynce bezpiecznikow (przy miejscu kierowcy) uszkodzony byl kabelek od połączenia bezpiecznika "Engine"
-
Śmigło
Strona 1 z 1
Kto przegląda forum
Użytkownicy przeglądający ten dział: Brak zidentyfikowanych użytkowników i 17 gości
