Problem z tylnym zawieszeniem GD 2.2 Coupe

Skrzynia biegów, sprzęgło, osie, zawieszenie, koła, układ kierowniczy i hamulcowy.

Postprzez PLaster » 1 wrz 2008, 11:57

Witam
do mod: Podobny temat już był, ale jak tam napisałem to nie było odzewu. Po rozwiązaniu problemu będzie można połączyć te dwa wątki

Od kilku dni zaczęły mi się na poważne kłopoty z tylnym zawieszeniem w aucie. Auto na koleinach nie jest to opanowania przy większych prędkościach, oraz tnie mi zewnętrzna część opon. Najprawdopodobniej zbieżność się zmieniła.
Na szarpakach wyszło, ze elementy gumowe zawieszenia są już do wymiany, a najbardziej na wahaczu wzdłużnym (3mies temu było wszystko oki).
W związku z tym pytanie, czy warto naprawiać/wymieniać tuleje w wahaczach, czy lepiej od razu kupić cały komplet. Dodam, ze i te wahacze nie są pierwszej młodości.
Jakie są ceny takiej operacji?

Sprawa dość pilna, proszę o opinie.

PS. Jaka powinna być zbieżność i kąt na chylenia tylnych kół?
www.czelej.net
Avatar użytkownika
Klubowicz
 
Od: 4 lut 2008, 01:41
Posty: 2352 (23/37)
Skąd: Marki k. Warszawy/Podlasie
Auto: GH '10 L5 125KW
CR '08 LF 107KW

Postprzez Wodzu » 1 wrz 2008, 18:20

Kup nowe wahacze ja juz sie przekonałem ze to opłaca sie kupować samych gum. Ciekawe czy zdołasz odkręcić śrubę od wahacza podłużnego przy karoserii u mnie sie nie udało :/
EX XEDOS 9
Moja EX
Obrazek
Avatar użytkownika
Forumowicz
 
Od: 22 mar 2005, 11:38
Posty: 1358 (1/1)
Skąd: Szczecin
Auto: BJ 2.0 :D, Demio 99r

Postprzez PLaster » 1 wrz 2008, 19:07

Wodzu a ile taka przyjemność kosztuje i gdzie można to kupić??
Na śruby jest sposób, WD-40 i trochę czasu. W sobotę walczyłem z śrubami do regulacji zbieżności i już traciłem nadzieję, ale WD co kilkanaście minut i po 3h się odkręciły i dało się coś regulować, ale i tak nic nie dało. Za duże są luzy.
Może masz jakieś wskazówki co do takiej operacji naprawy zawieszenia?
www.czelej.net
Avatar użytkownika
Klubowicz
 
Od: 4 lut 2008, 01:41
Posty: 2352 (23/37)
Skąd: Marki k. Warszawy/Podlasie
Auto: GH '10 L5 125KW
CR '08 LF 107KW

Postprzez Wodzu » 2 wrz 2008, 19:27

PLaster napisał(a):Wodzu a ile taka przyjemność kosztuje i gdzie można to kupić

Ile dokładnie to nie wiem na allegro kiedyś widziałem nie był to duży koszt.

PLaster napisał(a):Może masz jakieś wskazówki co do takiej operacji naprawy zawieszenia?

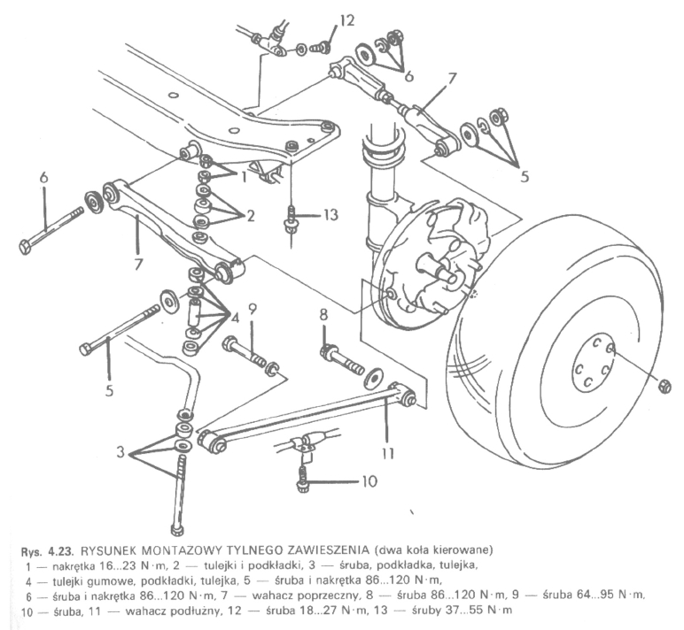
U nas tylna zawiecha jest prosta jak budowa cepa
Look
clipboard01gj2.jpg

<czytaj>
EX XEDOS 9
Moja EX
Obrazek
Avatar użytkownika
Forumowicz
 
Od: 22 mar 2005, 11:38
Posty: 1358 (1/1)
Skąd: Szczecin
Auto: BJ 2.0 :D, Demio 99r

Postprzez Hugo » 2 wrz 2008, 22:13

Wodzu napisał(a):U nas tylna zawiecha jest prosta jak budowa cepa

hahaha
Pozdrawiam Hubert
Mitsubishi Galant EA5A Avance 2,5 V6 '01 A/T sedan
Mitsubishi Galant EA2A Sport Edition 2,0 16V '98 A/T sedan (sprzedany)
Mazda 626 GE FS GLE SPECIAL '95 (najbardziej niezawodne auto jakie miałem)
Forumowicz
 
Od: 17 kwi 2008, 06:34
Posty: 1140
Skąd: Wolsztyn
Auto: Mitsubishi Galant Avance 2,5 V6 '01 A/T sedan

Postprzez PLaster » 3 wrz 2008, 09:47

Wodzu napisał(a):U nas tylna zawiecha jest prosta jak budowa cepa

a z czego się składa cep??

tą fotkę mam w programiku INFOTECH.
pytanie:
Czy śruby mocujące wahacze kupić od razu nowe, czy jak się urwą, to można je zastąpić prętem gwintowanym (kupowanym na metry) o większej twardości (np. 8.8)?
www.czelej.net
Avatar użytkownika
Klubowicz
 
Od: 4 lut 2008, 01:41
Posty: 2352 (23/37)
Skąd: Marki k. Warszawy/Podlasie
Auto: GH '10 L5 125KW
CR '08 LF 107KW

Postprzez Wodzu » 3 wrz 2008, 14:05

Hugo napisał(a):hahaha

Nie wiem co w tym smiesznego albo skomplikowanego :|
EX XEDOS 9
Moja EX
Obrazek
Avatar użytkownika
Forumowicz
 
Od: 22 mar 2005, 11:38
Posty: 1358 (1/1)
Skąd: Szczecin
Auto: BJ 2.0 :D, Demio 99r

Postprzez Hugo » 3 wrz 2008, 14:29

Wodzu napisał(a):Nie wiem co w tym smiesznego albo skomplikowanego
No wiesz widziałem prostsze zawieszenia tylne, np. belka. Więc nie zgadzam się, że jest proste jak budowa cepa. Mniejsza o to.
Pozdrawiam Hubert
Mitsubishi Galant EA5A Avance 2,5 V6 '01 A/T sedan
Mitsubishi Galant EA2A Sport Edition 2,0 16V '98 A/T sedan (sprzedany)
Mazda 626 GE FS GLE SPECIAL '95 (najbardziej niezawodne auto jakie miałem)
Forumowicz
 
Od: 17 kwi 2008, 06:34
Posty: 1140
Skąd: Wolsztyn
Auto: Mitsubishi Galant Avance 2,5 V6 '01 A/T sedan

Postprzez PLaster » 3 wrz 2008, 18:38

chopaki,kończcie z tym OT.
Oczekuje konkretnych informacji!!
www.czelej.net
Avatar użytkownika
Klubowicz
 
Od: 4 lut 2008, 01:41
Posty: 2352 (23/37)
Skąd: Marki k. Warszawy/Podlasie
Auto: GH '10 L5 125KW
CR '08 LF 107KW

Postprzez Waluś » 3 wrz 2008, 20:03

ależ proszę bardzo :)

PLaster napisał(a):a z czego się składa cep??

część bitna, młotna i śródcepie :)
hahaha

a tak serio to nie spotkałem się do tej pory z zamiennikami wahaczy tylnych, jedynie z tulejami, ale skoro mówicie że są to nie będe się spierał :]
Fotorelacje z napraw 626 GD
Gdzie zaczyna się pasja, tam kończy się ekonomia...
Avatar użytkownika
Forumowicz
 
Od: 21 lis 2003, 19:48
Posty: 5112 (0/4)
Skąd: Włodawa
Auto: GJ SH01, a rekreacyjnie niebieskie 1300 ccm na dwóch kołach

Postprzez PLaster » 4 wrz 2008, 08:21

Waluś napisał(a):część bitna, młotna i śródcepie usmiech

bijadła, trzymadła i więzadłą ;)
Waluś napisał(a):nie spotkałem się do tej pory z zamiennikami wahaczy tylnych

nie wiem czy to są zamienniki, ale oryginały pewnie tyle nie kosztują.
gość mi zaproponował ceny:
wzdłużny – 58 zł/szt.
poprzeczne – 65 zł/szt.
łącznik stabilizatora 45 zł/szt.
czyli łącznie 2*58 + 4*65 + 2*45 = 466 (zł)
od tego jeszcze odliczyć zniżki jaki już w sklepie mam.
www.czelej.net
Avatar użytkownika
Klubowicz
 
Od: 4 lut 2008, 01:41
Posty: 2352 (23/37)
Skąd: Marki k. Warszawy/Podlasie
Auto: GH '10 L5 125KW
CR '08 LF 107KW

Postprzez Szyna » 3 maja 2011, 12:55

Witam, żeby nie zakładać nowego tematu dopisze tutaj :D
W sumie to problem mam już rozwiązany ale zastanawia mnie to jak mocno dokręcić nowe łączniki stabilizatorów ? Bo ostatnio je wymieniłem z tylu jest krótka śruba wiec dokręciłem tylko tyle żeby wyszła trochę za gwint ale za to z przodu wystaje mi na 1,5cm, bo tak miałem stare wkręcone. Nie orientuje się ktoś jak to powinno być mocno podokrecane bo wiem ze jak za mocno to tez nie dobrze :P Wszystko było robione na stojącym samochodzie w kanale. :)
To, co łatwe, nie prowadzi do niczego.
GD – Generacja Doskonała
Avatar użytkownika
Moderator
 
Od: 20 lut 2008, 20:59
Posty: 3373 (90/160)
Skąd: Krotoszyn
Auto: Mazda 626 GD 2.0i 90 km '92r + LPG

Postprzez max » 3 maja 2011, 15:56

Ja zawsze skręcam tak troszkę z oporem aż delikatnie gumkę ściśnie i jak na razie jest ok :D
Avatar użytkownika
Forumowicz
 
Od: 16 lut 2006, 20:56
Posty: 470
Skąd: wlodawa
Auto: 626 coupe 2.2
mazda 3 2.0 TOPSPORT
audi A4 1.6
Transalp 600

Postprzez adam626 » 3 maja 2011, 22:42

W oryginalnych łącznikach śruba ma wystawać konkretna długość w mm nad nakrętkę.
Guma musi być lekko naprężona i to wystarczy.
Za mocno szybko padną gumki za słabo to się gumy powycierają dostana luzu i szybko padną :)
Dodam że pakuję w tulejkę smar miedziany do pełna i kiedy mam ochotę coś zrobić przy zawieszeniu mogę bez problemu rozkręcić i rozebrać cały łącznik. Jak tulejka pracuje to gumy się równomierniej zużywają.
Szukam kogoś kto zaopiekuje się GD GT 4WS
Samochód ogólnie sprawny z zadbaną tapicerką co jest unikalne w tym wieku auta.
Wymagający jednak poprawek blacharskich i lakierniczych na które ani ja ani Mazda nie mamy czasu.
Ewentualnych kandydatów zapraszam na PW
Avatar użytkownika
Forumowicz
 
Od: 18 lis 2003, 14:56
Posty: 774
Skąd: wawa
Auto: 626GD89 GT 4WS

Postprzez chris061 » 26 sie 2011, 21:06

Witam serdecznie właśnie zabrałem się za wymianę łączników stabilizatorów. No i stało się urwałem szpilkę (śrubę), nie wiecie może gdzie dokupić szpilkę taką żeby nie kupować całego łącznika ? Kupiłem gumy od opla i pasują bo z przodu już kiedyś takie wstawiłem. Może jak wcześniej ktoś pisał, że pręt gwintowany na metry kupić i po sprawie by było ? Jutro sobota i musze szybko działać bo samochód potrzebny.
Dokładnie śruba ma dł. 13,5 cm (10 do gwintu i 3,5 dm gwint).

Obrazek
Pozdero
Avatar użytkownika
Początkujący
 
Od: 13 lut 2009, 17:44
Posty: 20
Skąd: Braniewo
Auto: 626 GD 2.0i 8 v 1991r.

Postprzez Waluś » 27 sie 2011, 21:02

w każdym sklepie ze śrubami, tylko pytaj o twardość 8,8. Jak będzie więcej gwintu to nie przeszkadza, a jak sama śruba będzie dłuższa, to albo obetniesz, albo mocniej skręcisz.
O ile pamiętam to mając oryginalną szpilkę to po skręceniu od góry nakrętki do góry szpilki ma być 1 cm i tego się trzymaj (wyżej adam626 napisał dlaczego :) ). Jak kupisz śrubę 14 cm to masz mieć 1,5 cm. I tyle nic prostszego :)
Fotorelacje z napraw 626 GD
Gdzie zaczyna się pasja, tam kończy się ekonomia...
Avatar użytkownika
Forumowicz
 
Od: 21 lis 2003, 19:48
Posty: 5112 (0/4)
Skąd: Włodawa
Auto: GJ SH01, a rekreacyjnie niebieskie 1300 ccm na dwóch kołach

Postprzez chris061 » 9 wrz 2011, 21:01

Wszystko poszło jak należy zakupiłem szpilkę w sklepie tzw. metalowym. Z dłuższym gwintem i skręciłem w sumie na oko na ile mi gwint pozwolił. miałem problem z wybiciem tulejek ze starych szpilek, ale jakoś udało się.
pzdr
Pozdero
Avatar użytkownika
Początkujący
 
Od: 13 lut 2009, 17:44
Posty: 20
Skąd: Braniewo
Auto: 626 GD 2.0i 8 v 1991r.

Kto przegląda forum

Użytkownicy przeglądający ten dział: Brak zidentyfikowanych użytkowników i 2 gości

Moderator

Moderatorzy 6 / 626 / MX-6 / Xedos 6