Wężyki podciśnień 626 GD – jak podłączyć?
1, 2
Jestem po wymianie silnika, włożyłem 16V w miejsce 8V, przełożyłem cały osprzęt, problem pojawił się przy zaworkach podciśnień... kolory na przewodach się starły, nie wiem teraz jak podłączyć kable od komputera – tzn. która wtyczka do którego zaworka, wszystkie takie same
łącznie mam 5 zaworków: 3 są za silnikiem, po środku a dwa pod silnikiem po lewej stronie... Czy dysponuje ktoś schematami jak je podłączyć, a najlepiej jakby miał ktoś moe zdjęcia, który wężyk gdzie idzie?? i którą kostkę w który zaworek włożyć?? acha teraz gdy mam je odłączone, komputer gada o błedach 26 27 28 35 i 41... i to właśnie są chyba te zaworki??

- Od: 4 cze 2008, 10:20
- Posty: 755
- Skąd: Łódź
- Auto: Mazda 626 GD FE3 89'
hmmm to chyba schemat of FS/FP a nie FE3 
no niestety to nie ten schemat
ja potrzebuję myślę bardziej fotek, żeby zobaczyć co gdzie idzie, bo nawet mając podobny schemat od FE3 nie wiedziałbym którą wtyczkę gdzie włożyc
chyba że kolorami byłoby opisane 
ja potrzebuję myślę bardziej fotek, żeby zobaczyć co gdzie idzie, bo nawet mając podobny schemat od FE3 nie wiedziałbym którą wtyczkę gdzie włożyc

- Od: 4 cze 2008, 10:20
- Posty: 755
- Skąd: Łódź
- Auto: Mazda 626 GD FE3 89'
jeśli wymieniałeś silnik z Fe na FE3 to kilku wtyczek i tak nie będziesz miał gdzie włożyć
może ci brakować niektórych czujników i zaworów podciśnienia. to zupełnie inny motor. A ECU tez zmieniłeś 
no to opiszę jak to wszystko wyglądało
miałem normlanego 90 konnego, którego zatarłem
– nie sprawdziłem oleju... no i strzelił, kupiłem wersje coupe dohc ale okazało się, że silnik był już mocno zużyty, więc przełożyłem wszystko – komputer, wiązki, wiltr paliwa z przepływomierzem... no i kupiłem jeszcze jeden silnik... sprowadzają w Krakowie z Japonii ;p ale on jest troszke inny, znaczy inny kolektor ssący i ma czujnik uderzeniowy – w maździe nie widziałem go, natomiast tez kolektor nie ma tylu wężyków...
ogólnie jest śmiesznie, samochód jak ustawie poprawnie zapłon to nieprzyspiesza;p jak przyspieszę o jakieś 20 stopni poza tym że na niskich obrotach klekoczę – wiem rozwalam go troszkę
to przyspiesza w miarę, w miarę ok... no i teraz nie wiem czy to może być wina tych wężyków... jeżeli chodzi o te zaworki to tylko mam podłączone te 2 które są pod kolekorem.
poza tym po podłączeniu były jakieś błędy... prąd gdzieś znikał, teraz jest chyba ok, tylko nie wiem czy to że zawór wyprzedzenia kąta zapłonu uruchamia się dopiero przy ok. 5k obr... może powinien wcześniej??
miałem normlanego 90 konnego, którego zatarłem

- Od: 4 cze 2008, 10:20
- Posty: 755
- Skąd: Łódź
- Auto: Mazda 626 GD FE3 89'
załóż swój kolektor i podłącz wszystko
Szukam kogoś kto zaopiekuje się GD GT 4WS
Samochód ogólnie sprawny z zadbaną tapicerką co jest unikalne w tym wieku auta.
Wymagający jednak poprawek blacharskich i lakierniczych na które ani ja ani Mazda nie mamy czasu.
Ewentualnych kandydatów zapraszam na PW
Samochód ogólnie sprawny z zadbaną tapicerką co jest unikalne w tym wieku auta.
Wymagający jednak poprawek blacharskich i lakierniczych na które ani ja ani Mazda nie mamy czasu.
Ewentualnych kandydatów zapraszam na PW

- Od: 18 lis 2003, 14:56
- Posty: 774
- Skąd: wawa
- Auto: 626GD89 GT 4WS
jutro tak też zrobię, jeszcze dzisiaj wystawię silnik i pokażę różnice, jeden forumowicz powiedział, że sprawdzi jak jest u niego i pomoże...
a ty ADAM626 myślisz że ta mniejsza moc może być właśnie tym spowodowana??
a ty ADAM626 myślisz że ta mniejsza moc może być właśnie tym spowodowana??

- Od: 4 cze 2008, 10:20
- Posty: 755
- Skąd: Łódź
- Auto: Mazda 626 GD FE3 89'
sprawdź wpierw ustawienie rozrządu
aż takiej różnicy podciśnienia nie powinny dawać
lewe powietrze albo otwarty egr mogą dawać spadki mocy ale chyba nie aż takie jak opisujesz
moze być tez sytuacja że zakupiony silnik jest w innej specyfikacji i ma jakies powazniejsze różnice mechaniczne ale w to watpię
aż takiej różnicy podciśnienia nie powinny dawać
lewe powietrze albo otwarty egr mogą dawać spadki mocy ale chyba nie aż takie jak opisujesz
moze być tez sytuacja że zakupiony silnik jest w innej specyfikacji i ma jakies powazniejsze różnice mechaniczne ale w to watpię
Szukam kogoś kto zaopiekuje się GD GT 4WS
Samochód ogólnie sprawny z zadbaną tapicerką co jest unikalne w tym wieku auta.
Wymagający jednak poprawek blacharskich i lakierniczych na które ani ja ani Mazda nie mamy czasu.
Ewentualnych kandydatów zapraszam na PW
Samochód ogólnie sprawny z zadbaną tapicerką co jest unikalne w tym wieku auta.
Wymagający jednak poprawek blacharskich i lakierniczych na które ani ja ani Mazda nie mamy czasu.
Ewentualnych kandydatów zapraszam na PW

- Od: 18 lis 2003, 14:56
- Posty: 774
- Skąd: wawa
- Auto: 626GD89 GT 4WS
tutaj raczej obstawiałbym winę po stronie komputera. ten japoński to może być coś w stylu ZE w serii K... więc na twoim komputerze poprostu może nie chodzić. Jak przełożysz kolektor to powinno być po sprawie , choć pewnie parę koników będzie mniej niż miałby ten J-spec w wersji poprawnie zamontowanej i wysterowanej. Ale po przełożeniu twojego kolektora będziesz miał standardowe FE3
no to nagrałem filmik, jak to mniej więcej wygląda... jakby ktoś wiedział jak podłączyć te zaworki, który do jakiej wtyczki to prosiłbym o pomoc 
filmik wrzuciłem na ytb myślę że rozdzielczość i opis wystarczająco łatwy
filmik wrzuciłem na ytb myślę że rozdzielczość i opis wystarczająco łatwy

- Od: 4 cze 2008, 10:20
- Posty: 755
- Skąd: Łódź
- Auto: Mazda 626 GD FE3 89'
Miałeś przesłać mi na maila zdjęcie komory silnika z zaznaczonymi miejscami, które Cię interesują. Widzę że nagrałeś filmik, na którym wyjaśniłeś czego brakuje.
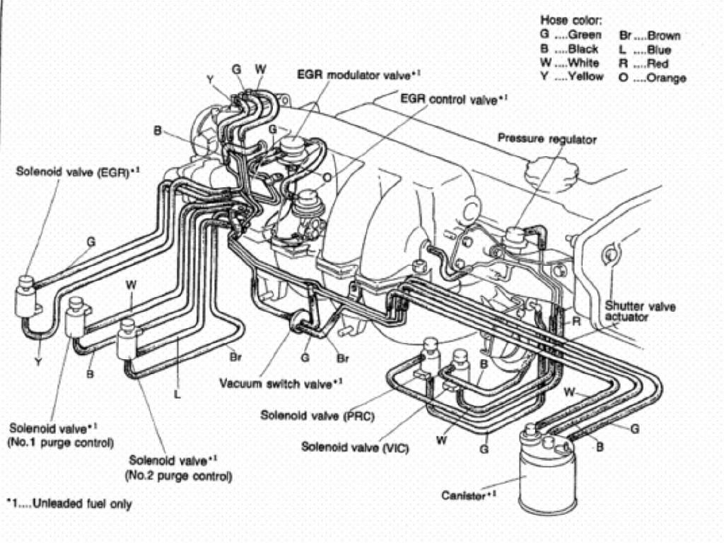
Porobiłem foty, lecz jest taka plątanina przewodów podciśnieniowych i elektrycznych, że ciężko na nich cokolwiek dostrzec. Na szczęście znalazłem ten schemat o którym Ci wspominałem, myślę że wiele wyjaśni.
A to cięgno które idzie od gruszki do kolektora to jest raczej sterowanie VICS-a, a nie przyśpieszenie zapłonu. VICS otwiera się w okolicach 4500 obr. Rzuciło mi się w oczy, że brakuje zbiornika podciśnienia do którego idą te przewody które pokazałeś. Najlepiej będzie jak przerzucisz kolektor lub przynajmniej samą przepustnice od poprzedniego silnika, bo w obecnej nie widać króćców na przewody od podciśnień.
Schemat
Foty
PS. Jak widać do komory silnika szmatka dawno nie zaglądała.
Porobiłem foty, lecz jest taka plątanina przewodów podciśnieniowych i elektrycznych, że ciężko na nich cokolwiek dostrzec. Na szczęście znalazłem ten schemat o którym Ci wspominałem, myślę że wiele wyjaśni.
A to cięgno które idzie od gruszki do kolektora to jest raczej sterowanie VICS-a, a nie przyśpieszenie zapłonu. VICS otwiera się w okolicach 4500 obr. Rzuciło mi się w oczy, że brakuje zbiornika podciśnienia do którego idą te przewody które pokazałeś. Najlepiej będzie jak przerzucisz kolektor lub przynajmniej samą przepustnice od poprzedniego silnika, bo w obecnej nie widać króćców na przewody od podciśnień.
Schemat
Foty
PS. Jak widać do komory silnika szmatka dawno nie zaglądała.
Ostatnio edytowano 6 lut 2009, 22:18 przez Przemo, łącznie edytowano 1 raz

- Od: 12 gru 2004, 21:14
- Posty: 223
- Skąd: okolice Kraka
- Auto: 626 GD 2.0 16V GT 4WS
hehe a ja myślałem że to w moim F2T jest dużo wężyków podciśnienia a tu zonk 

Przemo
bardzo dziękuję!!!!
jutro lub w sobotę przekładam kolektor i przepustnicę, dam znać co powstało:)
bardzo dziękuję!!!!

- Od: 4 cze 2008, 10:20
- Posty: 755
- Skąd: Łódź
- Auto: Mazda 626 GD FE3 89'
no to wymieniłem, i nie wiem czy lepiej, na pewno mam jeszcze małą dziurkę w wydechu zaraz za kolektorem i z pewnością przeszkadza sondzie ;/ ;p na pewno też jest problem z wtryskiwaczami, bo nie dało rady wpiąć kostek w tamte czymś się różnią, więc listwę wtryskową zostawiłem, z resztą te z drugiego kolektora były mocno zużyte...
tyle że te są krótsze i coś marnie wchodzą – nie da się ich dokręcić tak jak powinno...
jeszcze sporo pracy przede mną ;/ ;p a miało być już tak pięknie... jedyna pozytywna w tym wszystkim rzecz, to że nie przerywa między 3000-4000...
przyspieszenia nie ma jeszcze prawidłowego, no ale zobaczymy jeszcze co da się z tymi wtryskami pokombinować i linkę gazu muszę naciągnąć
przyspieszenia nie ma jeszcze prawidłowego, no ale zobaczymy jeszcze co da się z tymi wtryskami pokombinować i linkę gazu muszę naciągnąć

- Od: 4 cze 2008, 10:20
- Posty: 755
- Skąd: Łódź
- Auto: Mazda 626 GD FE3 89'

- Od: 4 cze 2008, 10:20
- Posty: 755
- Skąd: Łódź
- Auto: Mazda 626 GD FE3 89'
wiesiek5 a jakto nowy nie odpalany?? 

- Od: 4 cze 2008, 10:20
- Posty: 755
- Skąd: Łódź
- Auto: Mazda 626 GD FE3 89'
1, 2
Kto przegląda forum
Użytkownicy przeglądający ten dział: Brak zidentyfikowanych użytkowników i 3 gości

