Takie jak tu:
https://allegro.pl/fotele-kanapa-pasy-t ... 28539.htmlChciałbym wymienić sobie wnętrze na skórzane, elektryczne, podgrzewane.
Takie jak tu:
https://allegro.pl/mazda-cx-7-fotele-sk ... 80557.htmlRozumiem że mechanicznie to pasuje ale kwestia elektryki – prąd do fotela aby działała regulacja oraz poprzez włącznik podgrzewanie.
Ktoś to przerabiał?? Tam pod spodem jest jedna duża kostka w której ja u siebie mam mało pinów zajętych. Chyba tylko do poduszki. Trzeba by jakieś osobne kable obok istniejącej wiązki puścić.
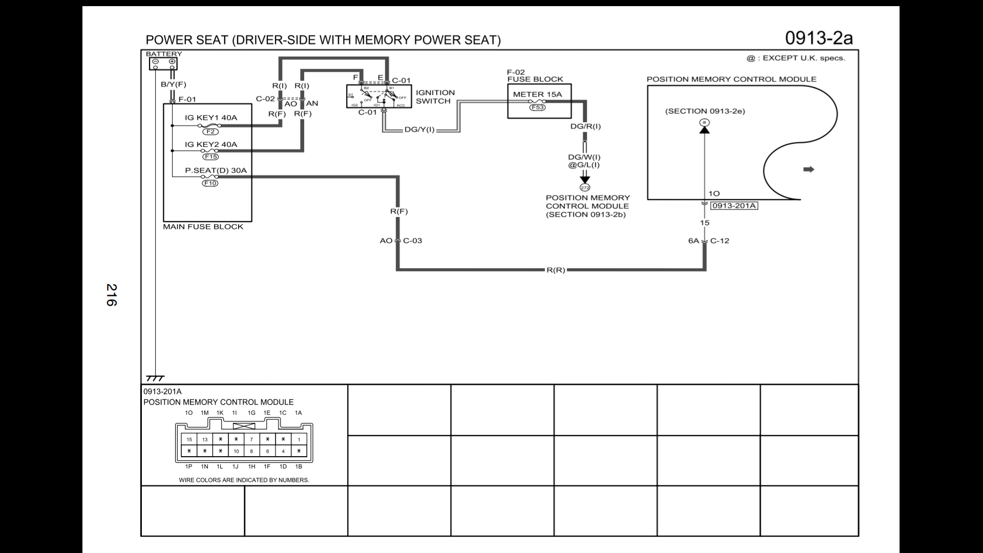
Ma ktoś gdzieś jakiś schemat co do czego idzie??
Dużo rzeźbienia jest?? Robił ktoś coś takiego??

bym sobie odpuścił, tu już więcej grzebania

pomimo że wtyczki pasują jest inny rozkład pinów.