Wymiana tulei wahacza przedniego (wewnętrzna)
1, 2
Chodzi Ci o tą samą gumę (zimerblock [jaki?]), bo jeśli tak to nie jest jakaś przerażająca cena, bo można kupić wkład za 35 złotych a roboty dość dużo więc lepiej oddać mechanikowi, robiłem w ten piątek i powiem szczerze, mechanicy się ostro narobili
, jeśli masz rozwaloną to raczej bez opalania się nie obejdzie. Oczywiście trzeba zdjąć cały [waaaco?] (prawy jest trochę problematyczny bo trzeba uważać na klimatyzacje. Wkłady też tak łatwo nie wchodzą 
[color=#80BFFF]
- Od: 5 sie 2009, 10:50
- Posty: 197
- Skąd: Warszawa
- Auto: mazda 3 2.0. v8
No to mówimy o tym samym
więc trzeba zdjąć [waaaco?] całe, operacja jest ciężka u mnie trzeba było wypalać gumę w środku bo były tak zjechane, że nie chciały zejść. W polcarze mialem do wyboru takie jak twoje za 120 i wkłady za 30 zł, wybralem wieć wkłady
Za całość z robocizną zapłaciłem 160zł. Po tym jak widziałem jak się bawili, szczególnie że wkłady też tak idealnie nie pasowaly do metalowej obudowy zaprawdę powiadam Ci, że w pojedynkę mogą wystąpić problemy, które będą wymagały pomocy kolegi, metalowych rur itp. szczególnie po zimie
.
[color=#80BFFF]
- Od: 5 sie 2009, 10:50
- Posty: 197
- Skąd: Warszawa
- Auto: mazda 3 2.0. v8
No Ok ale po co wypalać tą gumę skoro zostanie tuleja metalowa? i tak trzeba ja wybić? Nie do końca kumam tego wypalenia gumy 
Jak będę kupował to to co widać na zdjęciu, pierwszy raz słyszę o wkładach do akurat tego elementu.
Jak będę kupował to to co widać na zdjęciu, pierwszy raz słyszę o wkładach do akurat tego elementu.
Madzia Forever :)

- Od: 5 lut 2007, 22:44
- Posty: 930
- Skąd: Zielona Góra
- Auto: BYŁA M3 BK HB 1.6 Benzyna 2005/BYŁA 323 BG 1.3 Teraz nie ma nic :(
Prasa jest przydatna, ale nie konieczna. To są tuleje, które nabija się na wahacz. Przy zdejmowaniu można je wypalić a tą metalową tuleję naciąć szlifierką jeśli nie chcą zejść (tylko ostrożnie, żeby wahacza nie uszkodzić). Założyć nowe można nawet przy pomocy młotka (tylko nie tłuc bezpośrednio w tuleję).
viewtopic.php?f=471&t=127269&start=960
Strona 49 i trochę wcześniej ok. 47
Strona 49 i trochę wcześniej ok. 47
Podłącze się pod temat. U mnie były do wymiany tuleje wahaczy tylne przednia oś i sworznie również w kiepskim stanie. Zabrałem się do tego jako amator mechanik i dałem rade. Zrobiłem parę fotek aby ułatwić innym życie. Wszystko zrobione pod blokiem. Wahacze zakupiłem na aledrogo za niecałe 300 zł z przesyłką. Dali dwa lata gwarancji, co mnie przekonało i oczywiście opinie klientów którzy zrobili na tych wahaczach około 40 tyś i wszystko jest dobrze :
http://allegro.pl/wahacze-wahacz-mazda- ... 92431.html.
Kroki:
1. Odkręcamy koło i samochód w górę i podstawiamy kobyłkę i ściągamy koło
2. Luzujemy śruby tulei wahacza z przodu- 1 śruba (klucz 19) z tyłu tulei wahacza tył- dwie śruby (klucz 17)
3. Odkręcamy śrubę poziomą przy sworzniu (klucz 14)
4. Wybijamy sworzeń( u mnie wyszło bez użycia WD)
5 Odkręcamy poluzowaną resztę śrub i wyciągamy wahacz+ przekładamy odbój
Montaż nowego wahacza odwrotnie
Czas pierwszego prawego wahacza to około godzina pracy na spokojnie. Przy drugim lewym wahaczu zmieściłem się w 30 minut. Najwięcej czasu schodzi przy wybijaniu sworzni ( dobrze dobrany wybijak tj. stary śrubokręt; kawałek pręta) plus młotek rokuje sukces ale trzeba dobrze napie....ć.
Użyte narzędzia:
Klucz nasadowy 19(tuleja przednia),17(tuleja tylna),14(pozioma śruba przy sworzniu),12(odboje) + rura
Młotek + wybijak, przecinak
W moim przypadku nie ma potrzeby robić geometrii. Samochodu nie ściąga i opon również nie zabiera.
Czasem warto się zastanowić, gdyż sama wymiana tulei tylnej to ok 70-100 zł z robocizną na prasie + część lemforder-a za ok. 120 zł.
Wybrałem opcję zakupu nowego wahacza w komplecie i myślę, że dobrze zrobiłem.
Pozdrawiam
http://allegro.pl/wahacze-wahacz-mazda- ... 92431.html. Kroki:
1. Odkręcamy koło i samochód w górę i podstawiamy kobyłkę i ściągamy koło
2. Luzujemy śruby tulei wahacza z przodu- 1 śruba (klucz 19) z tyłu tulei wahacza tył- dwie śruby (klucz 17)
3. Odkręcamy śrubę poziomą przy sworzniu (klucz 14)
4. Wybijamy sworzeń( u mnie wyszło bez użycia WD)
5 Odkręcamy poluzowaną resztę śrub i wyciągamy wahacz+ przekładamy odbój
Montaż nowego wahacza odwrotnie
Czas pierwszego prawego wahacza to około godzina pracy na spokojnie. Przy drugim lewym wahaczu zmieściłem się w 30 minut. Najwięcej czasu schodzi przy wybijaniu sworzni ( dobrze dobrany wybijak tj. stary śrubokręt; kawałek pręta) plus młotek rokuje sukces ale trzeba dobrze napie....ć.
Użyte narzędzia:
Klucz nasadowy 19(tuleja przednia),17(tuleja tylna),14(pozioma śruba przy sworzniu),12(odboje) + rura
Młotek + wybijak, przecinak
W moim przypadku nie ma potrzeby robić geometrii. Samochodu nie ściąga i opon również nie zabiera.
Czasem warto się zastanowić, gdyż sama wymiana tulei tylnej to ok 70-100 zł z robocizną na prasie + część lemforder-a za ok. 120 zł.
Wybrałem opcję zakupu nowego wahacza w komplecie i myślę, że dobrze zrobiłem.
Pozdrawiam

- Od: 30 sie 2012, 20:35
- Posty: 8
- Auto: Mazda 3 BK 1349cm3, 62 KW 2005 Benzyna (Hatchback)
Dokładnie jest to tańsza opcja i mniej roboty, nie potrzeba prasy z tym że jak bym miał zmieniać całość bo mam do wymiany sworzeń albo jedną tuleję to sorry dobry wahacz jednak wyjdzie drożej. Opłaca się to jeśli mamy już wszystko wybite.
Moja M też dostała dziś prezent 2 tuleje i 2 sworznie w sobotę do południa prasa i wymiana z pewnością nie będzie to 30 minut przy prasowaniu nowych elementów.
Moja M też dostała dziś prezent 2 tuleje i 2 sworznie w sobotę do południa prasa i wymiana z pewnością nie będzie to 30 minut przy prasowaniu nowych elementów.
Oddam 2 czujniki ABS
Szpilki do kół
Ozonowanie samochodów i pomieszczeń.
Szpilki do kół
Ozonowanie samochodów i pomieszczeń.
Cześć.
Kilka dni temu podczas corocznej kontroli stanu pojazdu na stacji diagnostycznej, znajomy diagnosta zwrócił mi uwagę, abym wymienił sobie tylną tuleje przedniego wahacza.
Z tego co do tej pory udało mi się rozszyfrować na tym forum, to fakt że koniecznie trzeba ściągnąć cały wahacz aby założyć nowe tuleje. Proszę o potwierdzenie tej informacji.
Udało się to zrobić komuś samemu bez ściągania wahacza, jest to wykonalne?
Będę wdzięczny jak ktoś odpisze i podzieli się rzeczową informacją.

Kilka dni temu podczas corocznej kontroli stanu pojazdu na stacji diagnostycznej, znajomy diagnosta zwrócił mi uwagę, abym wymienił sobie tylną tuleje przedniego wahacza.
Z tego co do tej pory udało mi się rozszyfrować na tym forum, to fakt że koniecznie trzeba ściągnąć cały wahacz aby założyć nowe tuleje. Proszę o potwierdzenie tej informacji.
Udało się to zrobić komuś samemu bez ściągania wahacza, jest to wykonalne?
Będę wdzięczny jak ktoś odpisze i podzieli się rzeczową informacją.

- Od: 28 cze 2016, 13:26
- Posty: 8
- Skąd: Śląsk
- Auto: Mazda 3 BK 2005
Może i wykonalne ale ta robota żeby to wymienić bez wyciągania całego to była by porażka. Żeby wyjąć wahacz odkręcasz 4 śruby
Oddam 2 czujniki ABS
Szpilki do kół
Ozonowanie samochodów i pomieszczeń.
Szpilki do kół
Ozonowanie samochodów i pomieszczeń.
Tuleje wymienione – brudna robota, ale dałem rady.
Zakupiłem tuleje firmy LEMFÖRDER, dobrej klasy zamiennik za 80złotych/sztuka ( w sklepie gdzie kiedyś pracowałem, dlatego taka cena).
Jestem zadowolony i usatysfakcjonowany, tym że udało mi się do zrobić w miarę szybko i samemu.
Dzięki za pomoc i do kolejnego tematu...
Zakupiłem tuleje firmy LEMFÖRDER, dobrej klasy zamiennik za 80złotych/sztuka ( w sklepie gdzie kiedyś pracowałem, dlatego taka cena).
Jestem zadowolony i usatysfakcjonowany, tym że udało mi się do zrobić w miarę szybko i samemu.
Dzięki za pomoc i do kolejnego tematu...

- Od: 28 cze 2016, 13:26
- Posty: 8
- Skąd: Śląsk
- Auto: Mazda 3 BK 2005
Byłem dzisiaj sprawdzić zbieżność kół – przód był ustawiony idealnie. Jedynie z tyłu prawe koło lekko jest odchylone ale w granicach tolerancji. Pracownik stacji powiedział, że może być jakaś tuleja zapadnięta.
Koszt sprawdzenia zbieżności + sprawdzenie oraz wyczyszczenie felgi, gdzie traciło mi się powietrze; 70 złotych. Otrzymałem wydruk badania.
Korzystałem już drugi raz z usług tego serwisu i jestem bardzo zadowolony.
Polecam warsztat: http://mtuner.pl/
Koszt sprawdzenia zbieżności + sprawdzenie oraz wyczyszczenie felgi, gdzie traciło mi się powietrze; 70 złotych. Otrzymałem wydruk badania.
Korzystałem już drugi raz z usług tego serwisu i jestem bardzo zadowolony.
Polecam warsztat: http://mtuner.pl/

- Od: 28 cze 2016, 13:26
- Posty: 8
- Skąd: Śląsk
- Auto: Mazda 3 BK 2005
Cześć, po niedawnym przeglądzie dowiedziałem się że muszę wymienić tuleje wahaczy z przodu. Jakiej ceny za taką usługę mogę się spodziewać w warsztacie (Poznań) ? Jak narazie dzwoniłem do jednego warsztatu i zaśpiewali sobie po 150 zł od strony, czy to nie za dużo?

- Od: 5 wrz 2016, 10:14
- Posty: 2
- Auto: Mazda 3 1.6 Active
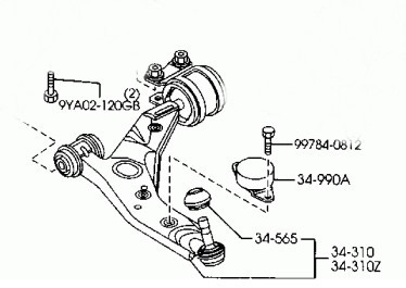
Zapewne chodzi o te elementy:
https://allegro.pl/febi-tuleja-wahacza- ... 14994.html
to jak widzisz odkręcenie 2 śrubek, wyjęcie tulei z wahacza, założenie nowej i wkręcenie 2 śrubek.
Przynajmniej w teorii, bo ciekawe czy stara tuleja zejdzie łatwo czy nie.
https://allegro.pl/febi-tuleja-wahacza- ... 14994.htmlto jak widzisz odkręcenie 2 śrubek, wyjęcie tulei z wahacza, założenie nowej i wkręcenie 2 śrubek.
Przynajmniej w teorii, bo ciekawe czy stara tuleja zejdzie łatwo czy nie.
Niedawno wymieniałem sworzeń przedniego wahacza. Cena jaką wziął mechanik za robociznę to 80 zł. Wyciągał wahacz a sworzeń trzeba było trochę przyłapać spawami. Sworzeń 60 zł.
1, 2
Kto przegląda forum
Użytkownicy przeglądający ten dział: Brak zidentyfikowanych użytkowników i 6 gości

