opisze w jaki sposób naprawiłem zamek centralny w Mazda 3 BK HB, 2007, 1.6 MZ-CD
OBJAWY:
objawy pojawiały się przez ok. 3 m-ce w różnej kolejności. Czasem ustępowały ale później pojawiały się kolejne a na koniec było już wszystko na raz
1. Brak możliwości otworzenia bagażnika z przycisku na klapie
2. Mozna tylko zamknąć drzwi. Zamek centralny nie reagował na otwieranie z pilota i podczas otwierania kluczykiem.
3. Światło w środku nie gasło po zamknięciu drzwi.
4. Paliła się kontrolka na zegarach od niezamkniętych drzwi
DIAGNOSTYKA:
Sprawdziłem wszystkie bezpieczniki w aucie.
Na początku podejrzewałem zamek w drzwiach kierowcy. Rozebrałem drzwi ale okazało się że zamek jest sprawny.
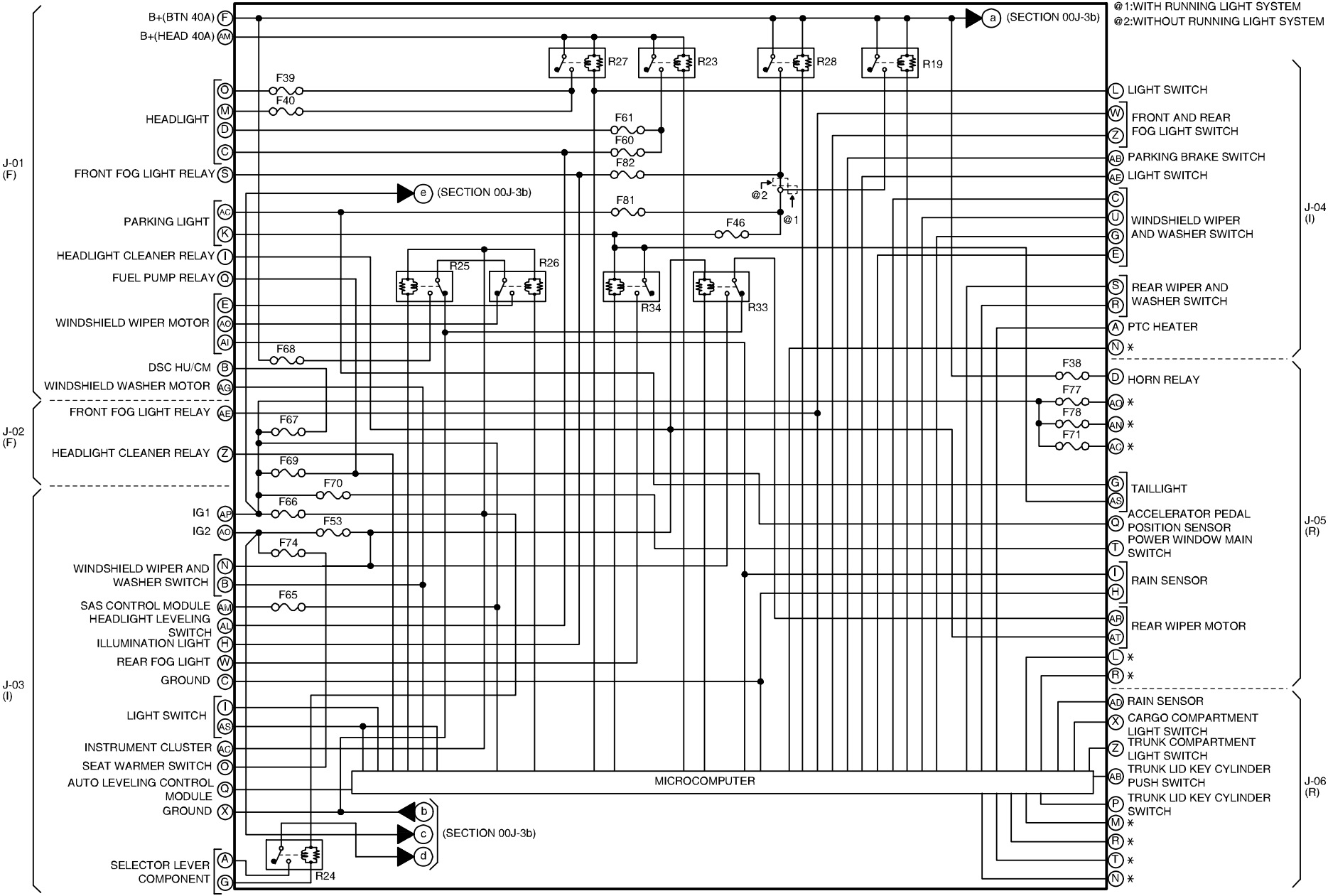
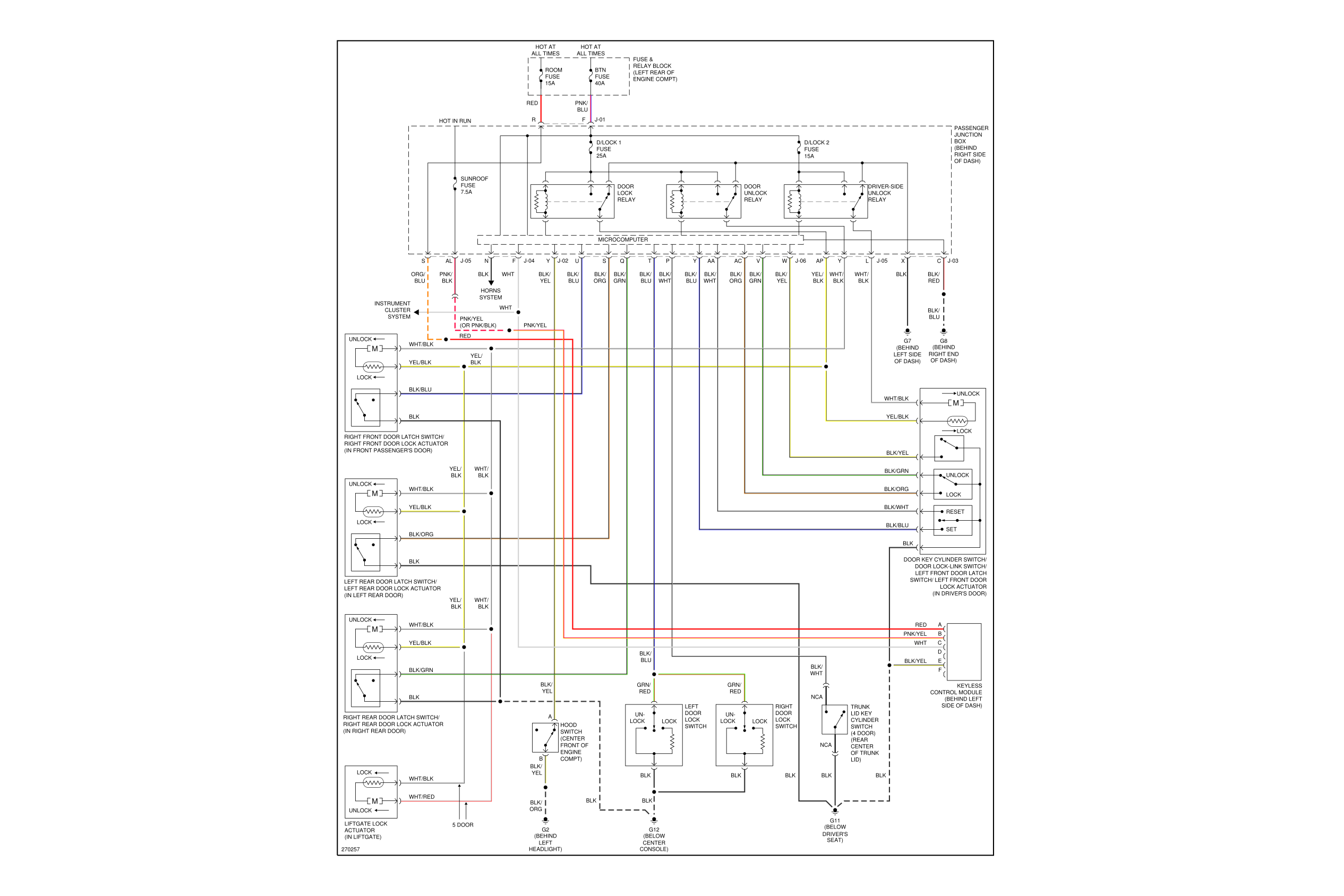
Na schemacie elktrycznym znalazłem przewody od zasilania wszystkich zamków w drzwiach. Rozlączyłem akumulator i odpiąłem wszystkie wtyczki od modułu BCM* (Mazda oznacza go jako PJB*) pod schowkiem pasażera.
Zasilanie na silniki zamków idą przewodami AP (żółto-czarny*) i Y(biało-czarny) we wtyczce J-03 (pomarańczowa wtyczka od dołu modułu). Podałem 12V na te przewody we wtyczce i wszystkie zamki się zamknęły. Po podaniu odwortnej polaryzacji wszystkie zamki sie otworzyły. Czyli już wiedziałem że zamki w drzwiach są sprawne elektrycznie.
Teraz musiałem sprawdzić czy moduł podaje zasilanie na te zamki. Wpiąłem wszystkie wtyczki do PJB i podpiąłem akumulator. Podłączyłem miernik do przewodów Ap i Y w J-03 i podczas zamykania z pilota pojawiło sie na chwile napięcie 12V a zamki się zamknęły (co już było poprawa bo wcześniej się nie zamykało). Podczas otiwerania natomiast nie było napięcia między tymi przewodami, zamki się nie otworzyły ale słyszałem że działa przekaźnik w PJB. Wiedziałem że przekaźniki od otwierania i zamykania działają. To był dobry znak tzn. że komputer wysyła sygnał do cewki przekaźników.
Zdemontowałem i otworzyłem PJB (3 śrubki i zatrzaski dookoła). Udało się zlokalizować który to przekaźnik (opis na zdjęciu). Jest to podwójny przekaźnik koloru białego bliżej środka płytki.
Sprawdziłem jeszcze czy mikrostyki od potwierdzenia zamknięcia/otwarcia działają prawidłowo. Tutaj ustawiamy miernik na sprawdzenie ciągłości obwodu (brzęczyk) i spawdzamy czy jest przejście między masą a danym przewodem od zamka. Sprawdzamy w dwóch stanach zamkniętym i otwartym (w jednym jest przejście a w drugim ma go nie być)
Na schemacie są to przewody we wtyczce J-06:
– Lewy przód – W (czarno-żółty)
– Prawy przód – U (czarno-niebieski)
– Lewy tył – S (czarno-pomarańczowy)
– Prawy tył – Q (czarno-zielony)
U mnie wszystkie działały prawidłowo.
*BCM – Body Comfort Module
*PJB – Passenger Junction Box
* kolor żółto-czarny oznacza żółty z czarnym paskiem, czarno-żółty to czarny z żóltym paskiem
NAPRAWA
Ponieważ płytki PJB są dwustronnie lutowanie i do tego zlutowane są 2 ze sobą, nie było możliwości tradycyjnego wylutowania przekaźnika. Postanowiłem zdemontowac go mechanicznie zostawiając wystające nóżki z pól lutowniczych. Do tego użyłem dremela lub innej mini szlifierki i powoli rozcinałem obudowe przekaźnika. Tutaj należy postępować bardzo delikatnie bo można łatwo wyrwać nóżke z otworu a wtedy dokładamy sobie sporo pracy. Nie polecam też mocnego podważania i odrywania.
Po usunięciu starego przekaźnika zostało dolutować do wystających nóżek nowy element. Znalazłem też inny spsób (patrz zdjęcia niżej)
Złożyłem PJB i zamontowałem w aucie. Teraz centralny działa prawidłowo z kluczyka i pilota na wszystkich drzwiach.
Na zdjęciach widać wymiane innych przekaźników ale zasada jest ta sama
Zdjęcia z wymiany:
