Mam pytanko gdzie w BK znajduje się przekaźnik wycieraczek przód???
Ktoś wie??
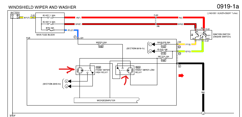
Przekaźnik przednich wycieraczek
Strona 1 z 1
Strona 1 z 1
Kto przegląda forum
Użytkownicy przeglądający ten dział: Brak zidentyfikowanych użytkowników i 13 gości
