Wymiana rozrządu 323 1.8 16V momenty dokręcania

Postprzez andrev2222 » 9 lis 2010, 14:38

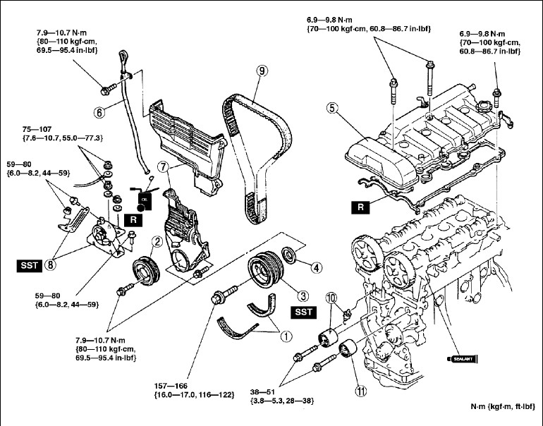
Witam czy ktoś zna lub ma dostęp do materiałów, gdzie podane by były momenty dokręcania rolki napinającaj i rolki prowadzącej, przy ich wymianie w silniku 1.8 16V 114KM. Rozrząd jest taki:
Obrazek
AD nie podaje momentów dla tych rolek.
Początkujący
 
Od: 9 lis 2010, 14:18
Posty: 12

Postprzez andrev2222 » 11 lis 2010, 08:24

Odświeżam :) nikt nie posiada serwisówki, lub wiedzy na ten temat?
Początkujący
 
Od: 9 lis 2010, 14:18
Posty: 12

Postprzez Borys » 11 lis 2010, 12:28

To do FS, ale to bliźniacze silniki, chyba nawet te same części.
Załączniki
FS_rozrząd.jpg
Obrazek Obrazek
Avatar użytkownika
Forumowicz
 
Od: 28 lip 2007, 23:00
Posty: 2063 (0/1)
Skąd: Łódź
Auto: Lancer

Postprzez andrev2222 » 11 lis 2010, 16:30

Dzięki wielkie za pomoc. Mógłbyś zdradzić gdzie takie dokładne i przejrzyste rysunki i dane dla mazdy można znaleźć. To serwisówka czy jakiś program?
Początkujący
 
Od: 9 lis 2010, 14:18
Posty: 12

Postprzez Borys » 11 lis 2010, 16:34

To jest serwisówka dla amerykańskiej mazdy Protege, tylko dla silników po lifcie.
http://www.mazdaspd.com/manuals.html
Obrazek Obrazek
Avatar użytkownika
Forumowicz
 
Od: 28 lip 2007, 23:00
Posty: 2063 (0/1)
Skąd: Łódź
Auto: Lancer

Postprzez andrev2222 » 13 lis 2010, 22:30

Protege to to samo (przynajmniej jesli chodzi o 1.8 16V) więc stokrotne dzięki za info. Ukłony mistrzu. Gdybym mógł jakoś pomóc to w przyszłości służę pomocą.
Początkujący
 
Od: 9 lis 2010, 14:18
Posty: 12

Kto przegląda forum

Użytkownicy przeglądający ten dział: Brak zidentyfikowanych użytkowników i 1 gość

Moderator

Moderatorzy 3 / 323