Swap 2.0 KF ---> 2.5 KL-DE z Ford Probe/626
no to własnie ten trzeci to ekran, u mnie w obu wersjach było tak samo. Najgorsze jest to że jutro muszę rozbierać rozrząd żeby sprawdzić czy się nie przestawił a w aucie już to nie będzie za fajne do roboty;/ ciasno!
Wymieniałem pasek ale było ok... a sam by sie raczej nie przestawił wiec nie wiem co jest grane, bo czujnik jest sprawny, sprawdzałem miernikiem. Kręciłem rozrusznikiem a odczyt sie regularnie zmieniał. Zresztą tam wszystko jest nowe także ni chu chu żeby był zepsuty:P
Niech mi tylko ktoś powie czy przy złym ułożeniu rozrządu komputer odcina iskrę i wtrysk? Czy może mam zepsuty komputer... bo nie ogarniam tego wentylatora co sie włącza gdy przestane kręcić rozrusznikiem...
Niech mi tylko ktoś powie czy przy złym ułożeniu rozrządu komputer odcina iskrę i wtrysk? Czy może mam zepsuty komputer... bo nie ogarniam tego wentylatora co sie włącza gdy przestane kręcić rozrusznikiem...
No ok, niech będzie padnięty aparat ale co z wtryskami? i błędem 04?
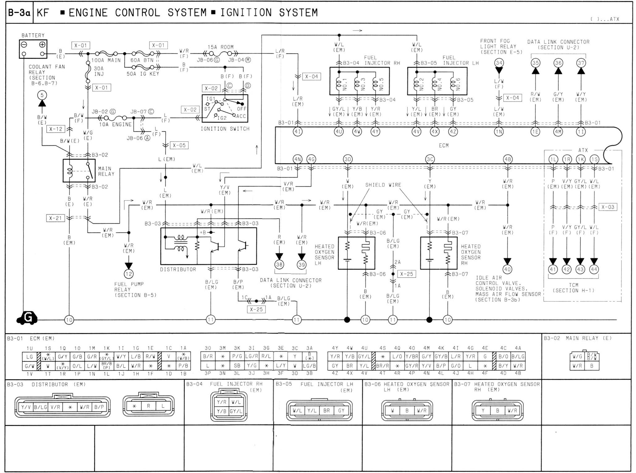
aaa czujnik hala? może źle go podpiąłem.. hmm Aparat mam z nowego czyli KL'a. Piny podpiąłem tak jak w KF'ie bo wychodziło na to, że wszystko je takie same... Jak sprawdzić czy to oby na pewno aparat? Z tego co widzę ze schematu od KF'a to są w nim dwa tranzystory bipolarne, które szło by sprawdzić. Pytanie zatem o budowę KL01 a KF34.
Ostatnio edytowano 19 lip 2016, 20:38 przez corpha76lon, łącznie edytowano 1 raz
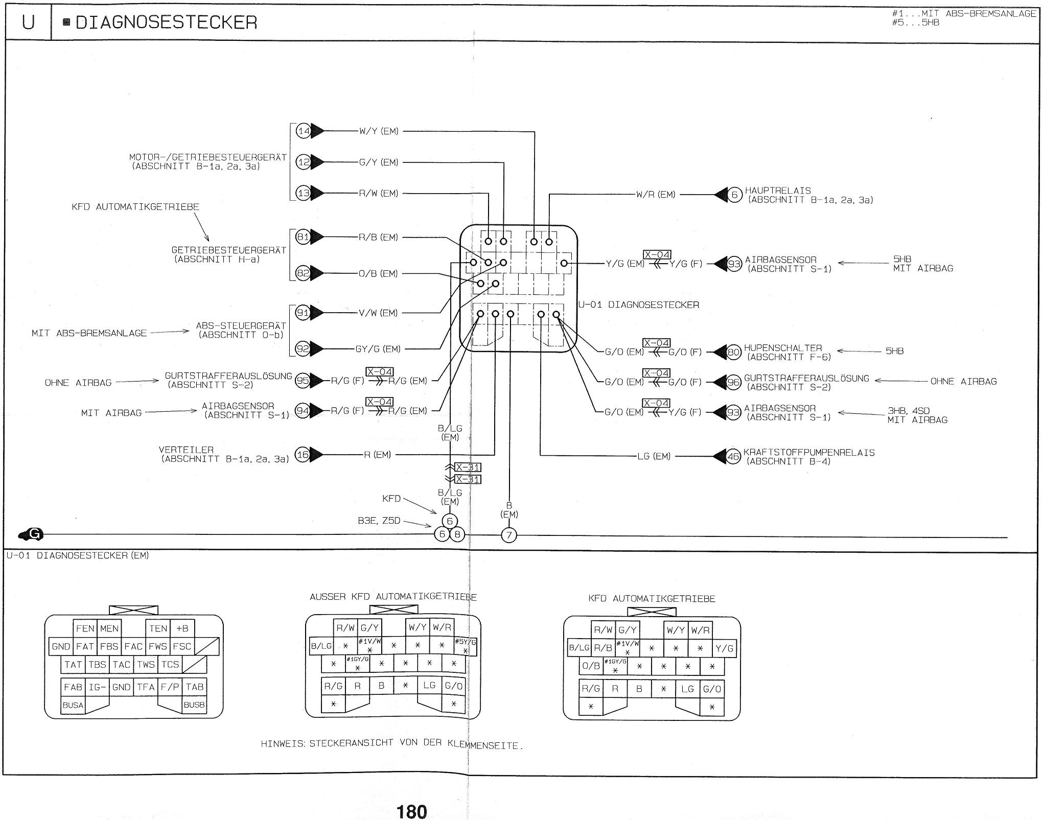
Jutro sprawdzę jeszcze czy wyskoczy mi dodatkowy błąd od czujnika położenia wału jak wypnę aparat. Bo z tego co widzę są 02 03 i mój 04.
Aparaty nie są takie same, w jednym ta mniejsza wtyczka ma zajęte trzy piny a w drugim, wtyczka jest taka sama, ale do niej idą tylko dwa kable.
Można to przerobić, ale jeżeli masz dwa aparaty to po prostu podmień.
Można to przerobić, ale jeżeli masz dwa aparaty to po prostu podmień.
No tak ale u niego na tym silniku też powinien być aparat kf34 przynajmniej u mnie w 2,5 tak jest To zależy od rocznika W starszych silniki kl chodziły na aparacie kf34 a w nowszych na kl01 Tylko nie wiem od którego rocznika
Ja mam w silniku 2,5 KL01 a w 2,0 KF34, Ta różnica polega na tym ze jeden pin idzie na obrotomierz i tak jak u mnie w KL01 muszę z tego skorzystać bo nie wychodzi mi z kompa taki sygnał jak było to w komputerze z 323F. Ta wtyczka 3 pinowa ma zasilanie ze skrajnej, które idzie na cewkę, a środek idzie na gniazdo diagnostyczne, w obu przypadkach to miałem tak samo. W sumie wie ktoś z was jak wykorzystać własnie to gniazdo aby sprawdzi czy działa? IG- opisane
Ostatnio edytowano 19 lip 2016, 21:21 przez corpha76lon, łącznie edytowano 1 raz
Kto wie w czym był ten silnik, ale ma dodatkowy czujnik temp wiec musi być stary... Znalazłem jakieś schematy po angielsku do KF'a
Ten 3 przewód to tylko ekran.
Czujnik to tylko cewka więc biegunowość nie powinna mieć znaczenia. Ważne aby tylko dawała impulsy z obracania się koła na wale korbowym.
Swoją drogą to ciekawi mnie dlaczego tak mocno każą w manualu zwracać uwagę aby go nie uszkodzić – to przecież trzeba się jednak nieco postarać o to!
Zmierz czy ma jakąś oporność aby wykluczyć przerwę w uzwojeniu.
Czujnik to tylko cewka więc biegunowość nie powinna mieć znaczenia. Ważne aby tylko dawała impulsy z obracania się koła na wale korbowym.
Swoją drogą to ciekawi mnie dlaczego tak mocno każą w manualu zwracać uwagę aby go nie uszkodzić – to przecież trzeba się jednak nieco postarać o to!
Zmierz czy ma jakąś oporność aby wykluczyć przerwę w uzwojeniu.
Ford C-MAX 1.6TDCi & AR 156 2.0TS & Honda Shadow VT1100 C3 Aero ’99
Były:
323F BA Z5 & Xedos 9 KL ’01
Honda Shadow VT1100C2 Sabre ’03
Honda Shadow VT500C '84
Były:
323F BA Z5 & Xedos 9 KL ’01
Honda Shadow VT1100C2 Sabre ’03
Honda Shadow VT500C '84
Kto przegląda forum
Użytkownicy przeglądający ten dział: Brak zidentyfikowanych użytkowników i 8 gości



