Wysoka temperatura / złe wskazania temperatury
W wielu autach coś takiego jest, tak samo jak np. z kontrolką świateł.
Kontrolka bywa jak najbardziej przydatna bo ja widać. Nie gapimy się przecież podczas jazdy ciągle na wskazania zegarów a kontrolkę, która się zaświeca widać od razu.
Kontrolka bywa jak najbardziej przydatna bo ja widać. Nie gapimy się przecież podczas jazdy ciągle na wskazania zegarów a kontrolkę, która się zaświeca widać od razu.
Ford C-MAX 1.6TDCi & AR 156 2.0TS & Honda Shadow VT1100 C3 Aero ’99
Były:
323F BA Z5 & Xedos 9 KL ’01
Honda Shadow VT1100C2 Sabre ’03
Honda Shadow VT500C '84
Były:
323F BA Z5 & Xedos 9 KL ’01
Honda Shadow VT1100C2 Sabre ’03
Honda Shadow VT500C '84
Zmieniłem czujnik, teraz nie wskakuje od razu tylko po jakimś czasie na połowę, a dopiero później rośnie (moim zdaniem wraz z otwarciem termostatu).
Zaczął natomiast kopcić na biało jak cholera – w zbiorniczku wyrównawczym bąbelki, a więc zapowietrzenie. W sumie nie dziwne – 2 dni stał bez czujnika więc i powietrze mogło się dostać. Będę chciał go odpowietrzyć – możliwe że czujnik pokazuje źle bo jest zapowietrzony układ?
Zaczął natomiast kopcić na biało jak cholera – w zbiorniczku wyrównawczym bąbelki, a więc zapowietrzenie. W sumie nie dziwne – 2 dni stał bez czujnika więc i powietrze mogło się dostać. Będę chciał go odpowietrzyć – możliwe że czujnik pokazuje źle bo jest zapowietrzony układ?

- Od: 4 maja 2015, 16:38
- Posty: 29
- Skąd: Kraków
- Auto: Mazda 323F BA r.1998 1.5 88KM
Raczej temperatura nie powinna iść do góry – zwykle dochodzi do połowy i ... tyle.
Dolej wody/płynu do samej chłodnicy.
Dolej wody/płynu do samej chłodnicy.
Ford C-MAX 1.6TDCi & AR 156 2.0TS & Honda Shadow VT1100 C3 Aero ’99
Były:
323F BA Z5 & Xedos 9 KL ’01
Honda Shadow VT1100C2 Sabre ’03
Honda Shadow VT500C '84
Były:
323F BA Z5 & Xedos 9 KL ’01
Honda Shadow VT1100C2 Sabre ’03
Honda Shadow VT500C '84
i jak po odpowietrzeniu auta? jak sie zachowuje? i gdzie kupiłeś czujnik, używany? i z jakiej firmy i za ile bo to wazne może droższy kupiłeś?;]

- Od: 11 maja 2015, 16:18
- Posty: 13
- Skąd: Ruszelczyce (podkarpackie)
- Auto: Mazda 323f, LPG, 1.5 DOHC 16V, rok pr 1997r.
Właśnie przeprowadziłem odpowietrzanie.
Przez pierwsze pół godziny nic kompletnie się nie działo. Otworzył się termostat, wskazówka na połowie skali, rura do chłodnicy gorąca. Straciłem przez chwilę cierpliwość i go podgazowałem. Przez następne pół godziny rozgrzewała się chłodnica. Bardzo powoli, góra a potem dół. Wskazówka w tym czasie rosła od połowy do maksa. Płyn się non stop wylewał górą.
Po godzinie się wkurzyłem i znów go przygazowałem, chłodnica była już gorąca, wąż od chłodnicy też gorący, po przygazowaniu płyn znów zaczął wylewać się górą, w końcu włączył się wiatrak (wskazówka była już ponad skalą), po kilku minutach włączył się drugi raz i tyle. Jak się włącza wskazówka lekko opada.
Pytanie jeden: czy możliwe żeby wąż ten od chłodnicy do silnika był niedrożny i nagrzewał się, chociaż nie ma tam płynu?
Nie mam już pomysłu. Czujnik nowy, chłodnica gorąca, węże gorące, płyn się nie gotuje...
Elektryka? Zadam drugi raz pytanie – mogę z tym jeździć na razie?
Przez pierwsze pół godziny nic kompletnie się nie działo. Otworzył się termostat, wskazówka na połowie skali, rura do chłodnicy gorąca. Straciłem przez chwilę cierpliwość i go podgazowałem. Przez następne pół godziny rozgrzewała się chłodnica. Bardzo powoli, góra a potem dół. Wskazówka w tym czasie rosła od połowy do maksa. Płyn się non stop wylewał górą.
Po godzinie się wkurzyłem i znów go przygazowałem, chłodnica była już gorąca, wąż od chłodnicy też gorący, po przygazowaniu płyn znów zaczął wylewać się górą, w końcu włączył się wiatrak (wskazówka była już ponad skalą), po kilku minutach włączył się drugi raz i tyle. Jak się włącza wskazówka lekko opada.
Pytanie jeden: czy możliwe żeby wąż ten od chłodnicy do silnika był niedrożny i nagrzewał się, chociaż nie ma tam płynu?
Nie mam już pomysłu. Czujnik nowy, chłodnica gorąca, węże gorące, płyn się nie gotuje...
Elektryka? Zadam drugi raz pytanie – mogę z tym jeździć na razie?

- Od: 4 maja 2015, 16:38
- Posty: 29
- Skąd: Kraków
- Auto: Mazda 323F BA r.1998 1.5 88KM
A może masz zamuloną chłodnicę, że ma słaby przepływ?
Ford C-MAX 1.6TDCi & AR 156 2.0TS & Honda Shadow VT1100 C3 Aero ’99
Były:
323F BA Z5 & Xedos 9 KL ’01
Honda Shadow VT1100C2 Sabre ’03
Honda Shadow VT500C '84
Były:
323F BA Z5 & Xedos 9 KL ’01
Honda Shadow VT1100C2 Sabre ’03
Honda Shadow VT500C '84
Są takie preparaty, które wlewa się do układu chłodzenia w celu jego wyczyszczenia.
Kupisz je prawie w każdym sklepie moto.
Dymienie na biało jeśli nie jest zbyt mocne to normalny objaw szczególnie jak jest chłodniej.
Szczerze to objaw też zbliżony jest jakby pompa miała za małą wydajność ale .... tam przecież nie ma co się praktycznie zepsuć!
Kupisz je prawie w każdym sklepie moto.
Dymienie na biało jeśli nie jest zbyt mocne to normalny objaw szczególnie jak jest chłodniej.
Szczerze to objaw też zbliżony jest jakby pompa miała za małą wydajność ale .... tam przecież nie ma co się praktycznie zepsuć!
Ford C-MAX 1.6TDCi & AR 156 2.0TS & Honda Shadow VT1100 C3 Aero ’99
Były:
323F BA Z5 & Xedos 9 KL ’01
Honda Shadow VT1100C2 Sabre ’03
Honda Shadow VT500C '84
Były:
323F BA Z5 & Xedos 9 KL ’01
Honda Shadow VT1100C2 Sabre ’03
Honda Shadow VT500C '84
Nagraj filmik jak ci dymi mocno czy średnio bo nie wiadomo do końca o jakim dymieniu mamy do czynienia wywal termostat i zobacz wtedy jak ci się zachowuje temperatura i czy nadal dymi ja obstawiam uszczelke pod głowicą obym sie mylił
Coś Ty krzysek71 przyczepiłeś się tej uszczelki?
Tam jest bardziej jakiś słaby przepływ płynu przez chłodnicę.
Tam jest bardziej jakiś słaby przepływ płynu przez chłodnicę.
Ford C-MAX 1.6TDCi & AR 156 2.0TS & Honda Shadow VT1100 C3 Aero ’99
Były:
323F BA Z5 & Xedos 9 KL ’01
Honda Shadow VT1100C2 Sabre ’03
Honda Shadow VT500C '84
Były:
323F BA Z5 & Xedos 9 KL ’01
Honda Shadow VT1100C2 Sabre ’03
Honda Shadow VT500C '84
Przed chwilą pojechałem w test, ok 20km. Nie dymi – w sensie na biało lekko, normalnie.
Po chwili od uruchomienia silnika wskazówka wędruje od razu na połowę i stamtąd wolno aż do końca skali. Kilka razy podczas tej trasy go wyłączałem, chłodnica gorąca, węże oba gorące (ten od termostatu aż parzy), wiatrak się załącza, płynu nie ubywa. Nie mam już pomysłu.
W poniedziałek do elektryka.
Po chwili od uruchomienia silnika wskazówka wędruje od razu na połowę i stamtąd wolno aż do końca skali. Kilka razy podczas tej trasy go wyłączałem, chłodnica gorąca, węże oba gorące (ten od termostatu aż parzy), wiatrak się załącza, płynu nie ubywa. Nie mam już pomysłu.
W poniedziałek do elektryka.
- Od: 4 maja 2015, 16:38
- Posty: 29
- Skąd: Kraków
- Auto: Mazda 323F BA r.1998 1.5 88KM
Marek przecież on pisze że chłodnica jak i węże gorące to jaki słaby przepływ .Mathow wywal termostat i zobacz wtedy co będzie się działo bo coś mi się wydaje że duży obieg zapowietrza ci się
Bez termostatu już on jeździł:
Jak ostatnio robiłeś próby z odpowietrzaniem to chłodnica cała była jednakowo ciepła?
Czy na była tylko "ciepła" czy gorąca?
Jak z temperaturą obu węży do chłodnicy?
Jaka była "czystość" płynu podczas jego wymiany?
mathow napisał(a):2. Pierwsza zmiana
– zdjęcie termostatu – jazda bez
– nowy przekaźnik KA32
– podczas jazdy wskazówka na połowie
– w korkach wskazówka na maksa
– nie działał wentylator
– po odpięciu czujnika temperatury wentylator chodził cały czas
– chłodnica ciepła
Jak ostatnio robiłeś próby z odpowietrzaniem to chłodnica cała była jednakowo ciepła?
Czy na była tylko "ciepła" czy gorąca?
Jak z temperaturą obu węży do chłodnicy?
Jaka była "czystość" płynu podczas jego wymiany?
Ford C-MAX 1.6TDCi & AR 156 2.0TS & Honda Shadow VT1100 C3 Aero ’99
Były:
323F BA Z5 & Xedos 9 KL ’01
Honda Shadow VT1100C2 Sabre ’03
Honda Shadow VT500C '84
Były:
323F BA Z5 & Xedos 9 KL ’01
Honda Shadow VT1100C2 Sabre ’03
Honda Shadow VT500C '84
Nadal nic nie wiem, przeczytałem już chyba wszystkie tematy na forum, mechanicy mówią tylko: jeździć, a wskazówka nadal ponad H.
Aktualna sytuacja:
Aktualna sytuacja:
- nowy termostat, czujnik temperatury (wymieniany 2 razy), przekaźnik wentylatora, bezpieczniki, płyn chłodniczy, licznik
- po uruchomieniu silnika po jakichś 500m wskazówka od razu na połowę. Stamtąd powoli do góry ponad skalę
- duży obieg się otwiera, wąż do chłodnicy gorący, chłodnica gorąca, wąż dolny chłodnicy gorący, układ odpowietrzony, płyn w zbiorniczku i chłodnicy bez ubytków
- wentylator się załącza i wyłącza prawidłowo, układ odpowietrzony
- olej silnika w normie
- gość który ustawiał gaz wpinając się kompem do wtyczki gazu twierdzi, że u niego pokazuje temperaturę 78 st, a silnika jest 10-15 st wyższa

- Od: 4 maja 2015, 16:38
- Posty: 29
- Skąd: Kraków
- Auto: Mazda 323F BA r.1998 1.5 88KM
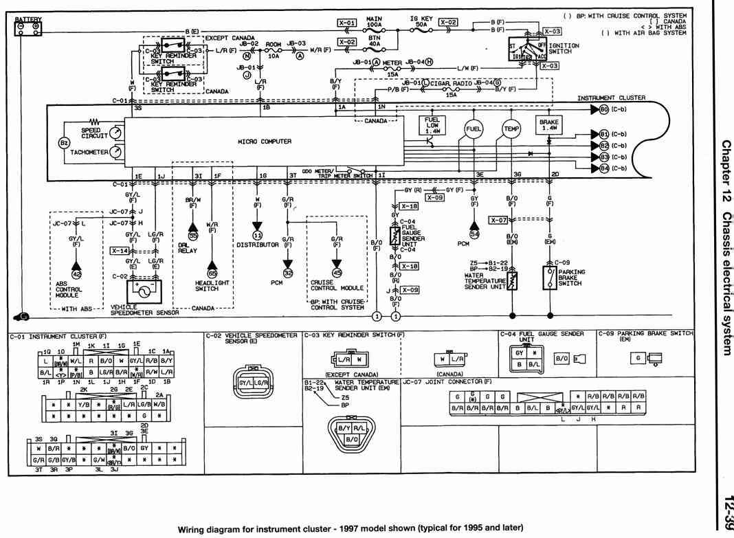
Masz "polifta" więc w zasadzie sam możesz go diagnozować – poczytaj np. TUTAJ albo też TUTAJ.
Układ pomiaru temperatury jest prosty dosyć:
I nasuwa się poważne pytanie: jak działa wskaźnik ilości paliwa? Poprawnie czy też oszukuje?
Układ pomiaru temperatury jest prosty dosyć:
I nasuwa się poważne pytanie: jak działa wskaźnik ilości paliwa? Poprawnie czy też oszukuje?
Ford C-MAX 1.6TDCi & AR 156 2.0TS & Honda Shadow VT1100 C3 Aero ’99
Były:
323F BA Z5 & Xedos 9 KL ’01
Honda Shadow VT1100C2 Sabre ’03
Honda Shadow VT500C '84
Były:
323F BA Z5 & Xedos 9 KL ’01
Honda Shadow VT1100C2 Sabre ’03
Honda Shadow VT500C '84
Bo to może być jakaś prozaiczna przyczyna w postaci np. braku masy w wiązce do licznika albo coś podobnego.
Pokaż ew. ten schemat swojemu "magikowi" od elektryki.
Pokaż ew. ten schemat swojemu "magikowi" od elektryki.
Ford C-MAX 1.6TDCi & AR 156 2.0TS & Honda Shadow VT1100 C3 Aero ’99
Były:
323F BA Z5 & Xedos 9 KL ’01
Honda Shadow VT1100C2 Sabre ’03
Honda Shadow VT500C '84
Były:
323F BA Z5 & Xedos 9 KL ’01
Honda Shadow VT1100C2 Sabre ’03
Honda Shadow VT500C '84
Kto przegląda forum
Użytkownicy przeglądający ten dział: Brak zidentyfikowanych użytkowników i 9 gości

