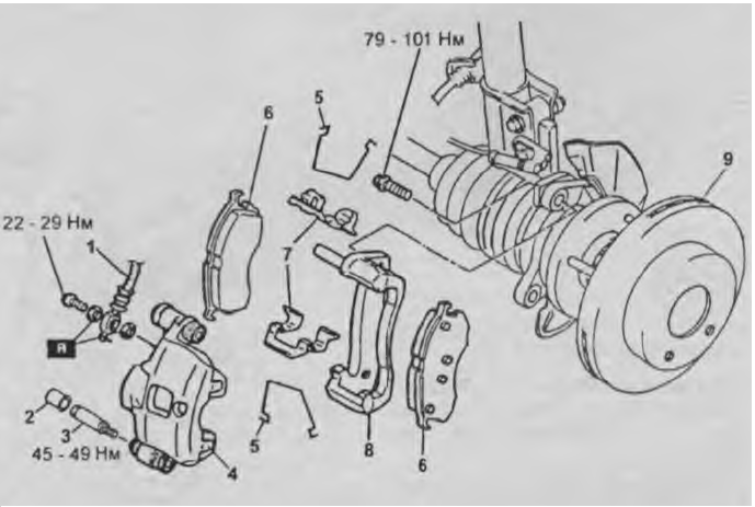
Udało mi się dziś zlokalizować luz w prawym przednim zacisku, który najprawdopodobniej jest przyczyną regularnych stuków dochodzących z okolic kół. Luźny jest odlew, czy raczej część zacisku, w którym znajdują się tłoczki.
Jak zlikwidować ten luz
Z góry dziękuję za pomoc i nie ukrywam, że trochę mi się z tym spieszy, bo do niedzieli muszę się z tym uporać.
Pozdrawiam
