Montaż dodatkowego alarmu, centralnego zamka – pytania, schematy, pomoc (GD)
1, 2
Czy ktos wie o co tam chodzi?
to jest sterownik CZ. 2 przewody to stałe + i stały minus. Drugie 2 to przewody bezpośrednio do siłowników. POzostałe 2 to sterujące.
2 sterujące jakby sterują plusem. Ogolnie jestem już zagubiony. Chce to podłączyć do sterownika z fabrycznego alarmu silicon. No i bieda. Siedze już 2 godziny.
To sterowanie na pewno nie jest poprzez zwieranie obwodu prądowego. Ogólnie jest tam jakiś dziwny ogranicznik prądu, bo wystarczy ze obciąże obwód multimetrem i to się sypie. NIe ogarniam za bardzo jak to zrobić
to jest sterownik CZ. 2 przewody to stałe + i stały minus. Drugie 2 to przewody bezpośrednio do siłowników. POzostałe 2 to sterujące.
2 sterujące jakby sterują plusem. Ogolnie jestem już zagubiony. Chce to podłączyć do sterownika z fabrycznego alarmu silicon. No i bieda. Siedze już 2 godziny.
To sterowanie na pewno nie jest poprzez zwieranie obwodu prądowego. Ogólnie jest tam jakiś dziwny ogranicznik prądu, bo wystarczy ze obciąże obwód multimetrem i to się sypie. NIe ogarniam za bardzo jak to zrobić

- Od: 20 lut 2004, 01:28
- Posty: 398
- Skąd: Warszawa
- Auto: 626 GD 2.0 FE4 GF 2.0 TDsI 16V
Oki – zrobiłem
Sterowanie jest masą. Albo jest podawana masa, albo masa jest rozłączana. Te zmiany stanów powoduja zamykanie lub otwieranie.
Dla zmyłki do sterownika CZ lecą 2 kable sterujące. Jednak tak naprawdę wywodzą się one z tego samego żródła. W sterowniku są podłączone do dwóch diód. W każdym razie musiałem w sterowniku zrobić mostek. W istniejący kabel sterujący wpiąłem się z dodatkowym przekaźnikiem. Przekażnik zasilany był właśnie tym sygnałem a jego logika podłączenia była ujemna.
Sterownik CZ bedacy częścią składową alarmu podłączyłem do tego przekaźnika. Ogólnie nakombinowałem się.
W 626 są 2 mastery – drzwi kierowcy oraz bagażnik. Jednak bagażnik nie jest podłączany do obwodu sterującego – choć można to zrobić za pomocą jednego mostka.
Narobiłem się co niemiara. Ale mam już alarm + czujniki ultradźwiękowe + central dzialajacy i z pilota i ręcznie oraz immobilizer też zrobiłem – wciąłem się w obwód. Jeszcze tylko dorzucę trzecią syrenę i moze nie ukradną więcej madzi
Sterowanie jest masą. Albo jest podawana masa, albo masa jest rozłączana. Te zmiany stanów powoduja zamykanie lub otwieranie.
Dla zmyłki do sterownika CZ lecą 2 kable sterujące. Jednak tak naprawdę wywodzą się one z tego samego żródła. W sterowniku są podłączone do dwóch diód. W każdym razie musiałem w sterowniku zrobić mostek. W istniejący kabel sterujący wpiąłem się z dodatkowym przekaźnikiem. Przekażnik zasilany był właśnie tym sygnałem a jego logika podłączenia była ujemna.
Sterownik CZ bedacy częścią składową alarmu podłączyłem do tego przekaźnika. Ogólnie nakombinowałem się.
W 626 są 2 mastery – drzwi kierowcy oraz bagażnik. Jednak bagażnik nie jest podłączany do obwodu sterującego – choć można to zrobić za pomocą jednego mostka.
Narobiłem się co niemiara. Ale mam już alarm + czujniki ultradźwiękowe + central dzialajacy i z pilota i ręcznie oraz immobilizer też zrobiłem – wciąłem się w obwód. Jeszcze tylko dorzucę trzecią syrenę i moze nie ukradną więcej madzi

- Od: 20 lut 2004, 01:28
- Posty: 398
- Skąd: Warszawa
- Auto: 626 GD 2.0 FE4 GF 2.0 TDsI 16V
Adam626GD napisał(a):Narobiłem się co niemiara. Ale mam już alarm + czujniki ultradźwiękowe + central dzialajacy i z pilota i ręcznie oraz immobilizer też zrobiłem – wciąłem się w obwód. Jeszcze tylko dorzucę trzecią syrenę i moze nie ukradną więcej madzi
Jestes wielki
<jupi>
Gratuluje i pozdrawiam
Wacław Szubert

- Od: 28 sie 2004, 12:33
- Posty: 163
- Skąd: Rzeszów
- Auto: AUDI A6 2.5 TDI QUATRO
Witka
Dziś zdażyło się coś niespodziewanie dziwnego.
Rano w pracy właczył mi się alerm
nic w tym nie było by dziwnego, tylko że mój alarm obecnie spoczywa na półce w garażu. Sam go wydłubałem zresztą
Nie wiedziałem że mam takie coś hehe po ponad roku jeszcze mnie to auto zadziwia
A więc poszukuje w takim razie wszelkich info na temat takiego urządzenia w Mazdzie 626 GD lub MX6 GD. Czy było montowane, gdzie jest centralka, hak działa, jak uzbroić itp. wszystkie info mile widziane. Skoro jest i do tej pory się nie odzywał znaczy nie działa prawidłowo, a skoro nie działa prawidłowo trzeba naprawić więc do dzieła
Dziś zdażyło się coś niespodziewanie dziwnego.
Rano w pracy właczył mi się alerm
nic w tym nie było by dziwnego, tylko że mój alarm obecnie spoczywa na półce w garażu. Sam go wydłubałem zresztą
Nie wiedziałem że mam takie coś hehe po ponad roku jeszcze mnie to auto zadziwia
A więc poszukuje w takim razie wszelkich info na temat takiego urządzenia w Mazdzie 626 GD lub MX6 GD. Czy było montowane, gdzie jest centralka, hak działa, jak uzbroić itp. wszystkie info mile widziane. Skoro jest i do tej pory się nie odzywał znaczy nie działa prawidłowo, a skoro nie działa prawidłowo trzeba naprawić więc do dzieła
Jak znajdziesz syrenę to dojdziesz i do centralki
Nastepnie wywalasz ją na śmietnik i montujesz coś rozsądnego 
Pozdrawiam,
Xionc Krzysztof :)
Moje byłe: 2 x 323BG | 2 x 323BA | 1 x Xedos6 CA | 1 x Mazda6 GG | 1 x Mazda6 GH | 2 x CX-5
Xionc Krzysztof :)
Moje byłe: 2 x 323BG | 2 x 323BA | 1 x Xedos6 CA | 1 x Mazda6 GG | 1 x Mazda6 GH | 2 x CX-5
Xionc napisał(a):Jak znajdziesz syrenę
za syreną robi klakson.
Masz chyba jednak cos dolozonego
nie możliwe. Załaczył się z kluczyka i mam kontrolkę na desce LOCK z ikoną kluczyka. Za każdym razem jak otwieram to sią zapala, a wtedy kiedy się uzbroił to nie zwróciłem uwagi ale napewno pipnął buzer takim krótkim pojedynczym dźwiękiem ale napewno był to dźwięk buzera
Waluś napisał(a):mam kontrolkę na desce LOCK z ikoną kluczyka.
Jutro pojde tym tropem. Sprobuje obejrzec schemat deski. Moze tak cos sie rozjasni. Nie ukrywam, ze nie kartkowalem instrukcji tylko przelecialem indeks.
Uprzedzam, ze slowo przelecialem nie ma zabarwienia seksualnego

- Od: 13 sie 2004, 13:17
- Posty: 398
- Skąd: Warszawa
- Auto: 626 2,2 i GV 95, chevy s10 02
es napisał(a):Uprzedzam, ze slowo przelecialem nie ma zabarwienia seksualnego
ja myśle 
a szukałeś w okolicach słupka pasażera?? albo w konsoli środkowej.
3.0 V6 24V DOHC JE-ZE <– co za dźwięk
Nie oddawaj autka do mechanika bo zrobisz mu krzywdę. Madzia lubi jak sam łapki wkładam.
NGK ZE, Iridium on board
Nie oddawaj autka do mechanika bo zrobisz mu krzywdę. Madzia lubi jak sam łapki wkładam.
NGK ZE, Iridium on board

- Od: 13 gru 2004, 14:14
- Posty: 258
- Skąd: Kraków
- Auto: Nissan Pathfinder R51 LE AT
No to chyba jednak cos Ci nawykrecali w aucie. Rzeczywiscie amerykanskie mazdy maja kontrolke z kluczykiem w miniaturce samochodu, choc wg ojego manuala jest ona opisana jako SECURITY, a nie LOCK. I jesli dobrze zrozumialem, to oznacza ona wylacznie pzostawienie klczyka w stacyjce i otwarcie drzwi kierowcy. Wtedy rowniez ma pipcyc buzer.

- Od: 13 sie 2004, 13:17
- Posty: 398
- Skąd: Warszawa
- Auto: 626 2,2 i GV 95, chevy s10 02
es napisał(a):jest ona opisana jako SECURITY, a nie LOCK
sorki masz racje pomylało mie sie
Ale zapala się również w momencie otwarcia maski. Ajk klucz siedzi w stacyjce to się nie świeci ino pipcy
zenith839 a czego mam szukać
Witam! Auto posiada Alarm Forteca na 3 (otwarte) i 4 (zamkniete) wyjsciu wyzwalany jest impuls Masy.
Auto posiada fabryczny centralny zamek ale z kluczyka co nalezy zrobic i gdzie sie wpiac aby to wszystko bylo sterowane za pomoca alarmu. Czy mam kupic silownik typu Master czy da rade wykozystac ten ktory jest fabryczny (2 kablowy)
Pomocy!
Auto posiada fabryczny centralny zamek ale z kluczyka co nalezy zrobic i gdzie sie wpiac aby to wszystko bylo sterowane za pomoca alarmu. Czy mam kupic silownik typu Master czy da rade wykozystac ten ktory jest fabryczny (2 kablowy)
Pomocy!
Zoom zoom Zoom
Sprawdzałeś wogóle czy jest siłownik w drzwiach kierowcy (w niektórych GD nie ma). Jeśli nie ma to musisz założyć tam uniwersalny siłownik (wystarczy slave). Wtedy podpinasz alarm właśnie pod ten siłownik i masz sterowanie całego centralnego. Może schemat Ci coś pomoże. W przypadku czterech siłowników nie wiem jak to jest rozwiązane, więc trudno mi cokolwiek doradzić.

- Od: 12 gru 2004, 22:14
- Posty: 223
- Skąd: okolice Kraka
- Auto: 626 GD 2.0 16V GT 4WS
Witam Sterownik jest w kazdych drzwiach. Oczywiscie ten w drzwiach kierowcy dziala.Ale pod co sie wpiac tymi 2 kablami od alarmu? Pod przekaznik? Wiem ze jest on koloru czarnego bo go zlokalizowalem. Dochodzi do niego 6 kabli W tym jeden jest puszczony na pusto. 2 ida od czujnika zamkniecia w drzwiach , 2 od silownika, i jeden pusty i jeden cieniutki czerwiony (pewnie +)
Mam luzem silownik typu slave (ma 2 kable niebieski i zielony) Jak to podpiac wogole? On jest sterowany na jakiej zasadzie? Na jakiej zasdzie jest on sterowany? Jak podlacze pod alarm pod wejscie 3 i 4 to niema nadal (+) poniewaz te wyjscia podaja tylko mase. Cienki w te klocki jestem Please Help
Mam luzem silownik typu slave (ma 2 kable niebieski i zielony) Jak to podpiac wogole? On jest sterowany na jakiej zasadzie? Na jakiej zasdzie jest on sterowany? Jak podlacze pod alarm pod wejscie 3 i 4 to niema nadal (+) poniewaz te wyjscia podaja tylko mase. Cienki w te klocki jestem Please Help
Zoom zoom Zoom
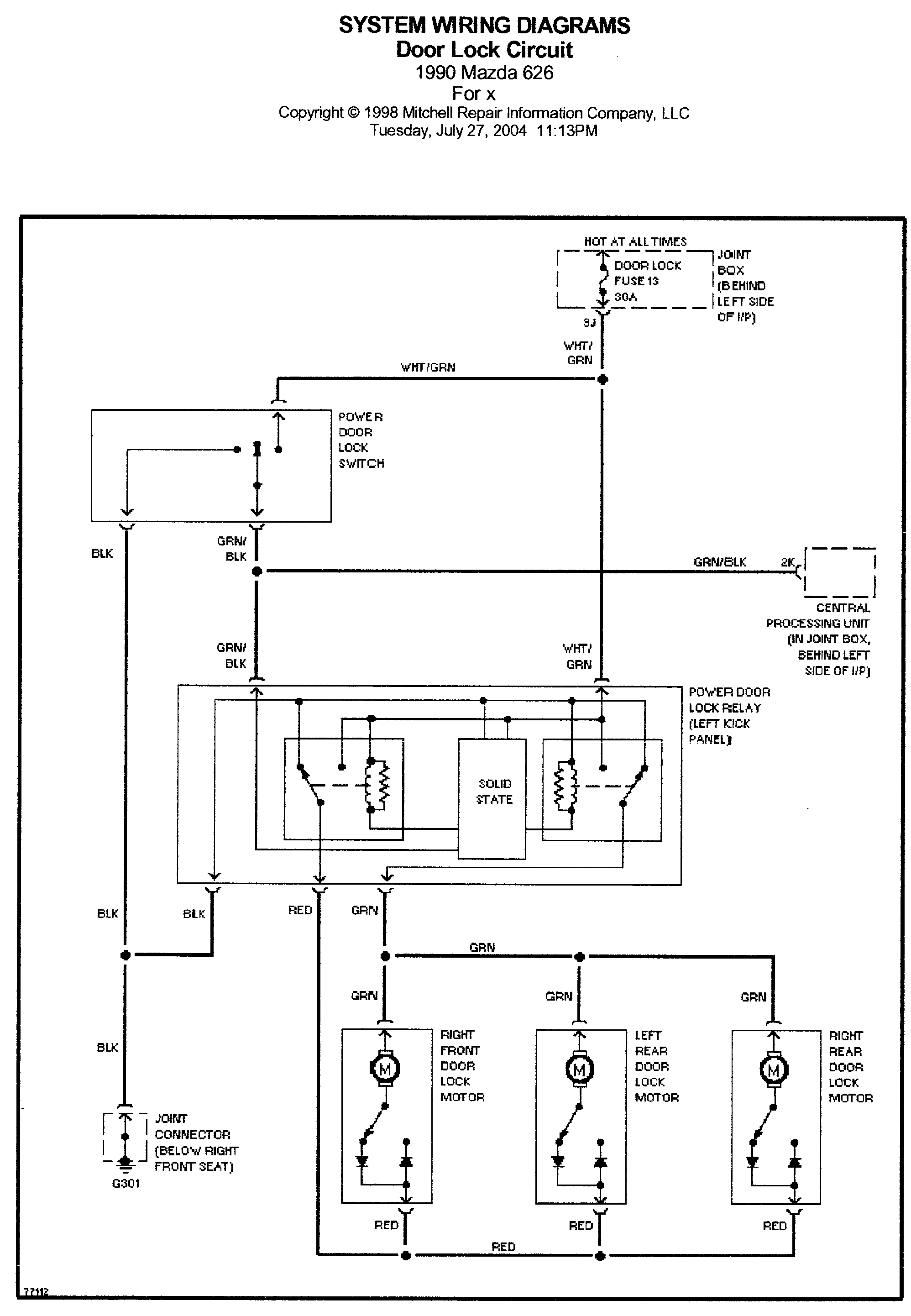
Siłownik sterowany jest zamianą biegunów, czyli + i – , ale to jest nie ważne, ponieważ nie będziesz się podpinał pod siłownik tylko pod centralkę. Tak jak piszesz masz dwa kanały które są sterowane minusem, jeden daje impuls do otwarcia drugi do zamknięcia. Musisz znaleźć dwa przewody centralki, które sterują otwarciem i zamknięciem i podpiąć się pod te kabelki. Przydał by się schemat oryginalnego centralnego zamka z czterema siłownikami. Nie wiem czy do podpięcia nie będziesz musiał zastosować dwóch przekaźników, tak jak jest na schemacie poniżej.

- Od: 12 gru 2004, 22:14
- Posty: 223
- Skąd: okolice Kraka
- Auto: 626 GD 2.0 16V GT 4WS
W GD centralka zamka sterowana jest naprzemiennie masą i +12V
gdzieś to już tutaj pisałem z kolorami przewodów, których już nie pamiętam.
Jeżeli wepniesz się równolegle do istniejącego switha w drzwiach to w momencie zamykania i otwierania drzwi będzie moment kiedy podawana masa lub +12V będzie się zwierało ze sobą poprzez swith w drzwiach i ulegnie on uszkodzeniu. Dlatego impulsami masy z alarmu trzeba wysterować dwa przekaźniki podłączone w taki sposób aby jeden z nich podawał masę a drugi +12V na przewód sterujący centralką zamka ale w taki sposób aby styk ruchomy przekaźnika rozłączał obwód ze switchem w drzwiach. Trudno to opisać słowami łatwiej narysować.
gdzieś to już tutaj pisałem z kolorami przewodów, których już nie pamiętam.
Jeżeli wepniesz się równolegle do istniejącego switha w drzwiach to w momencie zamykania i otwierania drzwi będzie moment kiedy podawana masa lub +12V będzie się zwierało ze sobą poprzez swith w drzwiach i ulegnie on uszkodzeniu. Dlatego impulsami masy z alarmu trzeba wysterować dwa przekaźniki podłączone w taki sposób aby jeden z nich podawał masę a drugi +12V na przewód sterujący centralką zamka ale w taki sposób aby styk ruchomy przekaźnika rozłączał obwód ze switchem w drzwiach. Trudno to opisać słowami łatwiej narysować.
Szukam kogoś kto zaopiekuje się GD GT 4WS
Samochód ogólnie sprawny z zadbaną tapicerką co jest unikalne w tym wieku auta.
Wymagający jednak poprawek blacharskich i lakierniczych na które ani ja ani Mazda nie mamy czasu.
Ewentualnych kandydatów zapraszam na PW
Samochód ogólnie sprawny z zadbaną tapicerką co jest unikalne w tym wieku auta.
Wymagający jednak poprawek blacharskich i lakierniczych na które ani ja ani Mazda nie mamy czasu.
Ewentualnych kandydatów zapraszam na PW

- Od: 18 lis 2003, 15:56
- Posty: 774
- Skąd: wawa
- Auto: 626GD89 GT 4WS
Witam.
Jestem "świeży" więc nie krzyczcie za mocno jeśli coś zrypie...
Otóż na początku lipca zakupiłem od jednego ""pajaca" MADZIE z silnikiem 2.0 wersja GD. W standardzie oczywiście nie było centralnego zamka tak przydatnego w dzisiejszych czasach... Jako, że miałem taki pod ręką postanowiłem go zamontować. W pozytywnym nastawieniu zacząłem z rana ok. godzinki 8:00. Potrzebowałem izolacje, jakąś koszulke lub najlepiej peszel aby przeciągnąć przewody z drzwi do wnętrza, wkrętarkę i nożyk...
Oto moja Madzia:
Na wstępie zacząłem od demontażu całości tapicerki i obydwu stron kokpitu. Koniecznością jest to aby ułatwić późniejsze poprowadzenie przewodów.
Tu już po rozbiórce i wstępnym montażu siłowników:
Po rozebraniu i wmontowaniu siłowników przyszła pora na układanie przewodów i ich podłączenie. Pluszem tej wersji Madzi jest to iż większość tapicerki i plastiku trzyma się na metalowych zatrzaskach bardzo ułatwiających demontaż i montaż. Niestety więcej zdjęć nie mam ponieważ telefon mi się rozładował:> jak na złość. Całość przeciągania i łączenia instalacji zajęła mi ok. 4godz. Jak na pierwszy raz nie było to straszne...?! Problemy zaczęły się gdy przyszło do sprawdzania siłowników – warto tutaj poświęcić kilka chwil uwagi na właściwe ich ułożenie i naciąg ponieważ jeśli MASTER nie będzie odpowiednio ustawiony (jak u mnie) to pozostałe 3 SLAVY nie będą otrzymywały impulsu po przekręceniu kluczykiem. MASTER od kierowcy był ustawiony za nisko i nie działało to jak należy. Po odpowiednim nastawieniu MASTERA wszystko działało poza prawidłowością OTWÓRZ-ZAMKNIJ. Gdy chciałem zamknąć to pozostałe drzwi się otwierały i na odwrót. Gdy chciałem otworzyć kierowcę to pozostałe się zamykały. Więc schemat w dłoń i studiowanie... Po dłuższej chwili postanowiłem zamienić tylko kable od impulsów i co? Okazało się, że działa!!!
Połowa sukcesu za mną ponieważ chciałem zrobić zamek na pilota. Więc wziąłem centralkę od autoalarmu i podłączyłem ją tylko i wyłącznie pod sterowanie zamkiem. Po podłączeniu kabli zgodnie ze schematem okazało się, że znowu coś nie działa...? Impulsy z autoalarmu wychodziły ale centralny milczał...?
Posprawdzałem więc całość raz jeszcze i dalej nic... Okazało się, że samo podłączenie pod centralkę w przypadku tego autoalarmu to za mało:> Trzeba było jeszcze podłączyć przewód do krańcówki. Na szczęście wszystkie są równolegle pospinane więc podłączyłem do pierwszej lepszej. Pozostało jeszcze podłączyć przewód od startera aby podczas jazdy się drzwi nie zamykały i zblokować impuls od odcięcia zapłonu. W tym przypadku wystarczyło podpiąć się do masy i gotowe! Autoalarmu nie podłączałem w 100% ponieważ chciałem mieć centralny zamek na pilota.
Jeśli ktoś chce tylko zamontować centralny na kluczyk to bardzo łatwo można to zrobić w ok. 4godz. (mi tyle zajęło) ale z autoalarmem to już cięższa bajka.
Zwrócić należy uwagę na PRAWIDŁOWE UŁOŻENIE SIŁOWNIKÓW.
Na koniec oczywiście należy podłączyć całość do akumulatora (może być bezpośrednio ponieważ większość centralek jest już na bezpieczniku)
P.s.
Wiele mam do zrobienia w mojej Madzi – głównie mechanika – ale w kilka miesięcy zrobię z niej motylka...
Prośba na koniec jeśli ktoś ma namiary na sklep, w którym tanio można dostać części to poproszę!!
DZIĘKUJĘ i POZDRAWIAM
Jestem "świeży" więc nie krzyczcie za mocno jeśli coś zrypie...
Otóż na początku lipca zakupiłem od jednego ""pajaca" MADZIE z silnikiem 2.0 wersja GD. W standardzie oczywiście nie było centralnego zamka tak przydatnego w dzisiejszych czasach... Jako, że miałem taki pod ręką postanowiłem go zamontować. W pozytywnym nastawieniu zacząłem z rana ok. godzinki 8:00. Potrzebowałem izolacje, jakąś koszulke lub najlepiej peszel aby przeciągnąć przewody z drzwi do wnętrza, wkrętarkę i nożyk...
Oto moja Madzia:
Na wstępie zacząłem od demontażu całości tapicerki i obydwu stron kokpitu. Koniecznością jest to aby ułatwić późniejsze poprowadzenie przewodów.
Tu już po rozbiórce i wstępnym montażu siłowników:
Po rozebraniu i wmontowaniu siłowników przyszła pora na układanie przewodów i ich podłączenie. Pluszem tej wersji Madzi jest to iż większość tapicerki i plastiku trzyma się na metalowych zatrzaskach bardzo ułatwiających demontaż i montaż. Niestety więcej zdjęć nie mam ponieważ telefon mi się rozładował:> jak na złość. Całość przeciągania i łączenia instalacji zajęła mi ok. 4godz. Jak na pierwszy raz nie było to straszne...?! Problemy zaczęły się gdy przyszło do sprawdzania siłowników – warto tutaj poświęcić kilka chwil uwagi na właściwe ich ułożenie i naciąg ponieważ jeśli MASTER nie będzie odpowiednio ustawiony (jak u mnie) to pozostałe 3 SLAVY nie będą otrzymywały impulsu po przekręceniu kluczykiem. MASTER od kierowcy był ustawiony za nisko i nie działało to jak należy. Po odpowiednim nastawieniu MASTERA wszystko działało poza prawidłowością OTWÓRZ-ZAMKNIJ. Gdy chciałem zamknąć to pozostałe drzwi się otwierały i na odwrót. Gdy chciałem otworzyć kierowcę to pozostałe się zamykały. Więc schemat w dłoń i studiowanie... Po dłuższej chwili postanowiłem zamienić tylko kable od impulsów i co? Okazało się, że działa!!!
Połowa sukcesu za mną ponieważ chciałem zrobić zamek na pilota. Więc wziąłem centralkę od autoalarmu i podłączyłem ją tylko i wyłącznie pod sterowanie zamkiem. Po podłączeniu kabli zgodnie ze schematem okazało się, że znowu coś nie działa...? Impulsy z autoalarmu wychodziły ale centralny milczał...?
Jeśli ktoś chce tylko zamontować centralny na kluczyk to bardzo łatwo można to zrobić w ok. 4godz. (mi tyle zajęło) ale z autoalarmem to już cięższa bajka.
Zwrócić należy uwagę na PRAWIDŁOWE UŁOŻENIE SIŁOWNIKÓW.
Na koniec oczywiście należy podłączyć całość do akumulatora (może być bezpośrednio ponieważ większość centralek jest już na bezpieczniku)
P.s.
Wiele mam do zrobienia w mojej Madzi – głównie mechanika – ale w kilka miesięcy zrobię z niej motylka...
Prośba na koniec jeśli ktoś ma namiary na sklep, w którym tanio można dostać części to poproszę!!
DZIĘKUJĘ i POZDRAWIAM

- Od: 16 lip 2009, 17:17
- Posty: 4
- Skąd: Koszalin
- Auto: Mazda 626 GD 2.0 FE 1992r.
a jakby ktoś chciał podłączyć zdalne zamykanie z pilota pod centralny zamek, to musi dołożyć jeden siłownik do drzwi kierowcy
a następnie alarm bądź sterowanie centralnym podpiąć pod przekaźnik sterowania centralnym. Jest on umieszczony po stronie kierowcy za podkładką pod lewą nogę klierowcy... Sterowanie odbywa się tak samo, jak w przypadku aut z zamkiem centralnym pneumatycznym (Audi, Mercedes), czyli + Zamyka, – Otwiera
oczywiście na 1. przewodzie 

- Od: 4 cze 2008, 11:20
- Posty: 755
- Skąd: Łódź
- Auto: Mazda 626 GD FE3 89'
1, 2
Kto przegląda forum
Użytkownicy przeglądający ten dział: Brak zidentyfikowanych użytkowników i 1 gość
Moderator
Moderatorzy 6 / 626 / MX-6 / Xedos 6
