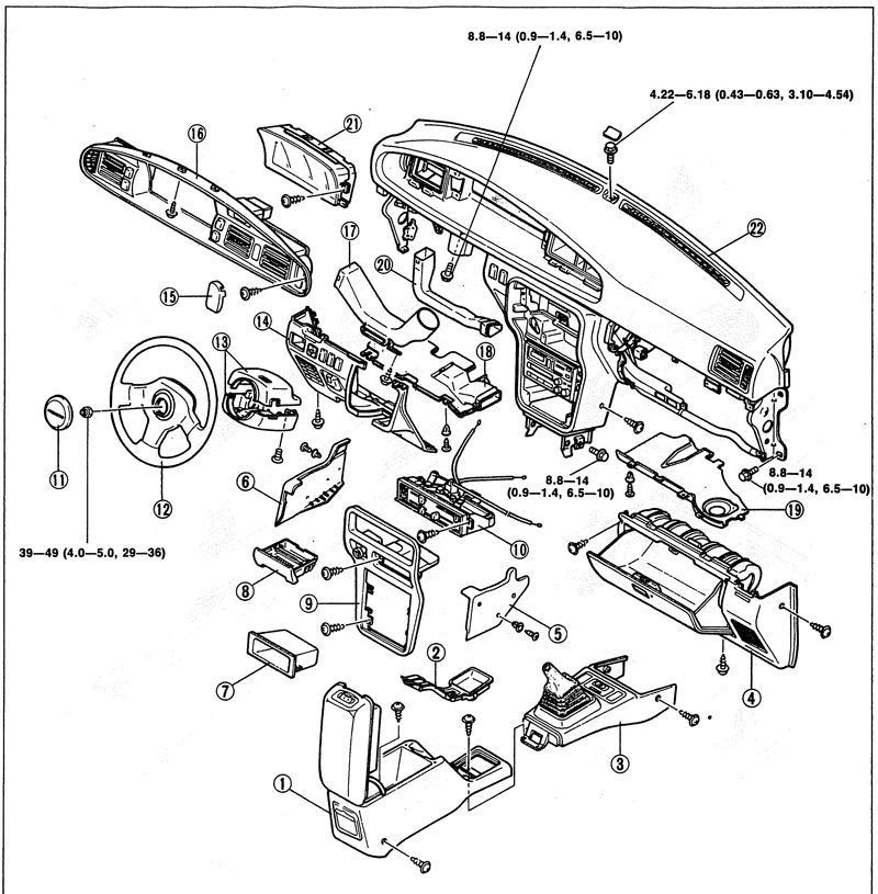
Demontaż deski rozdzielczej w 89' GD

Dział przeznaczony do rozwiązywania wszelkich problemów dotyczących wyposażenia i karoserii. Nie zawiera elementów przenoszenia napędu.

Postprzez Szyna » 22 lut 2012, 22:20

panel.jpg

Następnym razem poszukaj trochę bo jest dużo tych tematów ;) Tak w środku jest jedna żarówka w5w która podświetla wszystkie suwaki.
Jeżeli chodzi o oświetlenie to wszystko jest tutaj
viewtopic.php?f=128&t=115452
To, co łatwe, nie prowadzi do niczego.
GD – Generacja Doskonała
Avatar użytkownika
Moderator
 
Od: 20 lut 2008, 20:59
Posty: 3374 (90/161)
Skąd: Krotoszyn
Auto: Mazda 626 GD 2.0i 90 km '92r + LPG

Postprzez Pudzian84 » 23 lut 2012, 18:22

Dolną szufladę wysuwasz do tyłu auta i tam są dwie śruby a później pod popiołką jak ją wysuniesz są też 2 śruby i później ściągasz całość :P
Patryk
Avatar użytkownika
Forumowicz
 
Od: 30 mar 2008, 23:17
Posty: 991 (1/0)
Skąd: Szczecin
Auto: Mazda 626 GD FE3N 1989 r

Postprzez proauctions » 12 kwi 2012, 18:44

"opis jak do rozebrania zegarków który mieśći się tutuaj http://arbiter.pl/galeria/zegary-mazda?&alert=Dodano[/quote]"

Bardzo dziękuje koledze Rekin za ten link, bo dzięki niemu właśnie przed godziną zmieniłem sobie w moje Madzi podświetlenie z oryginalnego na czerwony :) Pozdrawiam!
Początkujący
 
Od: 29 cze 2010, 11:43
Posty: 9
Skąd: Będzin
Auto: Mazda 626 2.0i 1990 GD
Mazda 323F 1.8 DOHC 16V 1992

Kto przegląda forum

Użytkownicy przeglądający ten dział: Brak zidentyfikowanych użytkowników i 2 gości

Moderator

Moderatorzy 6 / 626 / MX-6 / Xedos 6