Jestem szczęśliwym nabywcą Mazdy 6 z 2009 z oryginalnym alarmem MZ02 i chciałbym zaprogramować sobie automatyczne domykanie centralnego zamka po zapaleniu silnika lub po przekroczeniu odpowiedniej prędkości. Poprzednio miałem Audi A4 i tam była taka możliwość więc wierzę, że w Maździuni również jest taka możliwość. Będę wdzięczny za informacje
Automatyczne ryglowanie drzwi po ruszeniu
Strona 1 z 1
Siema!
Jestem szczęśliwym nabywcą Mazdy 6 z 2009 z oryginalnym alarmem MZ02 i chciałbym zaprogramować sobie automatyczne domykanie centralnego zamka po zapaleniu silnika lub po przekroczeniu odpowiedniej prędkości. Poprzednio miałem Audi A4 i tam była taka możliwość więc wierzę, że w Maździuni również jest taka możliwość. Będę wdzięczny za informacje
Jestem szczęśliwym nabywcą Mazdy 6 z 2009 z oryginalnym alarmem MZ02 i chciałbym zaprogramować sobie automatyczne domykanie centralnego zamka po zapaleniu silnika lub po przekroczeniu odpowiedniej prędkości. Poprzednio miałem Audi A4 i tam była taka możliwość więc wierzę, że w Maździuni również jest taka możliwość. Będę wdzięczny za informacje
-
mako_wawa
Niestety nie da rady, temat walkowany na forum wielokrotnie, pozostaje ci tylko opcja manualna tak jak brak mozliwosci skladania lusterek z pilota. Trzeba sie przyzwyczaic do pewnych rzeczy w Mazdzie.
Pozdrawiam
Pozdrawiam

- Od: 15 maja 2012, 14:34
- Posty: 354 (83/16)
- Skąd: LUX/SC034
- Auto: Jest GJ 2.2 AT
Jest Citroen SpaceTourer
Było C4 Picasso
Była Mazda 6
GH
Dzięki wielkie za odpowiedź a wiecie może coś więcej na temat tego modułu, ma ktoś coś takiego zamontowane? Chodzi mi o to, czy jest to warte zachodu?
-
mako_wawa
Arecki napisał(a):ekipa ratunkowa mogła dostać się do środka auta.
Tylko że oni mają taki kozik który się tymi modułami nie przejmuje i nie zwraca na nie uwagi
Więcej grzechów nie pamiętam, za wszystkie serdecznie żałuję i ... i to chyba wszystko.


Mazda 6 GH automatyczne ryglowanie zamków z alarmem niefabrycznym
Niedawno zakupiłem Mazdę 6 GH z 2007 roku i zleciłem założenie w nim alarmu Tytan. Sam moduł alarmu posiada funkcję automatycznego ryglowania zamków po ruszeniu. Niestety mój specjalista od montażu alarmu nie potrafił tego zrobić, dlatego postanowiłem zabrać się za to samodzielnie.
Rozebrałem drzwi i przystąpiłem do mierzenia napięć na kostce podpiętej do zamka.
Przedstawiam poniżej listę kabli oraz ich funkcję.
1. czarny, paski niebieskie = 0V drzwi zamknięte, 5V otwarte (rozwarcie) – czujnik zamknięcia drzwi
2. czarny, paski żółte = 0V masa
3. niebieski, paski czarne = 5V normalnie (rozwarcie), awaryjne otwarcie zamka podając 0V
5. biały, paski niebieskie = 0V zamknięcie drzwi, 5V po otwarciu (rozwarcie)
6. czerwony = 0V otwarcie drzwi, 5V po zamknięciu (rozwarcie)
9. czerwony, paski czarne 2 prążki srebrne = zasilanie silnika +/-12V
11. czerwony, paski niebieskie, 2 prążki srebrne = zasilanie silnika +/-12V
12. żółty, paski zielone, 2 prążki srebrne = coś od silnika
Moduł alarmu posiada dwa wyjścia do otwarcia i zamknięcia zamka podając stan niski (–).
Kabel otwierający centralny zamek można podpiąć bezpośrednio pod kabel 3 (niebieski z czarnymi paskami).
Z zamknięciem nie jest już tak prosto i trzeba użyć przekaźnik. Aby zamknąć drzwi trzeba podać stan niski (–) na kabel 5 (biały z niebieskimi paskami), ale najpierw trzeba rozewrzeć kabel 6 (czerwony).
Po otwarciu drzwi kabel 6 jest zwarty i podaje stan niski (–). Podanie stanu niskiego (–) w tym czasie na kabel 5 nie spowoduje żadnej reakcji dopóki nie rozewrzemy kabla 6.
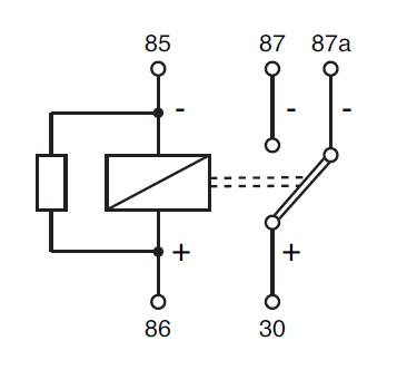
Trzeba użyć przekaźnik zwierno-rozwierny (przełączny) 12V, maksymalny prąd styków wystarczy 10A. Koszt około 10 – 15zł.
Zasilanie cewki 86 trzeba podpiąć do 12V, np. kable biały z czerwonymi paskami przy skrzynce z bezpiecznikami w kabinie pojazdu.
Masę cewki 85 trzeba podpiąć do wyjścia modułu alarmowego zamykającego centralny zamek.
Kabel 6 (czerwony) należy przeciąć i jeden koniec biegnący z drzwi należy podpiąć do wejścia przekaźnika 30, a drugi koniec kabla 6 (czerwonego) należy podpiąć do wyjścia przekaźnika 87a (normalnie zwarty).
Kabel 5 (biały z niebieskimi paskami) trzeba podpiąć do wyjścia przekaźnika 87 (normalnie rozwarty). Nie przecinamy tego kabla!
Dostęp do kabli od centralnego zamka nie jest zbyt łatwy. Mnie udało się zdjąć gumę przez którą idą kable z kabiny do drzwi a następnie wyjąć znajdujący się wewnątrz plastikowy element i wypiąć wtyczkę. Tam przeciąłem kabel 6 (czerwony) oraz dolutowałem nowe do obu końców oraz do 3 (niebieski w czarne paski) i 5 (biały w niebieskie paski).
Ponadto oprócz samych kabli do sterowania zamknięciem i otwarciem zamków, trzeba podpiąć wejście (+) w module alarmowym informujące o włączeniu silnika (pozycja stacyjki ON) lub o włączeniu akcesoriów (pozycja stacyjki AC). Ja wybrałem po zapłonie (ON) i w tym celu podpiąłem moduł alarmowy do bezpiecznika ENGINE IG 15A w kabinie pojazdu.
Mazda 6 GH automatyczne ryglowanie zamków bez alarmu
Korzystając z powyższego opisu można skonstruować automatyczne ryglowanie zamków również w samochodach bez alarmu lub z alarmem fabrycznym. Podaję jedynie propozycję, gdyż sam posiadam alarm Tytan i wprowadziłem procedurę z opisu powyżej.
Potrzebny będzie jakiś układ z histerezą – jak w automatach do włączania świateł dostępnych na Allegro, który załącza światła gdy napięcie osiągnie poziom około 14V (po zapłonie). W ten sposób będziemy ryglować zamki, a gdy napięcie spadnie poniżej poziomu około 13V, to zamki zostaną otwarte.
Pomiędzy zasilanie cewki przekaźnika a układ z histerezą będzie potrzebny jakiś układ czasowy, który włączy przekaźnik na chwilę, a kolejny raz dopiero gdy sygnał na wejściu wróci do stanu początkowego i ponownie się zmieni (cewka która po naładowaniu w czasie ~500ms zrobi przerwę). Może są nawet takie przekaźniki lub układy z histerezą, które podają krótki sygnał po osiągnięciu danego stanu, ale niestety nie orientuję się aż tak w temacie dostępnych elementów elektronicznych.
Przekaźnik przełączny opisany powyżej należy podpiąć do układ z histerezą tak aby przekaźnik został włączony gdy napięcie wzrośnie powyżej 14V.
Drugi przekaźnik – zwierny – trzeba podpiąć również do układ z histerezą, tak aby został załączony, gdy napięcie spadnie poniżej około 13V, a na wyjście 87 kabel 3 (niebieski w czarne paski). W ten sposób zostaną otwarte zamki, gdy silnik zgaśnie, nawet jeśli kluczyk będzie dalej w pozycji ON.
Niedawno zakupiłem Mazdę 6 GH z 2007 roku i zleciłem założenie w nim alarmu Tytan. Sam moduł alarmu posiada funkcję automatycznego ryglowania zamków po ruszeniu. Niestety mój specjalista od montażu alarmu nie potrafił tego zrobić, dlatego postanowiłem zabrać się za to samodzielnie.
Rozebrałem drzwi i przystąpiłem do mierzenia napięć na kostce podpiętej do zamka.
Przedstawiam poniżej listę kabli oraz ich funkcję.
1. czarny, paski niebieskie = 0V drzwi zamknięte, 5V otwarte (rozwarcie) – czujnik zamknięcia drzwi
2. czarny, paski żółte = 0V masa
3. niebieski, paski czarne = 5V normalnie (rozwarcie), awaryjne otwarcie zamka podając 0V
5. biały, paski niebieskie = 0V zamknięcie drzwi, 5V po otwarciu (rozwarcie)
6. czerwony = 0V otwarcie drzwi, 5V po zamknięciu (rozwarcie)
9. czerwony, paski czarne 2 prążki srebrne = zasilanie silnika +/-12V
11. czerwony, paski niebieskie, 2 prążki srebrne = zasilanie silnika +/-12V
12. żółty, paski zielone, 2 prążki srebrne = coś od silnika
Moduł alarmu posiada dwa wyjścia do otwarcia i zamknięcia zamka podając stan niski (–).
Kabel otwierający centralny zamek można podpiąć bezpośrednio pod kabel 3 (niebieski z czarnymi paskami).
Z zamknięciem nie jest już tak prosto i trzeba użyć przekaźnik. Aby zamknąć drzwi trzeba podać stan niski (–) na kabel 5 (biały z niebieskimi paskami), ale najpierw trzeba rozewrzeć kabel 6 (czerwony).
Po otwarciu drzwi kabel 6 jest zwarty i podaje stan niski (–). Podanie stanu niskiego (–) w tym czasie na kabel 5 nie spowoduje żadnej reakcji dopóki nie rozewrzemy kabla 6.
Trzeba użyć przekaźnik zwierno-rozwierny (przełączny) 12V, maksymalny prąd styków wystarczy 10A. Koszt około 10 – 15zł.
Zasilanie cewki 86 trzeba podpiąć do 12V, np. kable biały z czerwonymi paskami przy skrzynce z bezpiecznikami w kabinie pojazdu.
Masę cewki 85 trzeba podpiąć do wyjścia modułu alarmowego zamykającego centralny zamek.
Kabel 6 (czerwony) należy przeciąć i jeden koniec biegnący z drzwi należy podpiąć do wejścia przekaźnika 30, a drugi koniec kabla 6 (czerwonego) należy podpiąć do wyjścia przekaźnika 87a (normalnie zwarty).
Kabel 5 (biały z niebieskimi paskami) trzeba podpiąć do wyjścia przekaźnika 87 (normalnie rozwarty). Nie przecinamy tego kabla!
Dostęp do kabli od centralnego zamka nie jest zbyt łatwy. Mnie udało się zdjąć gumę przez którą idą kable z kabiny do drzwi a następnie wyjąć znajdujący się wewnątrz plastikowy element i wypiąć wtyczkę. Tam przeciąłem kabel 6 (czerwony) oraz dolutowałem nowe do obu końców oraz do 3 (niebieski w czarne paski) i 5 (biały w niebieskie paski).
Ponadto oprócz samych kabli do sterowania zamknięciem i otwarciem zamków, trzeba podpiąć wejście (+) w module alarmowym informujące o włączeniu silnika (pozycja stacyjki ON) lub o włączeniu akcesoriów (pozycja stacyjki AC). Ja wybrałem po zapłonie (ON) i w tym celu podpiąłem moduł alarmowy do bezpiecznika ENGINE IG 15A w kabinie pojazdu.
Mazda 6 GH automatyczne ryglowanie zamków bez alarmu
Korzystając z powyższego opisu można skonstruować automatyczne ryglowanie zamków również w samochodach bez alarmu lub z alarmem fabrycznym. Podaję jedynie propozycję, gdyż sam posiadam alarm Tytan i wprowadziłem procedurę z opisu powyżej.
Potrzebny będzie jakiś układ z histerezą – jak w automatach do włączania świateł dostępnych na Allegro, który załącza światła gdy napięcie osiągnie poziom około 14V (po zapłonie). W ten sposób będziemy ryglować zamki, a gdy napięcie spadnie poniżej poziomu około 13V, to zamki zostaną otwarte.
Pomiędzy zasilanie cewki przekaźnika a układ z histerezą będzie potrzebny jakiś układ czasowy, który włączy przekaźnik na chwilę, a kolejny raz dopiero gdy sygnał na wejściu wróci do stanu początkowego i ponownie się zmieni (cewka która po naładowaniu w czasie ~500ms zrobi przerwę). Może są nawet takie przekaźniki lub układy z histerezą, które podają krótki sygnał po osiągnięciu danego stanu, ale niestety nie orientuję się aż tak w temacie dostępnych elementów elektronicznych.
Przekaźnik przełączny opisany powyżej należy podpiąć do układ z histerezą tak aby przekaźnik został włączony gdy napięcie wzrośnie powyżej 14V.
Drugi przekaźnik – zwierny – trzeba podpiąć również do układ z histerezą, tak aby został załączony, gdy napięcie spadnie poniżej około 13V, a na wyjście 87 kabel 3 (niebieski w czarne paski). W ten sposób zostaną otwarte zamki, gdy silnik zgaśnie, nawet jeśli kluczyk będzie dalej w pozycji ON.

- Od: 16 lip 2010, 09:45
- Posty: 7
- Skąd: Skawina
- Auto: Mazda 6 GH sedan 1.8 MZR (Pb) 120KM 2007 exclusive
Strona 1 z 1
Kto przegląda forum
Użytkownicy przeglądający ten dział: Brak zidentyfikowanych użytkowników i 5 gości