Brak świateł powitalnych oraz komputer nie pokazuje km do przebycia
1, 2
Witam nie moge nic znalesc na ten temat wiec zaloze nowy przepraszam za brak polskich liter ale nie mam ich w klawiaturze.
A wiec chcialem zrobic swiatla powitalne no i wszystko bylo w porzadku dopoki niesprawdzilem czy ledy beda dzialac w swiatlach w podsufitce tzn wlozylem w kostke dwa kabelki od ledow teraz wogule sie niezapalaja gdy otwieram dzrwi na dodatek niedziala w komputerze ile mam do przebycia km(zrobilem juz 30) .Bezpieczniki wszystkie w porzadku niewiem czy swiatla w podsufitce maj bezpiecznik moze przy wyjmowaniu cos zepsulem ale wczesniej wyjmowalem i bylo w porzadku
o co chodzi
pomocy
A wiec chcialem zrobic swiatla powitalne no i wszystko bylo w porzadku dopoki niesprawdzilem czy ledy beda dzialac w swiatlach w podsufitce tzn wlozylem w kostke dwa kabelki od ledow teraz wogule sie niezapalaja gdy otwieram dzrwi na dodatek niedziala w komputerze ile mam do przebycia km(zrobilem juz 30) .Bezpieczniki wszystkie w porzadku niewiem czy swiatla w podsufitce maj bezpiecznik moze przy wyjmowaniu cos zepsulem ale wczesniej wyjmowalem i bylo w porzadku
o co chodzi
pomocy
oczywiście że mają bezpiecznik nie wiem jak dokładnie to wygląda w 6 ale powinieneś mieć wewnątrz kabiny pakiet plastikowych topików i jeden z nich na pewno odpowiada za oświetlenie wnętrza a i nie wiem czy nie za zabezpieczenie zapalniczki ale to już trzeba by było sprawdzić w schemacie, dobrze byłoby gdybyś zrobił jakieś zdjęcie i zaznaczył co to za manewr wykonałeś z tymi kablami bo będzie ciężko dojść ocb i co to za ledy że tak alergicznie na nie zareagował Twój samochód??

- Od: 22 maja 2010, 11:43
- Posty: 1021 (0/14)
- Skąd: Bochnia / Kraków
- Auto: 323F BA / Z5 '97 + BRC SeQuent MY10 & Triumph Speed Triple 955i SE
no tak
Dopisano 2 lis 2013, 20:53:
swiatla swieca tylko jak je wlacze te w drzwiach tez nie dzialaja a wczesniej dzialaly gdy otwieralem samochd
Dopisano 2 lis 2013, 20:55:
ledy normalne z neta zamuwilem jak je sprawdzilem pod dzrzwiami to bylo ok a puziniej wymyslilem ze moze podlacze je pod swiatla u gury i lipa
Dopisano 2 lis 2013, 21:02:
najgorzej mnie martwi ze niema km do przejechania
Dopisano 3 lis 2013, 13:09:
czy ktos ma pojecie oco chodzi moze to przez to ze wyjmowalem ten bezpiecznik bo komputer tez sie zresetowal
ale wczesniej bylo spoko a tez go wyjmowalem
Dopisano 3 lis 2013, 14:20:
a moze to jakis przekaznik
Dopisano 3 lis 2013, 14:22:
ogulnie to dziala wszystko schowek zapalniczka swiatla tez jak je wlacze ale wczesniej otwieralem z pilota i sie zapalaly a teraz dupa pod maska bezpieczniki tez w porzadku

Dopisano 2 lis 2013, 20:53:
swiatla swieca tylko jak je wlacze te w drzwiach tez nie dzialaja a wczesniej dzialaly gdy otwieralem samochd
Dopisano 2 lis 2013, 20:55:
ledy normalne z neta zamuwilem jak je sprawdzilem pod dzrzwiami to bylo ok a puziniej wymyslilem ze moze podlacze je pod swiatla u gury i lipa
Dopisano 2 lis 2013, 21:02:
najgorzej mnie martwi ze niema km do przejechania
Dopisano 3 lis 2013, 13:09:
czy ktos ma pojecie oco chodzi moze to przez to ze wyjmowalem ten bezpiecznik bo komputer tez sie zresetowal
ale wczesniej bylo spoko a tez go wyjmowalemDopisano 3 lis 2013, 14:20:
a moze to jakis przekaznik
Dopisano 3 lis 2013, 14:22:
ogulnie to dziala wszystko schowek zapalniczka swiatla tez jak je wlacze ale wczesniej otwieralem z pilota i sie zapalaly a teraz dupa pod maska bezpieczniki tez w porzadku

moze wypadałoby sprawdzić żarówki w drzwiach skoro tylko one nie wstały po tych machlojkach z ledem wpinanym na krótko
to akurat nic nadzwyczajnego tak to ma wyglądać![krzywy :]](./images/smilies/krzywy.gif)
i to potwierdza że sterowanie zapalaniem tych wszystkich światełek we wnętrzu działa skoro się zapalają być może poszło jakieś przepięcie którego nie wytrzymały żaróweczki w drzwiach
maslo997 napisał(a):do tego zauwazylem ze lampka od stacyjki zapala sie kiedy otworze drzwi
to akurat nic nadzwyczajnego tak to ma wyglądać
![krzywy :]](./images/smilies/krzywy.gif)
i to potwierdza że sterowanie zapalaniem tych wszystkich światełek we wnętrzu działa skoro się zapalają być może poszło jakieś przepięcie którego nie wytrzymały żaróweczki w drzwiach

- Od: 22 maja 2010, 11:43
- Posty: 1021 (0/14)
- Skąd: Bochnia / Kraków
- Auto: 323F BA / Z5 '97 + BRC SeQuent MY10 & Triumph Speed Triple 955i SE
zarowki w dzrwiach sa nowe i dobre ale sprawdze jeszcze raz wszystko a tak wogule to zapalaly sie tez te w podsuwitce co teraz sie niezapalaja chyba ze nacisne tzn sa dobre a km do przejechaniu znowu sa po 100 km wszkoczylo


wszystko sprawdzone zarowki dobre w drzwiach i podsufitce z tylu i z przodu bezpieczniki dobre lampka od stacyjki sie pala w schowku (jak wlacze swiatla) tez w bagazniku rowniez to o co tu chodzi bo niemam pojecia
moze cos w drzwiach ale zamek dziala czuniki od zamkniecia tez
ma ktos jakis pomysl
bo sie zastanawiam czy poprostu nie wlozyc tych ledow z powrotem i sie naprawi
moze cos w drzwiach ale zamek dziala czuniki od zamkniecia tez
ma ktos jakis pomysl
bo sie zastanawiam czy poprostu nie wlozyc tych ledow z powrotem i sie naprawi

czy ktos cos wie na ten temat co moge jeszcze sprawidzic i jak
Dopisano 8 lis 2013, 03:09:
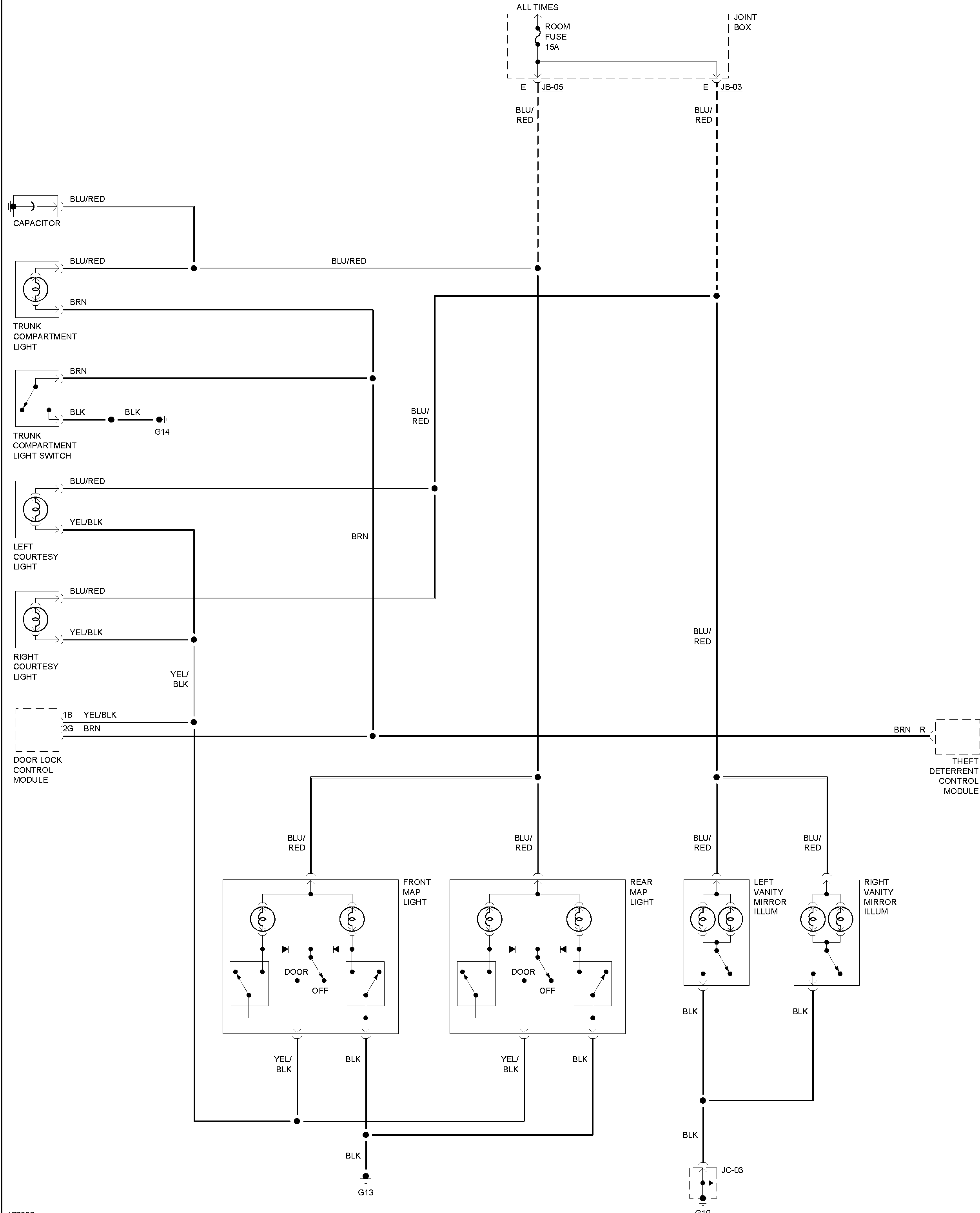
to schemat tylko niewiem co moglo sie tu zepsuc i gdzie tego szukac
Dopisano 8 lis 2013, 03:51:
z tego co tak na chlopski rozum bo sie nieznam to DOOR LOCK CONTROL MODULE tam musialo sie cos wydarzyc mam racje czy nie
Dopisano 8 lis 2013, 03:09:
to schemat tylko niewiem co moglo sie tu zepsuc i gdzie tego szukac
Dopisano 8 lis 2013, 03:51:
z tego co tak na chlopski rozum bo sie nieznam to DOOR LOCK CONTROL MODULE tam musialo sie cos wydarzyc mam racje czy nie
albo uszkodzone jest połączenie do żarówek albo moduł nie steruje załączeniem tych lampek możnaby sprawdzić jeszcze samo starowanie do modułu z tych krańcówek od drzwi

- Od: 22 maja 2010, 11:43
- Posty: 1021 (0/14)
- Skąd: Bochnia / Kraków
- Auto: 323F BA / Z5 '97 + BRC SeQuent MY10 & Triumph Speed Triple 955i SE
dobra znalazlem duzo podobnych tematow jutro rozkrece ten modul i zobacze czy cos sie nieprzepalilo i dam znac
Dopisano 16 lis 2013, 21:52:
modul rozkrecilem jest w porzadku niewidac nic zeby bylo przepalone.Potrzebny mi inny modul na prbe ale bedzie ciezko zobacze co da sie zrobic
Dopisano 16 lis 2013, 21:52:
modul rozkrecilem jest w porzadku niewidac nic zeby bylo przepalone.Potrzebny mi inny modul na prbe ale bedzie ciezko zobacze co da sie zrobic
Hej nie grzeb nic w module zamka centralnego bo narobisz bigosu , weź miernik i sprawdź czy do kostki tego modułu dociera sygnał z włączników krańcowych drzwi a potem czy moduł podaje sygnał wzbudzenia na światła powitalne . w manualu masz opis kostki tego modułu i do czego idzie jaki kabel . tak będzie najszybciej zdiagnozować czy winny jest moduł centrala .
dzieki wielkie ide zaraz mierzyc
Dopisano 8 gru 2013, 13:17:
no to wyglada tak ze
12.80 jest w podsowitce w pozycji DOOR jak otwieram drzwi to spada na chwile (pol sekundy) do 11.80 i dalej jest 12.80
kostka w module w kablu zolto czarnym 1B jest to samo jak wyzej
rozkrecilem modul i zmierzylem na tranzystorze to samo jak u gory
na krancowkach jest tez 12.80
no to chyba ten tranzystor jednak
Dopisano 8 gru 2013, 13:17:
no to wyglada tak ze
12.80 jest w podsowitce w pozycji DOOR jak otwieram drzwi to spada na chwile (pol sekundy) do 11.80 i dalej jest 12.80
kostka w module w kablu zolto czarnym 1B jest to samo jak wyzej
rozkrecilem modul i zmierzylem na tranzystorze to samo jak u gory
na krancowkach jest tez 12.80
no to chyba ten tranzystor jednak
1, 2
Kto przegląda forum
Użytkownicy przeglądający ten dział: Brak zidentyfikowanych użytkowników i 14 gości

