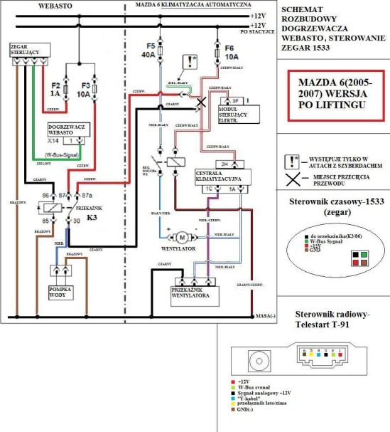
Rozbudowa dogrzewacza Webasto do funkcji pełnego ogrzewania (M6 polift)
dawaj na priv sprubuję ci pomóc -wysłałem ci mail
Dalej walczę zapowiadają ostre przymrozki a telestart nie działa
po rozmowie z kolega robertzagov zaczałem miec obiekcje co do umieszczenia pinów we wtyczce telestarta.

to moj z allegro razem z wiazka sprawdzony w specjalistycznej firmie/odesłany jako sprawny/

a to zdjecie zapozyczone z serwisu ELEKTRODA ,jak widac róznice we wtyczce rozmieszczenie pinów .Czy mozecie wypowiedziec sie jak macie w swoich Madziach jak ma byc prawidłowo .
Jeszce jedno jakie macie piloty??? czy jest mozliwe ze to przyczyna pilota obrandowanego znaczkiem VW??

to moj z allegro razem z wiazka sprawdzony w specjalistycznej firmie/odesłany jako sprawny/

a to zdjecie zapozyczone z serwisu ELEKTRODA ,jak widac róznice we wtyczce rozmieszczenie pinów .Czy mozecie wypowiedziec sie jak macie w swoich Madziach jak ma byc prawidłowo .

Jeszce jedno jakie macie piloty??? czy jest mozliwe ze to przyczyna pilota obrandowanego znaczkiem VW??
wiec jak pisałem czerwony i brązowy to zasilenie telestartu a pozostałe dwa to wlasnie zasilenie dmuchawy pompy oraz dajacy sygnał dla webasto .Jak pisałem podłącz sobie kabel do pinów w kostce telestart i do kabla który idzie do webasto na pin 1 i załączaj pilotem a na bank któryś zadziała i znajdziesz usterkę .Problem nie leży w telestarcie a w instalacji która idzie na przekazniki do sterowania pompy dmuchawy i wlasnie webasto .Jesli chodzi o pilota to jesli łączy sie s telestartem i załacza ci dmuchawe oraz pompe to tu jest wszystko dobrze .Mam jeszcze tylko pytanie jaki kolor diody na pilocie ci pulsuje zielony czy czerwony? jesli czerwony to dobrze ale jesli zielony to zielony jest od przedmuchu kabiny i tu webasto sie nie załaczy
podałem ci tel na mail wiec zadzwon
sheller80 napisał(a): z tego co wyczytałem tylko ori pilot moze zmienic ogrzewanie/wentylacja
u mnie jest oryginalny, jednak do zmiany powyższego trybu mam zamontowany osobny przełącznik pod maską...
Pioteq25 zmierz pobór prądu, jak dobrze pamiętam to do 2,5 lub 3A jest ok,większość ma ok 2A ale zdarza sie że mają i mniej
dobrzyn22 napisał(a):sheller80 napisał(a): z tego co wyczytałem tylko ori pilot moze zmienic ogrzewanie/wentylacja
u mnie jest oryginalny, jednak do zmiany powyższego trybu mam zamontowany osobny przełącznik pod maską...
u mnie na oryginalnym nie ma żadnego przełącznika pod maską a wszystko przełącza sam pilot czyli zielona dioda przedmuch czerwona grzanie
Podpiąłem wczoraj piec pod program TTV wszystko działa prawidłowo uruchamia się po W-BUS czyli przewód sterujący możemy wykluczyć .Jedyne co zauważyłem to ze po odpaleniu przez program TTV możemy wyłączyć piec z pilota /mam z logo VW /.Zamówiłem pilota Webasto jutro pewnie okaże się czy on jest winien

nie masz w programie zapalonej kontrolki o nazwie LATO ?
to piec nie odpali tylko wentylator w aucie sie włączy
jeśli masz wyjście z centralki LATO/ZIMA to musi sie to dać przestawić pilotem, najpierw zobacz czy ta kontrolka świeci w programie
Kto przegląda forum
Użytkownicy przeglądający ten dział: Brak zidentyfikowanych użytkowników i 11 gości

