Światła do jazdy dziennej.

Dział przeznaczony do rozwiązywania wszelkich problemów dotyczących wyposażenia i karoserii. Nie zawiera elementów przenoszenia napędu.

Postprzez harry121 » 1 lip 2010, 07:30

adamg napisał(a):Czekam na opinie ;)


A soczewki przeciwmgielnych wywaliłeś? Bo chyba tam były... A może się mylę? <glupek2>
Taki moduł to może to?
http://www.allegro.pl/item1089216243_cree_xlamp_3xxp_g_r5_modul_z_soczewka_10507_new.html
Jeśli tak, to troszkę drogie to jest.... <płacze>

Pozdrawiam, Jarek
--
Pozdrwiam, Jarek
--
Obrazek
Avatar użytkownika
Początkujący
 
Od: 23 kwi 2010, 12:08
Posty: 3
Skąd: Lublin
Auto: M6 '06 GY MZR-CD 121KM
Yamaha FZ6N '04

Postprzez Myjk » 1 lip 2010, 07:51

adamg, fajny plan – a możesz zrobić fotki jak biegną kable oraz gdzie umocowałeś przekaźnik?
Pozdor Myjk
Avatar użytkownika
Forumowicz
 
Od: 26 paź 2007, 07:01
Posty: 5873 (2/9)
Skąd: Warszawa
Auto: Mitsubishi Outlander
PHEV '20

Postprzez Pawko_6 » 1 lip 2010, 10:04

Wizualnie, dyskusyjne, mam na myśli brak oprawy i trzypunktowe świecenie na małej powierzchni. Natomiast, jestem pod wrażeniem wytrzymałości termicznej modułu. Taka moc zamknięta w lampie bez możliwości odprowadzenia ciepła na zewnątrz, że to jeszcze działa... Ja z diodami mocy poległem, latem padały. Fakt, że montowałem je w reflektorze soczewkowym przeciwmgłowych w lampie. Obecnie, od kilku miesięcy 24 sztuki 5mm, 20mA działają, odpukać.
Obrazek
Avatar użytkownika
Forumowicz
 
Od: 5 gru 2003, 14:25
Posty: 1083 (3/4)
Skąd: Białystok
Auto: Mazda6 GJ SkyActiv-G 2.5 '15 SkyPassion
CX-7 Sport EU powered by DISI-tune

Poprzednie auto:
Mazda6 GG L3 '02

Postprzez adamg » 1 lip 2010, 22:05

Witam ponownie – ale odzew; jestem pod wrażeniem – czy jestem już sławny? :D

s4v4g3:
W sumie wyszło ok. 200PLN (czyli koszt jednego spalonego palnika xenonowego ;)
Jeden moduł kosztował 85PLN do tego kolimator – kupowałem na allegro od ledy.pl – coś takiego:
http://allegro.pl/item1090293614_modul_led_3x_1w_bialy_soczewka_do_mr16_gu10.html
tylko mocniejszy: 500-700lm bo tyle podobno dają światła dzienne :) /To i barwę światła pomógł mi ustalić bardzo miły sprzedawca którego dłuższy czas męczyłem ale nazwiska niestety nie pamiętam.../
Należy jeszcze doliczyć radiatory, przekaźnik, szybkozłączki i kabelki – ale to grosze.

Harry121: wywaliłem zaślepki świateł przeciwmgielnych (takie plastikowe dymione imitacje soczewek) – moja Madzia nie miała przeciwmgielnych – straszne marnotrastwo – stąd ten pomysł).
Moduł opisuję powyżej – bardzo podobny – tylko diody chyba jednak nie były od CREE ale LUXEONa (sorry ale to było 2 lata temu więc szczegółów nie pamiętam); cena podobna (hmm... wydawało mi się że po 2 latach będą tańsze). Tak – zainwestowałem 2x100PLN ale dzięki temu oszczędzam palniki xenonów. Poza tym porównaj ceny innych świateł DRL np. Hella min. 500PLN

Myjk: Wszystkie kable mam podłączone wewnątrz reflektora; reflektor jest szczelnie zamknięty, nic nie wystaje itp (jeśli o to pytasz). Zdjęcie spróbuję zrobić przy okazji ale może być ciężko – na razie fotnę moduł "zapasowy"
Przekaźnik wsadziłem do prawego reflektora bo tam jest lepszy dostęp.
Aha: przy okazji podziękowania za xCar linka MP3 śmiga aż miło (też ponad 2 lata)

Pawko_6: Też się obawiałem przegrzania ale tak jak powiedziałeś: odpukać... :D światła dwukrotnie przeszły egzamin w Chorwacji.
Ważne jest to że moduł nie jest wysterowany maksymalnym prądem (sprzedawca odradził – cytuję "katowanie" diód w ten sposób), poza tym dostałem wytyczne co do bezpiecznej temperatury osiąganej przez diodę (jakieś 60C z tego co pamiętam) – pomocny w tym jest dobry radiator: wziąłem taki od Pentium i podczas montażu używałem pasty termoprzewodzącej do procesorów (też zalecenia ledy.pl). Po montażu mierzyłem też temperaturę diody żeby upewnić się że radiator "daje radę". Oczywiście w zamkniętym kloszu jest gorzej ale należy zauważyć że cały ten moduł wcale się tak nie grzeje jak np żarówka H1- najwyraźniej klosz jakoś sobie radzi z temperaturą (w sumie to musi boby się stopił).
Wizualnie dyskusyjnie masz rację – obecne przepisy mówią o powierzchni bodajże 5cm2 ale tak czy siak światła są nielegalne (przeróbka bez homologacji). Natomiast śmiem twierdzić że jestem lepiej widoczny dzięki skupiającym LEDom niż przy światłach mijania które świecą przecież w glebę. Aha – zauważyłem że krakowskie tramwaje typu "Bombardier" mają identyczne światła (!)

EDIT
I jeszcze fotki modułu "zapasowego" – jest identyczny z tym w samochodzie tylko ma mniejszy radiator a kolimator jest wzbogacony o dyfuzor rozpraszający światło – na zdjęciach w stanie spoczynku:
Obrazek
oraz załączony:
Obrazek
Pozdrawiam,
Adam
tel. 666 464 777
SkypeID: adam.gora
Avatar użytkownika
Początkujący
 
Od: 27 maja 2008, 22:59
Posty: 7
Skąd: Kraków
Auto: M6 GG 2.0D 121KM 2003r

PostTen post został usunięty przez dobrzyn22 19 lut 2012, 01:07.
Powód: post pod postem

Postprzez krzych » 1 lip 2010, 22:58

Stanowczo lepiej z dyfuzorem.
Zaufany warsztat: www.mazvagtech.pl
Z władzą nie polemizuję – i tak zawsze ma rację.
Mapy EU wschodnia i zachodnia 2010r do oryginalnej nawigacji Mazdy po liftingu
Najniższe notowane spalanie 5.2L, średnie 8L, maksymalne 12L.
Avatar użytkownika
Forumowicz
 
Od: 18 sty 2009, 15:16
Posty: 2874 (8/3)
Skąd: Warszawa
Auto: ex posiadacz M6 GY 2.0 CD 143 DPF – obecnie Mazdy brak

Postprzez s4v4g3 » 2 lip 2010, 06:43

No to gitara :D
Ja też mam Madzię bez przeciwmgielnych z przodu.
Xenonów mi szkoda na maxa również.
Cholera to teraz mam już 2 rzeczy do zrobienia :P
Navi (bo mam oryginalną przedliftową) no i światełka – OMFG:D
Forumowicz
 
Od: 16 sie 2009, 23:11
Posty: 392 (1/0)
Skąd: Wrocław
Auto: CX-9 Signature 2018r.

Postprzez gg6 » 2 lip 2010, 07:42

Ja też już dołożyłem wkłady i używam halogenów do jazdy dziennej.
Użyłem żarówek P21W takich jak do kierunkowskazów, bo tyle wystarczy wg ustawy.
Podłaczenia bardzo ładnie zrobiłem w skrzynce bezpieczników, ale uwaga! wykorzystałem oryginalny przekaźnik do przeciwmgielnych którego cewka zbytnio obciąza wyjście D+ alternatora i po drodze dałem malutki przekaźnik k\z cewką o oporności 1000 omów i mam światełka razem z odpaleniem autka. Jeśli ktoś robi po przekręceniu kluczyka to może śmiało użyć oryginalnego przekaźnika, ale jak podłaczyłem pod alternator to potem nie gasły mi do końca lampki ładowania i ta czerwona abny spuścić wodę z filtra. W sumie nie wiem co ta lampka od filtra ma wspólnego z ładowaniem, stwierdzam tylko fakt.
Forumowicz
 
Od: 9 lis 2011, 21:36
Posty: 32

Postprzez Enduro » 2 lip 2010, 14:54

adamg napisał(a):.......
Czekam na opinie ;)
Pozdrawiam, Adam

super!
mozesz podlepic jakis link do tych podzespolow ktore tam zamontowales...
pozdrE
oferuje silnik i części do Mazdy 6 + MPV CiTD Diesel z gwarancją sprawności, nie tylko tą obligatoryjną tzw. rozruchową
Avatar użytkownika
Forumowicz
 
Od: 6 sie 2008, 21:37
Posty: 4881 (1/19)
Skąd: Niemcy / okazjonalnie Poznań
Auto: M6 GL´18, + modyfikowane Prosie 996,Triumph-Speedmaster custom czarna, głośna, dwukołowa, angielska hulajnoga

Postprzez brylek22 » 3 lip 2010, 19:47

a czy nadał by się taki moduł
http://allegro.pl/item1092998798_modul_ ... tanio.html
wysterować odpowiednie napięcie
http://allegro.pl/item1089738341_driver ... _1_8a.html
nie znam się za bardzo na technice diodowej i stąd moje pytanie czy taki zestaw ma prawo działania?
Avatar użytkownika
Forumowicz
 
Od: 5 lut 2009, 10:58
Posty: 87
Skąd: BiałobrzegiRad/Sandomierz/ kiedyś był jeszcze Lublin
Auto: Mazda6 GY 2,0D 136kM 2004
Honda VFR 800 FI

Postprzez krzych » 3 lip 2010, 20:03

BI6 napisał(a):ale uwaga! wykorzystałem oryginalny przekaźnik do przeciwmgielnych którego cewka zbytnio obciąza wyjście D+ alternatora i po drodze dałem malutki przekaźnik k\z cewką o oporności 1000 omów i mam światełka razem z odpaleniem autka. Jeśli ktoś robi po przekręceniu kluczyka to może śmiało użyć oryginalnego przekaźnika, ale jak podłaczyłem pod alternator to potem nie gasły mi do końca lampki ładowania i ta czerwona abny spuścić wodę z filtra. W sumie nie wiem co ta lampka od filtra ma wspólnego z ładowaniem, stwierdzam tylko fakt.


Emm, mozesz cos wiecej to opisac, bo chyba nie zakumalem? Uzwojenie przekaznika obciaza alternator = w normalnej instalacji po wlaczeniu halogenow rozladowujesz akumulator? Cos mi tu nie pasi, albo kompletnie nie zrozumialem.
Zaufany warsztat: www.mazvagtech.pl
Z władzą nie polemizuję – i tak zawsze ma rację.
Mapy EU wschodnia i zachodnia 2010r do oryginalnej nawigacji Mazdy po liftingu
Najniższe notowane spalanie 5.2L, średnie 8L, maksymalne 12L.
Avatar użytkownika
Forumowicz
 
Od: 18 sty 2009, 15:16
Posty: 2874 (8/3)
Skąd: Warszawa
Auto: ex posiadacz M6 GY 2.0 CD 143 DPF – obecnie Mazdy brak

Postprzez gg6 » 3 lip 2010, 20:41

Ja nie miałem przeciwmgielnych więc postanowiłem umieścić tam żarówki 21W i uczynić z nich światła do jazdy dziennej. Zazwyczaj światła do jazdy dziennej zapalają sie po przekręceniu kluczyka i gasną po zapaleniu mijania lub drogowych. Ja opóźniłem moment zapalania aby nie obciążać akumulatora podczas rozruchu i dlatego sterowanie podłączyłem do alternatora. Światła do jazdy dziennej zapalają się dopiero gdy alternator zacznie ładować. Stąd te kombinacje. Chyba jasno to opisałem.
Forumowicz
 
Od: 9 lis 2011, 21:36
Posty: 32

Postprzez Enduro » 3 lip 2010, 21:23

BI6 napisał(a):...Zazwyczaj światła do jazdy dziennej zapalają sie po przekręceniu kluczyka i gasną po zapaleniu mijania lub drogowych. Ja opóźniłem moment zapalania aby nie obciążać akumulatora podczas rozruchu i dlatego sterowanie podłączyłem do alternatora. Światła do jazdy dziennej zapalają się dopiero gdy alternator zacznie ładować....

spryciarz z ciebie.. <spoko>
pozdr.
E.
oferuje silnik i części do Mazdy 6 + MPV CiTD Diesel z gwarancją sprawności, nie tylko tą obligatoryjną tzw. rozruchową
Avatar użytkownika
Forumowicz
 
Od: 6 sie 2008, 21:37
Posty: 4881 (1/19)
Skąd: Niemcy / okazjonalnie Poznań
Auto: M6 GL´18, + modyfikowane Prosie 996,Triumph-Speedmaster custom czarna, głośna, dwukołowa, angielska hulajnoga

Postprzez krzych » 3 lip 2010, 21:42

BI6 napisał(a):Chyba jasno to opisałem.

No wlasnie nie. Opoznienie swoja droga, a pobor pradu przez uzwojenie przekaznika swoja, ja nie kumam tego drugiego, a zupelnie swoja droga moglbys opisac tez realizacje tego ierwszego :)
Zaufany warsztat: www.mazvagtech.pl
Z władzą nie polemizuję – i tak zawsze ma rację.
Mapy EU wschodnia i zachodnia 2010r do oryginalnej nawigacji Mazdy po liftingu
Najniższe notowane spalanie 5.2L, średnie 8L, maksymalne 12L.
Avatar użytkownika
Forumowicz
 
Od: 18 sty 2009, 15:16
Posty: 2874 (8/3)
Skąd: Warszawa
Auto: ex posiadacz M6 GY 2.0 CD 143 DPF – obecnie Mazdy brak

Postprzez Pawko_6 » 4 lip 2010, 09:08

brylek22 napisał(a):a czy nadał by się taki moduł
http://allegro.pl/item1092998798_modul_ ... tanio.html
wysterować odpowiednie napięcie
http://allegro.pl/item1089738341_driver ... _1_8a.html
nie znam się za bardzo na technice diodowej i stąd moje pytanie czy taki zestaw ma prawo działania?

Działać będzie tak jak u adamg, ale będziesz musiał, podobnie jak on, powalczyć z temperaturą. Czyli, obniżaj prąd zasilania żeby moduł się nie przegrzał.
Obrazek
Avatar użytkownika
Forumowicz
 
Od: 5 gru 2003, 14:25
Posty: 1083 (3/4)
Skąd: Białystok
Auto: Mazda6 GJ SkyActiv-G 2.5 '15 SkyPassion
CX-7 Sport EU powered by DISI-tune

Poprzednie auto:
Mazda6 GG L3 '02

Postprzez Myjk » 5 lip 2010, 07:46

adamg napisał(a):Myjk: Wszystkie kable mam podłączone wewnątrz reflektora; reflektor jest szczelnie zamknięty, nic nie wystaje itp (jeśli o to pytasz). Zdjęcie spróbuję zrobić przy okazji ale może być ciężko – na razie fotnę moduł "zapasowy"
Przekaźnik wsadziłem do prawego reflektora bo tam jest lepszy dostęp.

Pytam, ponieważ u mnie są halogenowe żarówki i chciałbym zamontować układ rozjaśniający (fader)
w celu ich ochrony przed przepalaniem – i nie mam pojęcia gdzie go sensownie wpiąć. Przy okazji
może też pokusiłbym się o automatyczne załączanie -- tak jak u Ciebie.
Pozdor Myjk
Avatar użytkownika
Forumowicz
 
Od: 26 paź 2007, 07:01
Posty: 5873 (2/9)
Skąd: Warszawa
Auto: Mitsubishi Outlander
PHEV '20

Postprzez gg6 » 6 lip 2010, 10:57

krzych napisał(a):
BI6 napisał(a):Chyba jasno to opisałem.

No wlasnie nie. Opoznienie swoja droga, a pobor pradu przez uzwojenie przekaznika swoja, ja nie kumam tego drugiego, a zupelnie swoja droga moglbys opisac tez realizacje tego ierwszego :)

Nie umiem dorzucić do postu schematu, byłoby o wiele prościej, ale ogólnie zasada jest prosta, aby przekaźnik załaczył na jego cewkę musisz podać 12V. I obojętnym jest w przypadku przekaźnika samochodowego, gdzie jest plus na cewce a gdzie minus, to czasami ułatwia kombinacje. Styki robocze to zupełnie inna bajka i sa galwanicznie odizolowane od cewki, tam również nie obowiązuje polaryzacja. Wykorzystując oryginalny obwód świateł przeciwmgielnych przednich mamy już gotowe: bezpiecznik 15A, przekaźnik i lamkę kontrolną załaczenia. Jest nawet łudząco podobna do tej od świateł mijania.Więc teraz chyba rozumiesz że tak naprawdę problem swiateł do jazdy dziennej znacznie się upraszacza, w zasadzie to trzeba tylko zamontować żarówki w miejsce zaślepek. Jeden z zacisków cewki przekaźnika jest już nawet na swoim miejscu, podpięty jest pod pozycyjne i pozwala na samoczynne wyłaczenie w momen cie gdy załaczymy jakiekolwiek światła: mijania bądź długie/krótkie, bo zgodnie z KRD z długimi/kótkimi musza sioe również palić mijania+deska+tablica.
Terraz załaczenie dziennych sprowadza się nam do podania plusa na drugi zacisk cewki. Wystarczy podpiąć do plusa za stacyjką i viola. Normalnie cały wykład stworzyłem, wieeelką armatę na małe proste światła do jazdy dziennej <faja>

No ale ja już napotkałem na pierwsze problemy takiej przeróbki. Zamocowałem żarówki do tych plastikowych zaślepek i ...stopiły się <glupek2>
Teraz je wywaliłem i zastanawiam się co zrobić, bo nie palę się aby wydać 700pln na orywkłady.
Może ktoś z kolegów podrzuci fotkę jak takie wkłady wyglądają, a najlepiej jak sa mocowane, bo po wyrzuceniu zaślepek widzę miejsce na 2 blachwkręty na dole, no ale na górze też musza być jakoś mocowane, bo będą drgać niesamowicie. Wesprze ktoś fotką lub rysunkiem ?
Forumowicz
 
Od: 9 lis 2011, 21:36
Posty: 32

Postprzez s4v4g3 » 6 lip 2010, 11:19

Właź tu np.:
http://imageshack.us/
załącz schemat (nie wiem w czym tam masz, jpg, gif czy co tam jeszcze) i umieść kod w poście :)
Forumowicz
 
Od: 16 sie 2009, 23:11
Posty: 392 (1/0)
Skąd: Wrocław
Auto: CX-9 Signature 2018r.

Postprzez Enduro » 6 lip 2010, 12:49

BI6 napisał(a):........Styki robocze to zupełnie inna bajka i sa galwanicznie odizolowane od cewki,............

raczej mechanicznie!
no chyba ze sa zalane olejem dla lepszego chlodzenia lub wyeliminowanie iskrzenia
ale raczej to tu nie ma miejsca tymbardziej przy tych mocach.
pozdr
E.
oferuje silnik i części do Mazdy 6 + MPV CiTD Diesel z gwarancją sprawności, nie tylko tą obligatoryjną tzw. rozruchową
Avatar użytkownika
Forumowicz
 
Od: 6 sie 2008, 21:37
Posty: 4881 (1/19)
Skąd: Niemcy / okazjonalnie Poznań
Auto: M6 GL´18, + modyfikowane Prosie 996,Triumph-Speedmaster custom czarna, głośna, dwukołowa, angielska hulajnoga

Postprzez gg6 » 6 lip 2010, 14:15

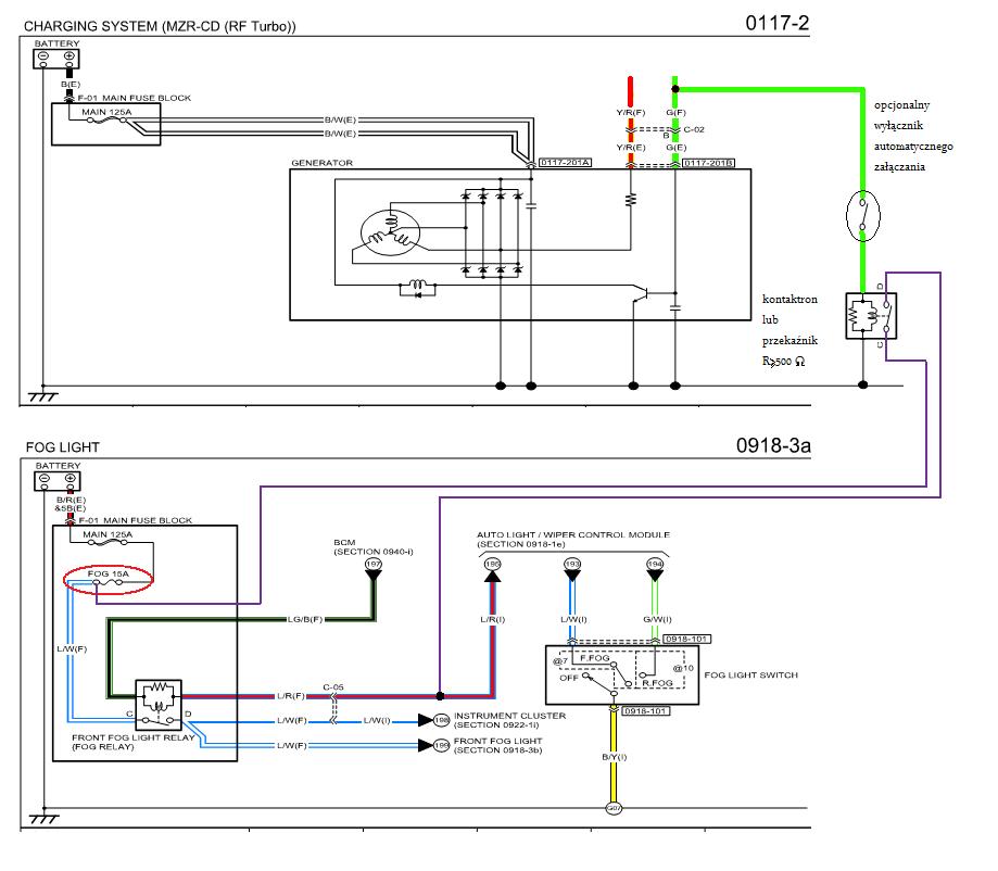
schemat podlaczen.jpg



To jest wersja z opóźnionym załączaniem.
Obwód zabezpiecza bezpiecznik 15A w czerwonym kółku,
w razie potrzeby możemy go wymienić na inną wartość,
ja dałem 10A dla 2 żarówek P21W.
Jest tam również dodatkowy włącznik którym można odłączyć automat.
Od alternatora odchodzą 2 przewody: W i D+, nas interesuje D+.
W benzyniakach wyprowadzenie W jest niewykorzystywane i może go nie być

Można spróbować bez tego kontaktronu,
u mnie normalnie działało z tym tylko, że tliły się kontrolki ładowania i odwodnienia filtru.
Ponieważ po zmierzeniu omomierzem okazało się że oryginalna cewka przekaźnika przeciwmgielnych ma tylko 100R dołożyłem dodatkowo maleńki przekaźnik z cewką o oporności 1000R i lampki pięknie zgasły.
Nie jest to regułą, ja mam 90A w dieslu ale przy większym alternatorze nawet oryginalny przekaźnik powinien być wysterowany bezproblemowo.
Forumowicz
 
Od: 9 lis 2011, 21:36
Posty: 32

Kto przegląda forum

Użytkownicy przeglądający ten dział: Brak zidentyfikowanych użytkowników i 16 gości

Moderator

Moderatorzy 6 / 626 / MX-6 / Xedos 6