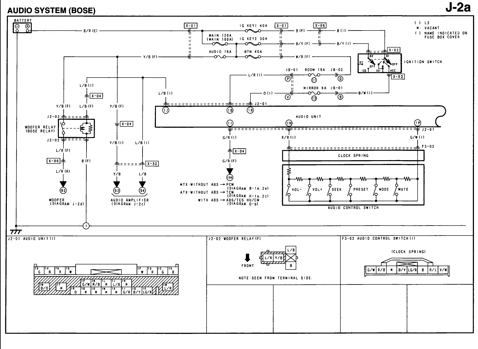
gse_hubert napisał(a):czy w ta kostke moge podpiąc inny soboofer aktywny?
Owszem można ale trzeba dopasować sygnał aby pasował do marketowego suba. Sygnał dla suba bose jest specyficzny.
www.mazdaspeed.pl
gse_hubert napisał(a):czy w ta kostke moge podpiąc inny soboofer aktywny?

gse_hubert napisał(a):czyli jak podepne inny to nic nie spale zadnego wzmacniacza radia?
gse_hubert napisał(a): ten wzmacniacz w soobuferze uciagnie lepszy głosnik?
airbob napisał(a):O ile pamiętam to kable sygnałowe do podłączenia ori suba nie są ekranowane a podawany prze nie sygnał jest sygnałem symetrycznym, to umożliwia zastosowanie kabli nie ekranowanych.
Ja bym spróbował zmianę w instalacji polegającą na: poprowadzeniu nowego kabla sygnałowego od wzmacniacza bose (pod siedzeniem pasażera). Żyłę gorącą kabla podpiął pod pin SUB AMP + (brązowy) a ekran kabla do masy. Pin SUB AMP – (czarno-czerwony) zostawiamy wolny, nie jest to masa i nie może posłużyć do ekranowania.



Użytkownicy przeglądający ten dział: Brak zidentyfikowanych użytkowników i 4 gości
Moderatorzy 6 / 626 / MX-6 / Xedos 6