BOSE CDC – Schemat Mazda6 Bose Audio System
1, 2
Ja tego napięcia nie mierzę, tylko na oko mowie ze jest tam 3V bo probówka się tam ledwie żarzy. Jeśli chodzi o miejsce to jest to plus który pojawia się po stacyjce. Przekaźnik ma 4 nóżki. 2 minusy i 2 plusy (Oczywiście mam na myśli gniazda gdzie ten Przekaźnik jest wpięty) . Jeden z plusów jest po akumulatorze a drugi po przekręceniu stacyjki. To właśnie ten drugi nie daje 12V. Nie uśmiecha mi się rozkręcanie połowy auta i dlatego pytam czy są może jakieś kostki gdzie może nie być styku albo coś w tym stylu. Wszelkie info będę sprawdzał i testował. Mam nadzieje ze nie będzie tak źle.

- Od: 15 wrz 2014, 16:45
- Posty: 17
- Skąd: Słomniki
- Auto: Mazda 6 GG
rocznik 2007
2.0Pb + LPG stag4
loyek5 napisał(a):Przekaźnik ma 4 nóżki. 2 minusy i 2 plusy
Tutaj trochę pokręciłeś.
Ma wejście (12V z aku)
wyjście (12V jak jest załączony i to idzie do wzmacniacza)
wejście cewki (tutaj przychodzi teoretycznie 12V ze stacyjki) u Ciebie tutaj coś jest nie tak.
wyjście cewki (tutaj jest masa)
Ja z ciekawości bym spróbował zmostkować wejście przekaźnika z wyjściem wtedy wzmacniacz powinien zadziałać mimo braku przekaźnika.
Co do tego sterowania przekaźnika ze stacyjki to jak nie chcesz rozbierać i szukać to trzeba dorwać schemat elektryki i prześledzić trasę tej linii.
Może przeczyta ten temat ktoś kto posiada schemat.
Naprawa WZMACNIACZY BOSE, Wyświetlaczy m6, Toyota Avensis
Naprawa ZMIENIAREK (także wysyłkowo) m3,m6,rx8,cx7,cx9 i inne
Wyjścia RCA do zewnętrznego wzmacniacza. Płyta startowa do nawigacji GH
kontakt 503304123
http://www.mazdaspeed.pl/forum/search.php?st=0&sk=t&sd=d&sr=posts&keywords=podz*+airbob*
Sprzedam oryginalny moduł zmieniarki na 6CD do mazdy 3 i 6, montaż
Żarówki podświetlenia klimatronika
kontakt 503304123
Naprawa ZMIENIAREK (także wysyłkowo) m3,m6,rx8,cx7,cx9 i inne
Wyjścia RCA do zewnętrznego wzmacniacza. Płyta startowa do nawigacji GH
kontakt 503304123
http://www.mazdaspeed.pl/forum/search.php?st=0&sk=t&sd=d&sr=posts&keywords=podz*+airbob*
Sprzedam oryginalny moduł zmieniarki na 6CD do mazdy 3 i 6, montaż
Żarówki podświetlenia klimatronika
kontakt 503304123
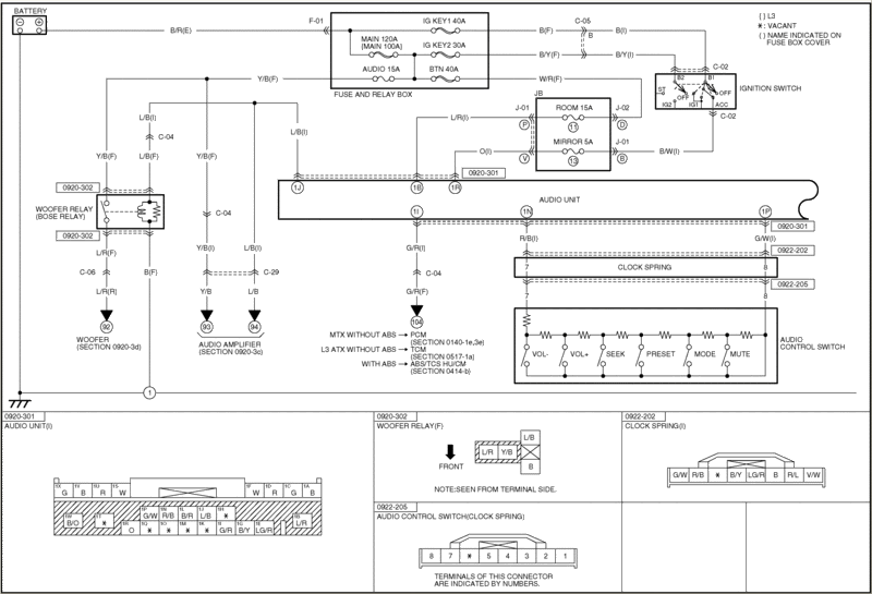
Na tym schemacie nie widzę czegoś takiego jak "przekaźnik bose relay" za to widzę "Woofer Relay (Bose Relay" możliwe że to o tym elemencie rozmawiamy. Jednakże z opisu widać że jest to przekaźnik w obwodzie zasilania wzmacniacza woofera, a ten chodzi bez zakłóceń więc chyba nie ma co się tym zajmować.
Za to widzę blok Fuse and Relay Box.
Analizując ten schemat to zasilanie do wzmacniacza idzie przez: bezpiecznik Main 120(100)A następnie przez bezpiecznik Audio 15A a następnie do wzmacniacza pod fotelem odpowiadającego za pracę głośników w drzwiach. Nie wiadomo czy coś jest jeszcze po drodze, jakiś przekaźnik bo na tym schemacie nie ma całości (nie ma wzmacniacza)
Na tych samych bezpiecznikach wisi wzmacniacz woofera więc skoro on gra to odcinek z bezpiecznikami jest sprawny.
Ja bym zmierzył napięcia na kostce wzmacniacza (wzmacniacz ma być podpięty do kostki aby robił za obciążenie) te które idą do Audio Amplifier (93) zasilanie wzmacniacza i (94) sterowanie wzmacniaczem. Na obu ma być 12V. Dodatkowo sprawdziłbym połączenie masy wzmacniacza z masą auta bo tutaj też może być problem.
W przedliftowej wersji była kostka konfigurująca bose (przez nią też szło zasilanie wzmacniacza). Była umieszczona za plastikiem przy prawej stopie pasażera ale podobno w polifcie ludzie nie mogli tego tam znaleźć więc może jest gdzieś indziej.
Za to widzę blok Fuse and Relay Box.
Analizując ten schemat to zasilanie do wzmacniacza idzie przez: bezpiecznik Main 120(100)A następnie przez bezpiecznik Audio 15A a następnie do wzmacniacza pod fotelem odpowiadającego za pracę głośników w drzwiach. Nie wiadomo czy coś jest jeszcze po drodze, jakiś przekaźnik bo na tym schemacie nie ma całości (nie ma wzmacniacza)
Na tych samych bezpiecznikach wisi wzmacniacz woofera więc skoro on gra to odcinek z bezpiecznikami jest sprawny.
Ja bym zmierzył napięcia na kostce wzmacniacza (wzmacniacz ma być podpięty do kostki aby robił za obciążenie) te które idą do Audio Amplifier (93) zasilanie wzmacniacza i (94) sterowanie wzmacniaczem. Na obu ma być 12V. Dodatkowo sprawdziłbym połączenie masy wzmacniacza z masą auta bo tutaj też może być problem.
W przedliftowej wersji była kostka konfigurująca bose (przez nią też szło zasilanie wzmacniacza). Była umieszczona za plastikiem przy prawej stopie pasażera ale podobno w polifcie ludzie nie mogli tego tam znaleźć więc może jest gdzieś indziej.
Naprawa WZMACNIACZY BOSE, Wyświetlaczy m6, Toyota Avensis
Naprawa ZMIENIAREK (także wysyłkowo) m3,m6,rx8,cx7,cx9 i inne
Wyjścia RCA do zewnętrznego wzmacniacza. Płyta startowa do nawigacji GH
kontakt 503304123
http://www.mazdaspeed.pl/forum/search.php?st=0&sk=t&sd=d&sr=posts&keywords=podz*+airbob*
Sprzedam oryginalny moduł zmieniarki na 6CD do mazdy 3 i 6, montaż
Żarówki podświetlenia klimatronika
kontakt 503304123
Naprawa ZMIENIAREK (także wysyłkowo) m3,m6,rx8,cx7,cx9 i inne
Wyjścia RCA do zewnętrznego wzmacniacza. Płyta startowa do nawigacji GH
kontakt 503304123
http://www.mazdaspeed.pl/forum/search.php?st=0&sk=t&sd=d&sr=posts&keywords=podz*+airbob*
Sprzedam oryginalny moduł zmieniarki na 6CD do mazdy 3 i 6, montaż
Żarówki podświetlenia klimatronika
kontakt 503304123
No to nie wiem jak ludzie szukali tej kostki skoro Ty ją znalazłeś czyli ona tam jest. Może jest inna niż w przedlifcie (tam są dwie kostki, jedna duża główna do wzmacniacza pod fotelem i mniejsza sygnałowa do suba) i zasilanie idzie osobną kostką, tego nie wiem. Mając miernik łatwo można by przedzwonić poszczególne przewody i odszukać ten na którym ma być zasilanie.
Poszukałeś zasilania na kostce przy wzmacniaczu ?
Poszukałeś zasilania na kostce przy wzmacniaczu ?
Naprawa WZMACNIACZY BOSE, Wyświetlaczy m6, Toyota Avensis
Naprawa ZMIENIAREK (także wysyłkowo) m3,m6,rx8,cx7,cx9 i inne
Wyjścia RCA do zewnętrznego wzmacniacza. Płyta startowa do nawigacji GH
kontakt 503304123
http://www.mazdaspeed.pl/forum/search.php?st=0&sk=t&sd=d&sr=posts&keywords=podz*+airbob*
Sprzedam oryginalny moduł zmieniarki na 6CD do mazdy 3 i 6, montaż
Żarówki podświetlenia klimatronika
kontakt 503304123
Naprawa ZMIENIAREK (także wysyłkowo) m3,m6,rx8,cx7,cx9 i inne
Wyjścia RCA do zewnętrznego wzmacniacza. Płyta startowa do nawigacji GH
kontakt 503304123
http://www.mazdaspeed.pl/forum/search.php?st=0&sk=t&sd=d&sr=posts&keywords=podz*+airbob*
Sprzedam oryginalny moduł zmieniarki na 6CD do mazdy 3 i 6, montaż
Żarówki podświetlenia klimatronika
kontakt 503304123
Tak są 2 albo nawet 3 kostki. Jedna jest duża. To właśnie tą dużą sprawdziłem i nie znalazłem zasilania. Póki co jestem w pracy i zrobiłem ten test na kostce w przerwie. Jak wyjde to postaram się dorwac miernik i sprawdzić co i jak. Mam fotkę tego miejsca z kostkami ale przez telefon nie mogę załączyć zdjęcia... :–\
Elektryka
Niestety miernik wszędzie na pinach kostki koło pasażera pokazuje 0. Na małej kostce pokazuje 12 i słychać w tym momencie sub-a
Na kostce przy wzmaku mam zasilanie na żółto czarnym, na niebiesko czarnym mam 4V, na czarno różowym mam około 3,5V. To wszytko jest pod jednym minusem tj czarnym kablem.
Edit2
Dziś byłem u znajomego elektryka i okazało się ze po wyjęciu przekaźnika włączyły się głośniki natomiast przestał grać sub. Po włożeniu przekaźnika gra tylko sub. Znajomy powiedział żebym najpierw sprawdził radio czy tam coś się przypadkiem nie zjarało.
Ja juz głupieje...
Elektryka
Niestety miernik wszędzie na pinach kostki koło pasażera pokazuje 0. Na małej kostce pokazuje 12 i słychać w tym momencie sub-a
Na kostce przy wzmaku mam zasilanie na żółto czarnym, na niebiesko czarnym mam 4V, na czarno różowym mam około 3,5V. To wszytko jest pod jednym minusem tj czarnym kablem.
Edit2
Dziś byłem u znajomego elektryka i okazało się ze po wyjęciu przekaźnika włączyły się głośniki natomiast przestał grać sub. Po włożeniu przekaźnika gra tylko sub. Znajomy powiedział żebym najpierw sprawdził radio czy tam coś się przypadkiem nie zjarało.
Ja juz głupieje...

- Od: 15 wrz 2014, 16:45
- Posty: 17
- Skąd: Słomniki
- Auto: Mazda 6 GG
rocznik 2007
2.0Pb + LPG stag4
Nie przyszło mi info że coś napisałeś w tym temacie więc nie odpisywałem. Dopiero teraz zauważyłem że jest kontynuacja.
Nie wiem czy już sobie poradziłeś z problemem.
Z tego co piszesz ewidentnie jest problem z zasilaniem tego wzmacniacza, coś nie łączy. Jak masz elektryka to powinien sobie poradzić z odszukaniem odpowiednich przewodów. Wygląda na to że jak sub pracuje to przysiada napięcie zasilające wzmacniacz pod fotelem i to powoduje jego wyłączenie.
Odszukaj gruby przewód który zasila wzmacniacz i porównaj na nim napięcia przy włożonym przekaźniku i bez niego (pomiar na kostce przy wzmacniaczu).
Nie wiem czy już sobie poradziłeś z problemem.
Z tego co piszesz ewidentnie jest problem z zasilaniem tego wzmacniacza, coś nie łączy. Jak masz elektryka to powinien sobie poradzić z odszukaniem odpowiednich przewodów. Wygląda na to że jak sub pracuje to przysiada napięcie zasilające wzmacniacz pod fotelem i to powoduje jego wyłączenie.
Odszukaj gruby przewód który zasila wzmacniacz i porównaj na nim napięcia przy włożonym przekaźniku i bez niego (pomiar na kostce przy wzmacniaczu).
Naprawa WZMACNIACZY BOSE, Wyświetlaczy m6, Toyota Avensis
Naprawa ZMIENIAREK (także wysyłkowo) m3,m6,rx8,cx7,cx9 i inne
Wyjścia RCA do zewnętrznego wzmacniacza. Płyta startowa do nawigacji GH
kontakt 503304123
http://www.mazdaspeed.pl/forum/search.php?st=0&sk=t&sd=d&sr=posts&keywords=podz*+airbob*
Sprzedam oryginalny moduł zmieniarki na 6CD do mazdy 3 i 6, montaż
Żarówki podświetlenia klimatronika
kontakt 503304123
Naprawa ZMIENIAREK (także wysyłkowo) m3,m6,rx8,cx7,cx9 i inne
Wyjścia RCA do zewnętrznego wzmacniacza. Płyta startowa do nawigacji GH
kontakt 503304123
http://www.mazdaspeed.pl/forum/search.php?st=0&sk=t&sd=d&sr=posts&keywords=podz*+airbob*
Sprzedam oryginalny moduł zmieniarki na 6CD do mazdy 3 i 6, montaż
Żarówki podświetlenia klimatronika
kontakt 503304123
Dzięki za odpowiedź. Problem został rozwiązany. Zasilanie zostało pociągnięcie z przekaźnika obok do przekaźnika bose tam gdzie go brakowało. Teraz jest tak ze na pozycji 1 stacyjki gra radio z głośnikami ale bez suba a na 2 pozycji i odpalonym silniku włącza się też sub. Osobiście nie przeszkadza mi to rozwiązanie tym bardziej ze w grę wchodziła chyba jedynie wymiana radia.
Pozdrawiam
Pozdrawiam

- Od: 15 wrz 2014, 16:45
- Posty: 17
- Skąd: Słomniki
- Auto: Mazda 6 GG
rocznik 2007
2.0Pb + LPG stag4
Radio tutaj nie ma nic do tego wszystkiego. Szkoda że nie naprawiliście tego zgodnie z instalacją samochodu, tylko taka "proteza" została zastosowana.
Ale najważniejsze że działa.
Ale najważniejsze że działa.
Naprawa WZMACNIACZY BOSE, Wyświetlaczy m6, Toyota Avensis
Naprawa ZMIENIAREK (także wysyłkowo) m3,m6,rx8,cx7,cx9 i inne
Wyjścia RCA do zewnętrznego wzmacniacza. Płyta startowa do nawigacji GH
kontakt 503304123
http://www.mazdaspeed.pl/forum/search.php?st=0&sk=t&sd=d&sr=posts&keywords=podz*+airbob*
Sprzedam oryginalny moduł zmieniarki na 6CD do mazdy 3 i 6, montaż
Żarówki podświetlenia klimatronika
kontakt 503304123
Naprawa ZMIENIAREK (także wysyłkowo) m3,m6,rx8,cx7,cx9 i inne
Wyjścia RCA do zewnętrznego wzmacniacza. Płyta startowa do nawigacji GH
kontakt 503304123
http://www.mazdaspeed.pl/forum/search.php?st=0&sk=t&sd=d&sr=posts&keywords=podz*+airbob*
Sprzedam oryginalny moduł zmieniarki na 6CD do mazdy 3 i 6, montaż
Żarówki podświetlenia klimatronika
kontakt 503304123
Szkoda bo właśnie walczyłem o to żeby było tak jak fabryka wymyśliła. Jednak koszt naprawy sporo poszedł by w górę z powodu szukania prawdziwej przyczyny i niewiadomo czy udało by się to w ten sposób rozwiązać. Dodam że gdy wyjąłem radio to czuć było z niego swąd spalenizny, dlatego podejrzewam radio.
Pozdr.
Pozdr.

- Od: 15 wrz 2014, 16:45
- Posty: 17
- Skąd: Słomniki
- Auto: Mazda 6 GG
rocznik 2007
2.0Pb + LPG stag4
1, 2
Kto przegląda forum
Użytkownicy przeglądający ten dział: Brak zidentyfikowanych użytkowników i 5 gości
Moderator
Moderatorzy 6 / 626 / MX-6 / Xedos 6
