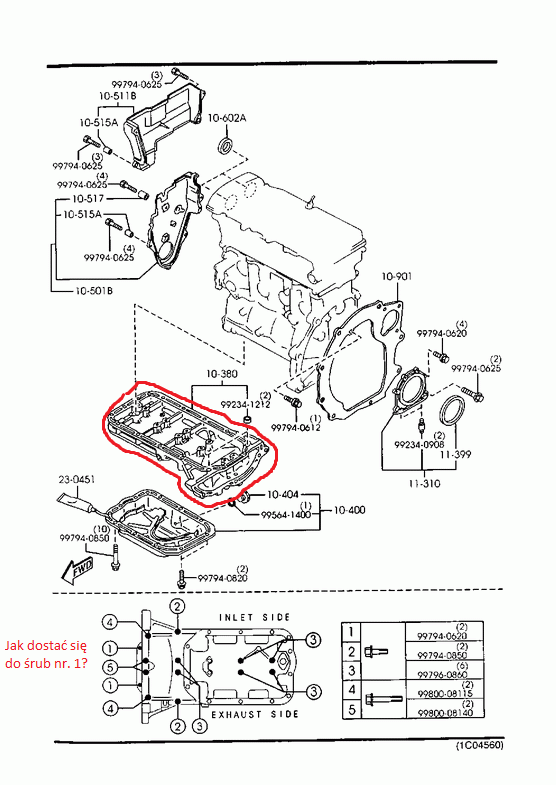
Witam, to mój pierwszy post na forum. Robię kapitalny remont silnika chciałem wyciągnąć tłoki i wymienić pierścienie na RIKa. Niestety po ściągnięciu miski olejowej ,smoka i odkręceniu śrub górna część misy (ta osłaniająca korbowody) nadal się trzyma z tego co widziałem na niektórych schematach są jeszcze dwie śruby które mogą ją trzymać niestety z tego co widzę dostęp jest tylko po zdjęciu skrzyni biegów.
Czy da radę ściągnąć górną część misy bez demontażu całej skrzyni?
Demontaż górnej części miski olejowej
Strona 1 z 1
Rozwiązanie problemu znalazłem w mazdzie z BJ tutaj link https://www.mazdaspeed.pl/forum/viewtop ... 4&t=196748
Nie nie ma żadnych korków przez które można wsadzić sobie nasadkę. W niektórych manualnych skrzyniach po prostu nie występują i wtedy o zgrozo trzeba demontować rozrusznik odkręcić śruby trzymające kielich sprzęgła ,najlepiej odkręcić sobie dwie śruby trzymające podporę półosi od łapy silnika od strony pasażera zamocować wyciagarke czy jakas podporę i wtedy blok silnika od kielicha odchylać łomem aż uzyskamy miedzy nimi szpare na nasadkę 10. Obracamy wałem korbowym aż nacięcia na kole zamachowym pokryją się z dwiema śrubami które nas interesują. Wykręcamy pach podstawa misy olejowej jest nasza. Boże miej nas w opiece przed tymi hentai'ami z mazdy bo to jakaś komedia. Niech się przyda potomnym. Przepraszam za błędy jestem w warsztacie ręce uqalone olejem.
Nie nie ma żadnych korków przez które można wsadzić sobie nasadkę. W niektórych manualnych skrzyniach po prostu nie występują i wtedy o zgrozo trzeba demontować rozrusznik odkręcić śruby trzymające kielich sprzęgła ,najlepiej odkręcić sobie dwie śruby trzymające podporę półosi od łapy silnika od strony pasażera zamocować wyciagarke czy jakas podporę i wtedy blok silnika od kielicha odchylać łomem aż uzyskamy miedzy nimi szpare na nasadkę 10. Obracamy wałem korbowym aż nacięcia na kole zamachowym pokryją się z dwiema śrubami które nas interesują. Wykręcamy pach podstawa misy olejowej jest nasza. Boże miej nas w opiece przed tymi hentai'ami z mazdy bo to jakaś komedia. Niech się przyda potomnym. Przepraszam za błędy jestem w warsztacie ręce uqalone olejem.
Strona 1 z 1
Kto przegląda forum
Użytkownicy przeglądający ten dział: Brak zidentyfikowanych użytkowników i 1 gość

