Potrzebny schemat elektryczny

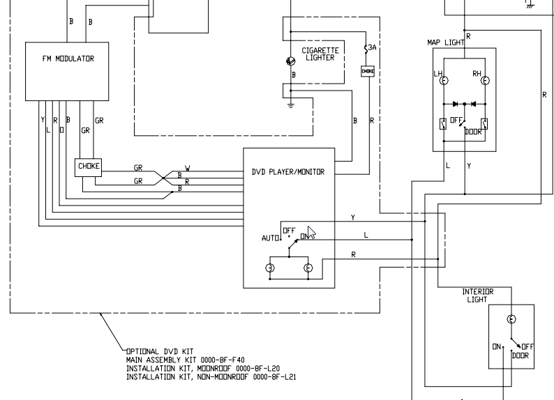
Witam, jestem na etapie montażu radia Android 2din do Piąteczki, miałem duże navi, kamere cofania i DVD w podsufitce. Chciałbym wykorzystac ori kamerke żeby wpiac sie do Androida Chinchem i to samo w kwestii wyświetlacza w podsufitce żeby powielic obraz z radia do podsufitki. Dlatego prosiłbym o schematy elektryczne żeby wiedziec bez wiekszej rozkminki co gdzie przelutowac. Prosze o pomoc.
