witam,
mam wielka prosbe, ktos wie moze gdzie w M5 jest zamocowany modul/centralka do zamka centralnego, to co odbiera fale z pilota ?
bede wdzieczny za pomoc !
Pozdrawiam
Czapello
Umiejscowienie centralki do zamka centralnego
Strona 1 z 1
Witaj.
Może się mylę, ale wydaje mi się że moduł Centralnego zamka jest wbudowany w BSI.
W każdym razie już nieraz przeglądałem dokumentację od centralnego i wszystkie sygnały dochodzą do BSI – chyba, że jest modulik na samo radio, a BSI steruje pracą siłowników – kto wie!
Może się mylę, ale wydaje mi się że moduł Centralnego zamka jest wbudowany w BSI.
W każdym razie już nieraz przeglądałem dokumentację od centralnego i wszystkie sygnały dochodzą do BSI – chyba, że jest modulik na samo radio, a BSI steruje pracą siłowników – kto wie!
Widzialem w internecie, ze mozna kupic to jako osobna czesc. Lecz wczesniej chcialem porownac dokladnie z numerem czesci. Niestety nie potrafie tego w aucie znalesc. Szukalem w drzwiach kierowcy i w okolicach lewego kolana, bez skutku.
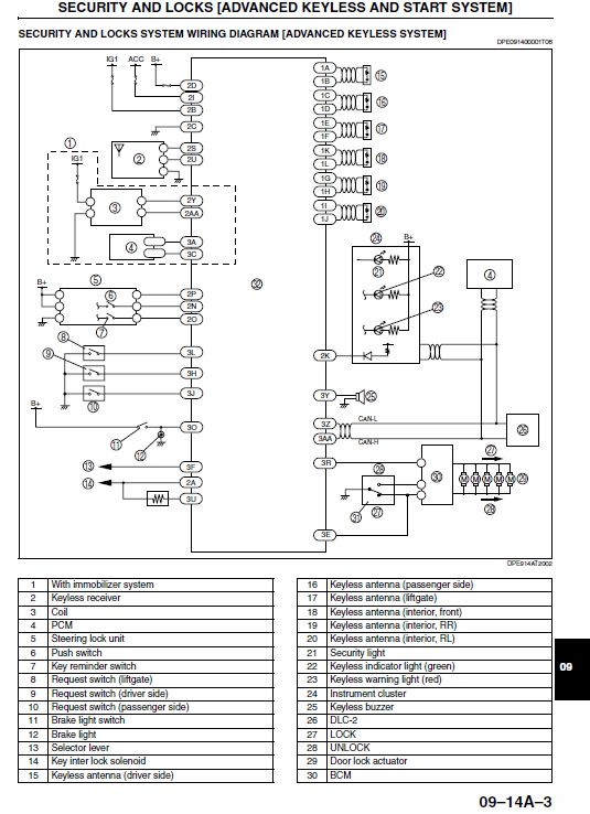
Jest coś takiego jak odbiornik, ale dopiero potem BCI steruje drzwiami – odbiornik tylko odbiera sygnał z pilota. Pomyliłem się, bo na jednym z rysunków była namalowana antenka podłączona bezpośrednio do BCI – tylko że nie jest opisane jako antena tylko Keyless receiver.
Jeśli nie masz Advanced Keyless System to masz załączniki z schematami i rysunkami
Odnośnie 3 rysunku to brakuje opisu
31 – Door lock link switch
32 – Keyless control module
Jeśli masz AKS to zmienia się opis wtyczek – poszukaj w WD.pdf – umiejscowienie odbiornika pozostaje, ale dochodzi jeden element – centralka AKS
Jakbyś chciał więcej to jest w TG-09.pdf na stronie 43-44-45
a okablowanie WD.pdf na stronie 100 lub 105 przy advanced
I co ciekawe: antena jest jedna główna (koło modułu) oraz w każdych drzwiach i klapie bagażnika
a ten Advanced Keyless System znajduje się po lewej stronie koło gniazdka OBDII
Jeśli nie masz Advanced Keyless System to masz załączniki z schematami i rysunkami
Odnośnie 3 rysunku to brakuje opisu
31 – Door lock link switch
32 – Keyless control module
Jeśli masz AKS to zmienia się opis wtyczek – poszukaj w WD.pdf – umiejscowienie odbiornika pozostaje, ale dochodzi jeden element – centralka AKS
Jakbyś chciał więcej to jest w TG-09.pdf na stronie 43-44-45
a okablowanie WD.pdf na stronie 100 lub 105 przy advanced
I co ciekawe: antena jest jedna główna (koło modułu) oraz w każdych drzwiach i klapie bagażnika
a ten Advanced Keyless System znajduje się po lewej stronie koło gniazdka OBDII
Ostatnio edytowano 30 paź 2013, 11:21 przez iwi, łącznie edytowano 1 raz
Strona 1 z 1
Kto przegląda forum
Użytkownicy przeglądający ten dział: Brak zidentyfikowanych użytkowników i 4 gości

