Witam serdecznie
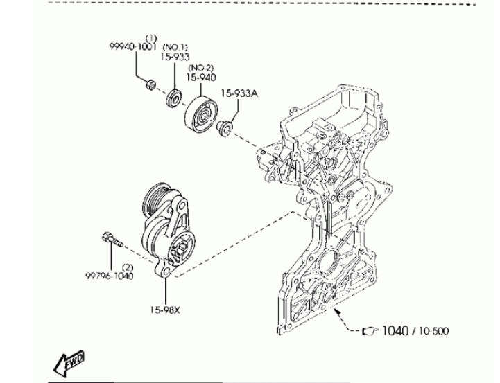
Poszukuję instrukcji/schemat układu paska klinowego wielorowkowego do Mazdy 3 BK, 1.6 benzyna (2003-2008) hatchback. Chciałbym sprawdzić ile i jakich typów rolków ma na tym układzie?
Podejrzewam, że są to role, ale nie jestem pewien:
• koło pasowe na biegu jałowym
• koło pasowe wału korbowego
• kołó napinacza paska klinowego
• alternator
• pompa wodna
• kompresor/sprężarka klimatyzacji
Śilnika czasami piszczy i szumi przy małych obrotach i miślę że jeden z rolków jest zneśczone.
Z góry dziękuję
Schemat do układu klinowego (Mazda 3 BK)
Strona 1 z 1
Strona 1 z 1
Kto przegląda forum
Użytkownicy przeglądający ten dział: Brak zidentyfikowanych użytkowników i 5 gości
